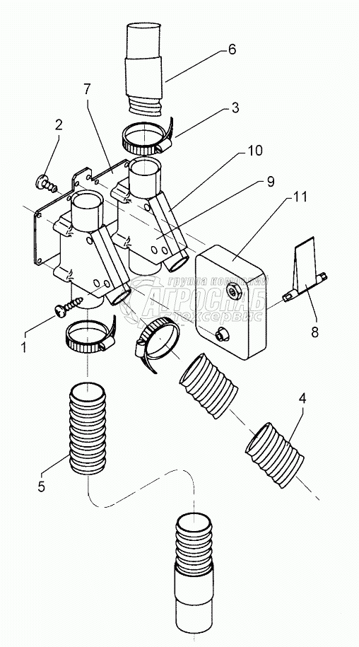
Каталог запасных частей к технике: Lemken Solitair 8/300. 582 5051 Tramline mechanism

582 5051 Tramline mechanism

zoom-in zoom-out enlarge shrink circle-right circle-left file-text2 info cart
1
2
Изображение Артикул товара Наименование Наличие Единица измерения Количество Цена Корзина
1
301 0050 Self-tapping screw Под заказ -
2
325 1150 Hose clip Под заказ -
Содержащиеся в справочниках-каталогах запасные части и детали не предлагаются к продаже, а носят исключительно информационный характер


Наши преимущества