Каталог запасных частей к технике: Lemken Solitair 9/500KA. Holder, short

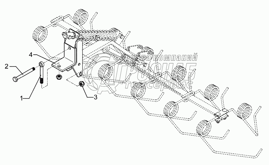
Holder, short

zoom-in zoom-out enlarge shrink circle-right circle-left file-text2 info cart
1
2
Изображение Артикул товара Наименование Наличие Единица измерения Количество Цена Корзина
1
301 4020 Bolt Под заказ -
2
303 0935 Selflocking nut Под заказ -
Содержащиеся в справочниках-каталогах запасные части и детали не предлагаются к продаже, а носят исключительно информационный характер


Наши преимущества