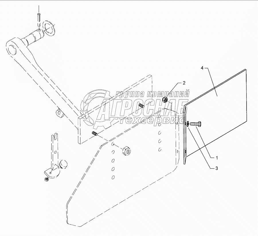
Каталог запасных частей к технике: Lemken Zirkon 10/300. Side plate extension Zirkon 5x200x384

Side plate extension Zirkon 5x200x384

zoom-in zoom-out enlarge shrink circle-right circle-left file-text2 info cart
1
2
3
4
Изображение Артикул товара Наименование Наличие Единица измерения Количество Цена Корзина
1
301 3573 Bolt Под заказ -
2
303 0941 Selflocking nut Под заказ -
3
305 6180 Washer Под заказ -
4
408 3956 Side plate Под заказ -
Содержащиеся в справочниках-каталогах запасные части и детали не предлагаются к продаже, а носят исключительно информационный характер


Наши преимущества