| № | Изображение | Артикул товара | Наименование | Наличие | Единица измерения | Количество | Цена | Корзина | |
|---|---|---|---|---|---|---|---|---|---|
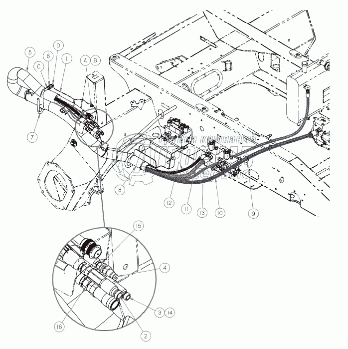
| 1 | 163125 | SUPPORT-HOSES, LH WELDT | Под заказ | - | |||||
| 2 | 135314 | COUPLER - MALE HYD 3/4 IN FLAT FACE | Под заказ | - | |||||
| 3 | 135179 | SEAL KIT | Под заказ | - | |||||
| 4 | 135361 | COUPLER - MALE HYD 1/2 IN FLAT FACE | Под заказ | - | |||||
| 5 | 135237 | COUPLER - MALE HYD 3/8 IN FLAT FACE BULKHEAD | Под заказ | - | |||||
| 6 | 110547 | SLEEVE-HOSE | В наличии | шт | 0 ₽ | ||||
| 7 | 28700 | SPRING – COMPRESSION | Под заказ | - | |||||
| 8 | 163254 | HANDLE-HOSE SUPPORT | Под заказ | - | |||||
| 9 | 163128 | SLEEVE-HOSE | Под заказ | - | |||||
| 10 | 110967 | GROMMET | Под заказ | - | |||||
| 11 | 162250 | HOSE-HYDRAULIC | Под заказ | - | |||||
| 12 | 162251 | HOSE-HYDRAULIC | Под заказ | - | |||||
| 13 | 120585 | HOSE-HYD | Под заказ | - | |||||
| 14 | 47141 | HOSE – HYD | Под заказ | - | |||||
| 15 | 135364 | FITTING - ADAPTER HYD | Под заказ | - | |||||
| 16 | 21830 | FITTING - CONNECTOR HYD | Под заказ | - | |||||
| 17 | 21828 | FITTING - ADAPTER HYD | Под заказ | - | |||||
| 18 | 19965 | BOLT - RHSN 3/8 NC X 10 GR 5 ZP | Под заказ | - | |||||
| 19 | 30228 | NUT - FLANGE DT SMOOTH FACE 0375-16UNC | Под заказ | - | |||||
| 20 | 18600 | WASHER - SAE FLAT 21/32 ID X 1 5/16 IN OD ZP | Под заказ | - | |||||
| 21 | 50225 | NUT – FLANGE DT SMOOTH FACE, 5/8 NC | Под заказ | - |