Каталог запасных частей к технике: MacDon-M105. ЛС Муфты, гидравлика

ЛС Муфты, гидравлика

zoom-in zoom-out enlarge shrink circle-right circle-left file-text2 info cart
1
2
4
5
6
7
8
9
10
11
12
13
14
15
16
17
18
19
20
21
21
22
23
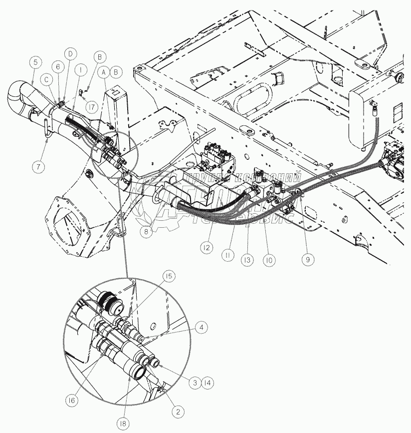
Изображение Артикул товара Наименование Наличие Единица измерения Количество Цена Корзина
1
163125 SUPPORT-HOSES, LH WELDT Под заказ -
2
135314 COUPLER - MALE HYD 3/4 IN FLAT FACE Под заказ -
3
135479 САЛЬНИК КОМПЛЕКТ Под заказ -
4
135361 COUPLER - MALE HYD 1/2 IN FLAT FACE Под заказ -
5
135237 COUPLER - MALE HYD 3/8 IN FLAT FACE BULKHEAD Под заказ -
6
110547 SLEEVE-HOSE В наличии шт 0 ₽
7
28700 SPRING – COMPRESSION Под заказ -
8
163254 HANDLE-HOSE SUPPORT Под заказ -
9
163128 SLEEVE-HOSE Под заказ -
10
110967 GROMMET Под заказ -
11
162250 HOSE-HYDRAULIC Под заказ -
12
162251 HOSE-HYDRAULIC Под заказ -
13
120585 HOSE-HYD Под заказ -
14
47141 HOSE – HYD Под заказ -
15
135364 FITTING - ADAPTER HYD Под заказ -
16
021830 ФИТИНГ Под заказ -
17
021828 ФИТИНГ Под заказ -
18
135233 ЗАЖИМ Под заказ -
19
135313 МУФТА Под заказ -
20
19965 BOLT - RHSN 3/8 NC X 10 GR 5 ZP Под заказ -
21
30228 NUT - FLANGE DT SMOOTH FACE 0375-16UNC Под заказ -
22
18600 WASHER - SAE FLAT 21/32 ID X 1 5/16 IN OD ZP Под заказ -
23
50225 NUT – FLANGE DT SMOOTH FACE, 5/8 NC Под заказ -
Содержащиеся в справочниках-каталогах запасные части и детали не предлагаются к продаже, а носят исключительно информационный характер


Наши преимущества