Каталог запасных частей к технике: МТЗ 800/900. Корпус сцепления. Отводка

Корпус сцепления. Отводка

zoom-in zoom-out enlarge shrink circle-right circle-left file-text2 info cart
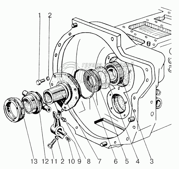
1
2
2
3
4
5
6
7
8
9
10
11
12
Изображение Артикул товара Наименование Наличие Единица измерения Количество Цена Корзина
1
М10x25 Болт Под заказ -
2
ШП10 Шайба Под заказ -
3
60210АУШ1 Подшипник Под заказ -
4
50-1601319 Шайба маслоотражательная Под заказ шт 23 ₽23 ₽
5
240-1002055 Манжета 2.1-50х70-4 Под заказ -
6
110-115-30-1-4 Кольцо ГОСТ 9833-73 Под заказ шт 87 ₽87 ₽
7
50-1601172-А Кронштейн отводки Под заказ -
8
50-1601203 Вилка Под заказ шт 120 ₽120 ₽
9
50-1601218 Шпонка Под заказ -
10
М10x30 Болт Под заказ -
11
50-1601185-А Отводка В наличии шт 223 ₽223 ₽
12
986714КС17 Подшипник упорный Под заказ шт 434 ₽434 ₽
Содержащиеся в справочниках-каталогах запасные части и детали не предлагаются к продаже, а носят исключительно информационный характер


Наши преимущества