| № | Изображение | Артикул товара | Наименование | Наличие | Единица измерения | Количество | Цена | Корзина | |
|---|---|---|---|---|---|---|---|---|---|
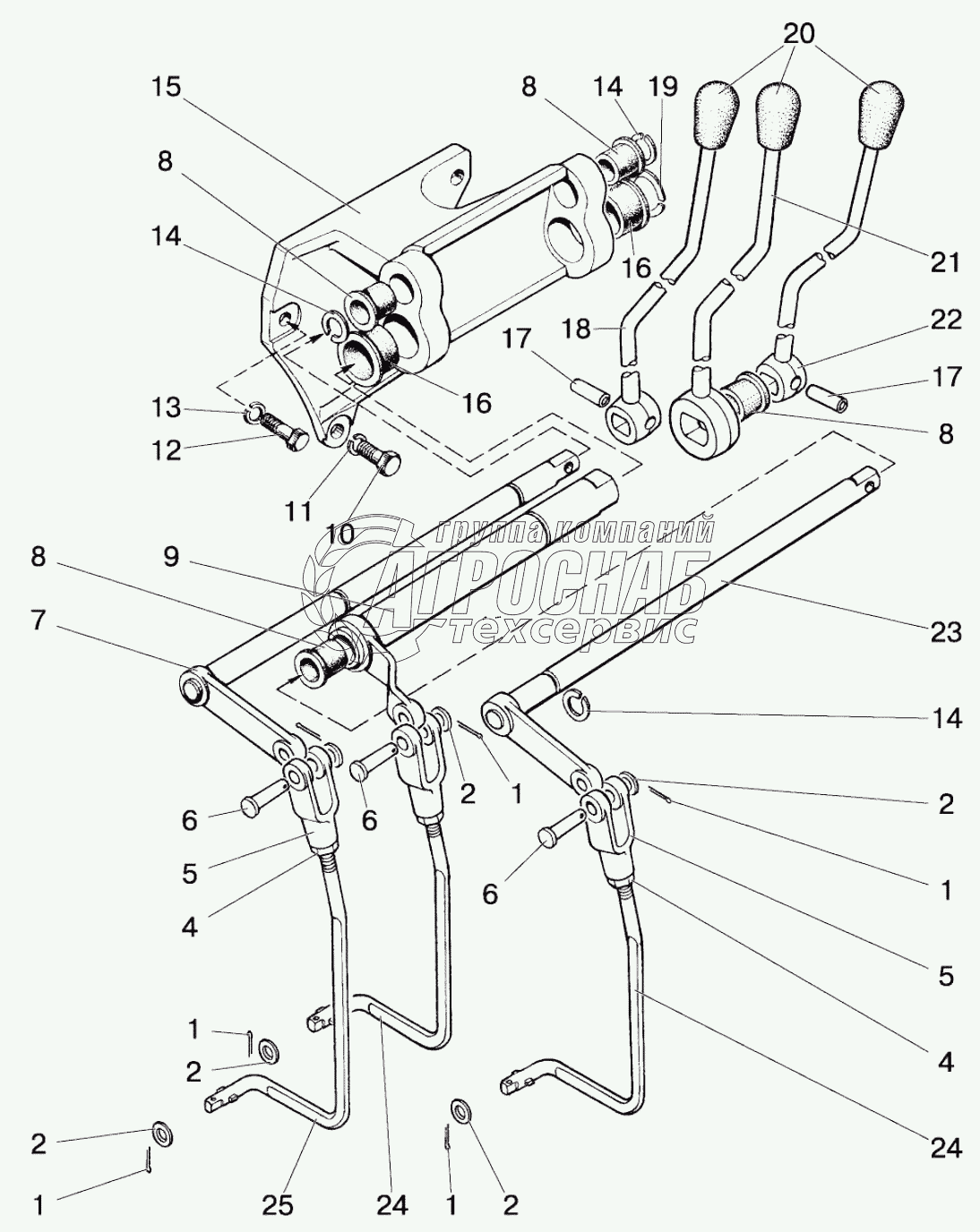
| 1 | 3,2х18.019 | Шплинт | Под заказ | - | |||||
| 2 | 70-4607144 | Шайба | Под заказ | - | |||||
| 3 | М8-6Н.6.019 | Гайка | В наличии | шт | 1 ₽1 ₽ | ||||
| 4 | A20-213A | Вилка | Под заказ | - | |||||
| 5 | A61-030-A1 | Палец | Под заказ | - | |||||
| 6 | 80-4607250 | Вал | Под заказ | - | |||||
| 7 | 50-4607078-A | Втулка | Под заказ | - | |||||
| 8 | 80-4607230 | Вал | Под заказ | - | |||||
| 9 | М12-6gx30.88.35.019 | Болт | Под заказ | - | |||||
| 10 | 12.ОТ | Шайба | Под заказ | - | |||||
| 11 | М10-6gx35.88.35.019 | Болт | Под заказ | - | |||||
| 12 | 10.ОТ | Шайба | Под заказ | - | |||||
| 13 | С18 | Кольцо | Под заказ | - | |||||
| 14 | 85-4607017 | Кронштейн | Под заказ | - | |||||
| 15 | 50-4607079-A1 | Втулка | Под заказ | - | |||||
| 16 | А.8х30.65Г | Штифт | Под заказ | - | |||||
| 17 | C80-4607080-01 | Рычаг | Под заказ | - | |||||
| 18 | С32 | Кольцо | Под заказ | - | |||||
| 19 | 70-3401093 | Наконечник | Под заказ | - | |||||
| 20 | C80-4607090 | Рычаг | Под заказ | - | |||||
| 21 | C80-4607080 | Рычаг | Под заказ | - | |||||
| 22 | 80-4607220 | Вал | Под заказ | - | |||||
| 23 | Р1221-4607261 | Тяга | Под заказ | - | |||||
| 24 | Р1221-46007261-01 | Тяга | Под заказ | - |