Каталог запасных частей к технике: МТЗ 952.5. Кран тормозной

Кран тормозной

zoom-in zoom-out enlarge shrink circle-right circle-left file-text2 info cart
2
3
4
4
5
6
7
8
8
9
10
10
12
12
14
15
Изображение Артикул товара Наименование Наличие Единица измерения Количество Цена Корзина
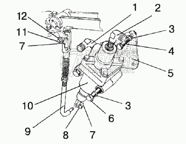
1
80М-3514005-02 Кран тормозной Под заказ -
2
1522-3514033 Угольник Под заказ -
3
70-3506033 Угольник Под заказ -
4
10ОТ Шайба ОСТ 37.001.115-75 Под заказ -
5
М10-6gх40.88.35.019 Болт Под заказ -
6
80М-3514109 Кронштейн Под заказ -
7
М10-6gх70.88.35.019 Болт Под заказ -
8
3,2х18.019 Шплинт Под заказ -
9
С.8.01.019 Шайба Под заказ -
10
80-3514130 Тяга Под заказ -
11
14.3514160 Тяга Под заказ -
12
А29.351.4010-02 Кран тормозной Под заказ -
13
80-3514010-02 Кран тормозной Под заказ -
14
12х40 Палец Под заказ -
15
С.12.01.019 Шайба Под заказ -
Содержащиеся в справочниках-каталогах запасные части и детали не предлагаются к продаже, а носят исключительно информационный характер


Наши преимущества