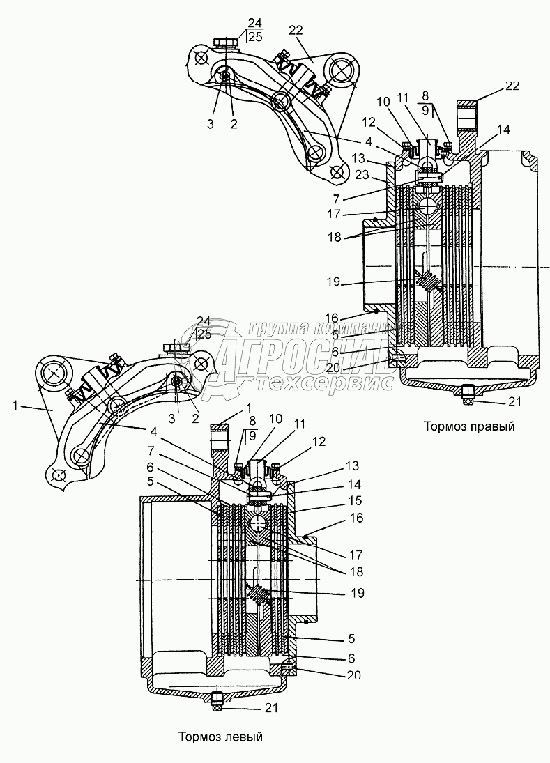
Каталог запасных частей к технике: МТЗ 952.5. Тормоза «мокрые» (левый/правый)

Тормоза «мокрые» (левый/правый)

zoom-in zoom-out enlarge shrink circle-right circle-left file-text2 info cart
3
3
4
4
5
5
6
6
7
7
7
9
9
9
9
9
9
9
9
9
9
16
16
17
17
18
18
19
19
20
20
21
21
22
22
23
23
24
25
25
26
26
28
28
29
29
30
30
31
31
32
32
33
34
34
35
35
Изображение Артикул товара Наименование Наличие Единица измерения Количество Цена Корзина
1
1221М-3502020 Тормоз левый Под заказ -
2
1221М-3502010 Тормоз правый Под заказ -
3
1221М-2409035 Корпус Под заказ -
4
М8-6Н.6.019 Гайка В наличии шт 1 ₽1 ₽
5
50-3502198 Палец Под заказ -
6
85-3502196 Тяга Под заказ -
7
1522-3502015-07 Диск Под заказ -
8
80М-3502037 Диск промежуточный Под заказ -
9
80М-3502037-07 Диск промежуточный Под заказ -
10
80М-3502037-06 Диск промежуточный Под заказ -
11
80М-3502037-05 Диск промежуточный Под заказ -
12
80М-3502037-04 Диск промежуточный Под заказ -
13
80М-3502037-03 Диск промежуточный Под заказ -
14
80М-3502037-02 Диск промежуточный Под заказ -
15
80М-3502037-01 Диск промежуточный Под заказ -
16
Палец12х32 Палец Под заказ -
17
М6-6gx12.88.35.019 Болт Под заказ -
18
Шайба Под заказ -
19
80М-3502202 Чехол Под заказ -
20
50-3502203 Вилка Под заказ шт 0 ₽
21
80М-3502204 Пластина Под заказ -
22
1221М-3502051 Прокладка Под заказ -
23
3,2х18.019 Шплинт Под заказ -
24
85М-2407059 Крышка стакана Под заказ -
25
ЦС110-1414045-4 Кольцо Под заказ -
26
22,225-100 Шарик Под заказ -
27
85-3502030-01 Диски нажимные Под заказ -
28
85-3502036-01 Диск нажимной Под заказ -
29
77.38.163 Пружина Под заказ -
30
В.М8-6gх25.58.019 Винт Под заказ -
31
ПККГ3/8dm Пробка Под заказ -
32
1221М-3502035 Корпус Под заказ -
33
85М-2407059-01 Крышка стакана Под заказ -
34
1221-1802091 Пробка резьбовая Под заказ -
35
Д18-055-А Шайба Под заказ -
Содержащиеся в справочниках-каталогах запасные части и детали не предлагаются к продаже, а носят исключительно информационный характер


Наши преимущества