| № | Изображение | Артикул товара | Наименование | Наличие | Единица измерения | Количество | Цена | Корзина | |
|---|---|---|---|---|---|---|---|---|---|
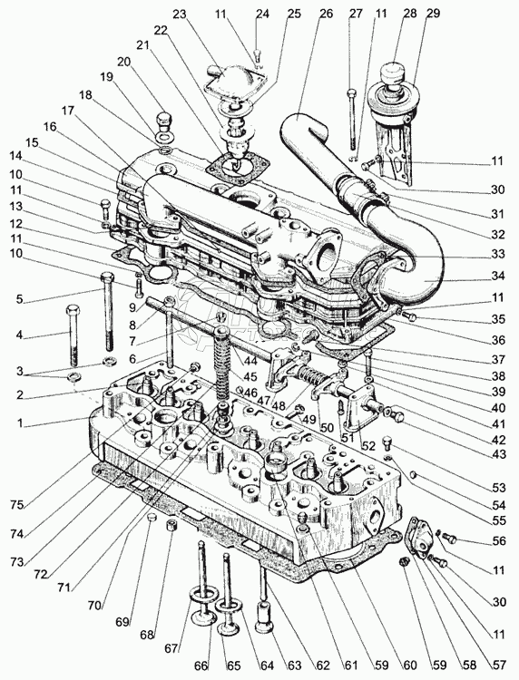
| 1 | 240-1007151-В | Стойка передняя | Под заказ | - | |||||
| 2 | 240-1007152-В | Стойка средняя вторая | Под заказ | - | |||||
| 3 | 245-1003012 | Головка цилиндров в сборе | В наличии | шт | 41 969 ₽41 969 ₽ | ||||
| 4 | 245-1003013-А-03 | Головка цилиндров | Под заказ | - | |||||
| 5 | 245-1003015-А-01 | Головка цилиндров | Под заказ | - | |||||
| 6 | 240-1007032-В-01 | Втулка направляющая | Под заказ | - | |||||
| 7 | 48-1002318 | Шайба | Под заказ | - | |||||
| 8 | 240-1002047-01 | Болт | В наличии | шт | 96 ₽96 ₽ | ||||
| 9 | 240-1002047 | Болт | В наличии | шт | 153 ₽153 ₽ | ||||
| 10 | 50-1003112 | Шпилька | Под заказ | - | |||||
| 11 | 50-1007053-А1 | Сухарь клапана | Под заказ | - | |||||
| 12 | М12 | Гайка | Под заказ | - | |||||
| 13 | 50-1007102-А | Ось | Под заказ | шт | 375 ₽375 ₽ | ||||
| 14 | М8х35 | Болт | Под заказ | - | |||||
| 15 | ШП8 | Шайба | Под заказ | - | |||||
| 16 | 240-1003108 | Прокладка | Под заказ | шт | 115 ₽115 ₽ | ||||
| 17 | 240-1003031 | Прокладка | Под заказ | - | |||||
| 18 | 240-1003109 | Прокладка | Под заказ | шт | 95 ₽95 ₽ | ||||
| 19 | 245-1003033-А-06 | Коллектор | Под заказ | - | |||||
| 20 | 245-1003122-02 | Колпак | Под заказ | - | |||||
| 21 | 2,5х10 | Штифт | Под заказ | - | |||||
| 22 | 50-1003107-А-01 | Кольцо | Под заказ | - | |||||
| 23 | 50-1003106 | Шайба | Под заказ | - | |||||
| 24 | 50-1003104-А | Гайка колпака | Под заказ | - | |||||
| 25 | 240-1002444-А | Прокладка | Под заказ | - | |||||
| 26 | 245-1014440 | Стакан | Под заказ | - | |||||
| 27 | 245-1002430-02 | Корпус сапуна | Под заказ | - | |||||
| 28 | М8х16 | Болт | Под заказ | - | |||||
| 29 | 245-1014445 | Маслоотражатель | Под заказ | - | |||||
| 30 | 245-2451003036-В | Патрубок | Под заказ | - | |||||
| 31 | М8х80 | Болт | Под заказ | - | |||||
| 32 | 240-3707200-01 | Пробка | Под заказ | - | |||||
| 33 | 245-3707220-А | Бачок с пробкой | Под заказ | - | |||||
| 34 | 242-3707140-А-01 | Бачок | Под заказ | - | |||||
| 35 | М8х20 | Болт | Под заказ | - | |||||
| 36 | 50-70 | Хомут фирмы Nоrmа | Под заказ | - | |||||
| 37 | 50-61-70-0,2 | Рукав | Под заказ | - | |||||
| 38 | 240-1003264-А | Прокладка | Под заказ | - | |||||
| 39 | 245-1003035-В | Патрубок | Под заказ | - | |||||
| 40 | М8х30 | Болт | Под заказ | - | |||||
| 41 | 245-1003030-08 | Крышка головки цилиндров | Под заказ | - | |||||
| 42 | 240-1003032-А-02 | Крышка | Под заказ | - | |||||
| 43 | 240-1007185 | Фиксатор | Под заказ | - | |||||
| 44 | М12х85 | Болт | Под заказ | - | |||||
| 45 | ШП10 | Шайба | Под заказ | - | |||||
| 46 | Д02-063 | Гайка | Под заказ | - | |||||
| 47 | ШЧ12 | Шайба | Под заказ | - | |||||
| 48 | 50-1007183 | Шайба пробки | Под заказ | - | |||||
| 49 | 50-1007182 | Пробка оси коромысел | Под заказ | - | |||||
| 50 | 240-1007048 | Тарелка | Под заказ | - | |||||
| 51 | 240-1007045-А1 | Пружина клапана | Под заказ | - | |||||
| 52 | Д02-003-А | Заглушка | Под заказ | - | |||||
| 53 | 240-1007152-В-01 | Стойка оси коромысел средняя | Под заказ | - | |||||
| 54 | 50-1007103-А | Пружина оси коромысел | Под заказ | - | |||||
| 55 | М12х35 | Болт | Под заказ | - | |||||
| 56 | 50-1007212-А3 | Коромысло | Под заказ | шт | 230 ₽230 ₽ | ||||
| 57 | 50-1007212-А4 | Коромысло клапана со втулкой | Под заказ | - | |||||
| 58 | 50-1007170-В | Винт регулировочный с гайкой | Под заказ | - | |||||
| 59 | 50-1007175-В1 | Винт регулировочный | Под заказ | - | |||||
| 60 | 240-1007151-В-01 | Стойка оси коромысел крайняя | Под заказ | - | |||||
| 61 | 240-1003281 | Пробка | Под заказ | - | |||||
| 62 | 240-1003037 | Заглушка | Под заказ | - | |||||
| 63 | 36-1104788-01 | Прокладка | Под заказ | - | |||||
| 64 | М8х25 | Болт | Под заказ | - | |||||
| 65 | 70-8115022-А | Патрубок | Под заказ | шт | 230 ₽230 ₽ | ||||
| 66 | 50-1015598 | Прокладка патрубка | Под заказ | - | |||||
| 67 | КГ 3/8 | Пробка | Под заказ | - | |||||
| 68 | Ф-4.118,3 | Кольцо | Под заказ | - | |||||
| 69 | 50-1003103-А | Стакан | Под заказ | - | |||||
| 70 | 240-1007310-В | Штанга | Под заказ | - | |||||
| 71 | 240-1007310-В1 | Штанга | Под заказ | - | |||||
| 72 | 240-1007375-А1 | Толкатель клапана | Под заказ | шт | 315 ₽315 ₽ | ||||
| 73 | 240-1007375-А | Толкатель | Под заказ | - | |||||
| 74 | 245-1003018 | Седло впускного клапана | Под заказ | - | |||||
| 75 | 240-1007015-В6 | Клапан выпускной | Под заказ | - | |||||
| 76 | 240-1007015-В7 | Клапан выпускной | Под заказ | - | |||||
| 77 | 240-1007014-В7 | Клапан впускной | Под заказ | - | |||||
| 78 | 240-1007014-В4 | Клапан впускной | Под заказ | - | |||||
| 79 | 245-1003019 | Седло выпускного клапана | Под заказ | - | |||||
| 80 | 240-1003029 | Втулка | Под заказ | - | |||||
| 81 | 240-1003027 | Заглушка | Под заказ | шт | 425 ₽425 ₽ | ||||
| 82 | 240-1007054 | Шайба | Под заказ | - | |||||
| 83 | 240-1007055 | Шайба | Под заказ | - | |||||
| 84 | 240-1007020 | Манжета | Под заказ | - | |||||
| 85 | 240-1007046-А1 | Пружина клапана | Под заказ | - | |||||
| 86 | 50-1003020-А2-01 | Прокладка | Под заказ | - | |||||
| 87 | М12х85 | Болт | Под заказ | - |