Каталог запасных частей к технике: МТЗ-100. Компрессор и установка компрессора

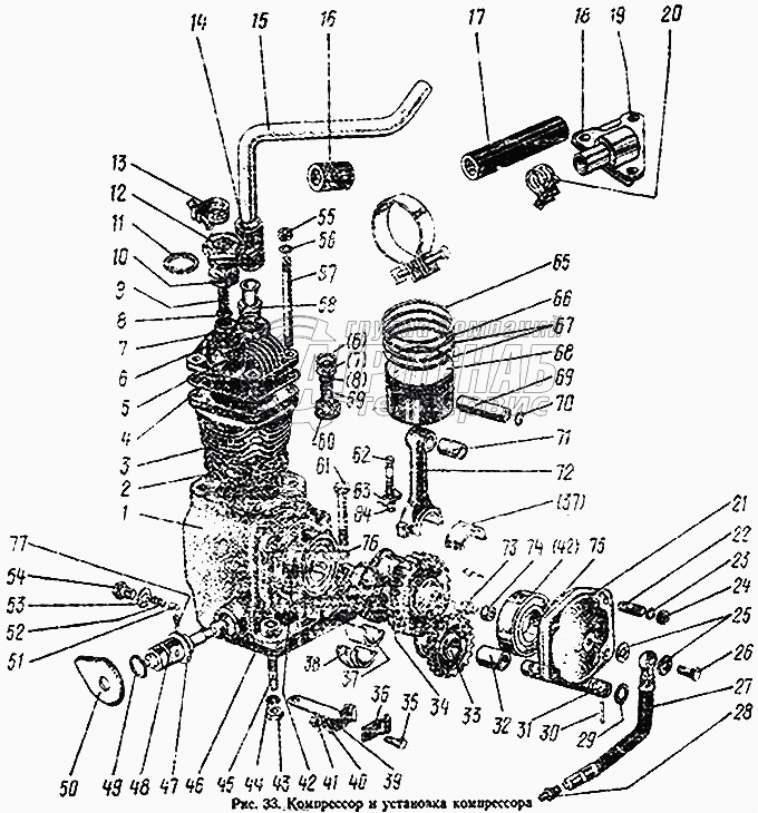
Компрессор и установка компрессора

zoom-in zoom-out enlarge shrink circle-right circle-left file-text2 info cart
7
8
9
10
11
12
12
13
13
14
14
15
16
17
18
19
20
21
22
23
24
25
26
27
28
29
30
31
32
33
34
35
36
37
38
39
40
41
42
43
43
44
45
46
47
48
48
49
50
51
52
53
54
55
56
57
58
59
60
61
70
62
63
64
65
66
67
68
69
61
70
71
72
73
74
75
76
77
78
79
80
81
82
83
Изображение Артикул товара Наименование Наличие Единица измерения Количество Цена Корзина
1
А29.01.050 Головка цилиндров в сборе Под заказ -
2
А29.01.250 Валик управления с кольцом и рычагом в сборе Под заказ -
3
А29.01.200 Шестерня со втулкой в сборе Под заказ -
4
А29.01.150 Шатун в сборе Под заказ -
5
А29.01.000 Компрессор в сборе В наличии шт 9 348 ₽9 348 ₽
5
А29.01.000 Компрессор в сборе В наличии шт 9 335 ₽9 335 ₽
6
А29.01.100 Поршень и шатун в сборе Под заказ -
7
А29.01.001 Картер Под заказ -
8
А29.01.006 Прокладка Под заказ -
9
А29.01.002 Цилиндр Под заказ -
10
А29.01.008 Прокладка Под заказ -
11
А29.01.051 Головка цилиндра Под заказ -
12
А29.01.057 Прокладка Под заказ -
13
А29.01.062 Седло клапана Под заказ -
14
А29.01.061 Клапан Под заказ -
15
А29.01.056 Пружина клапана Под заказ -
16
А29.01.052 Корпус клапана Под заказ -
17
А29.01.054 Прокладка Под заказ -
18
А29.01.053 Пробка Под заказ -
19
ХЧП10-01.019 Хомут Под заказ -
20
18-30-50-10 Рукав-деталь Под заказ -
21
245-3509350 Труба Под заказ -
22
245-3509214 Прокладка Под заказ -
23
18-30-155-10 Рукав-деталь Под заказ -
24
240-3509157 Прокладка Под заказ -
25
240-3509212-Б Патрубок Под заказ -
26
ХЧП10.019 Хомут стяжной Под заказ -
27
А29.01.003 Крышка Под заказ -
28
М8хТо/6gх18 Шпилька Под заказ -
29
ШП8 Шайба Под заказ -
30
М8 Гайка Под заказ -
31
36-1104788 Прокладка Под заказ -
32
240-3509233 Болт Под заказ -
33
240-3509150 Маслопровод Под заказ шт 161 ₽161 ₽
34
240-3509232 Штуцер Под заказ -
35
014-018-25-2-1 Кольцо Под заказ -
36
4С3х28 Штифт Под заказ -
37
А29.01.301 Ось шестерни Под заказ -
38
А29.01.202 Втулка Под заказ -
39
А29.01.201 Шестерня Под заказ -
40
А29.01.004 Вал коленчатый Под заказ -
41
М6х16 Винт Под заказ -
42
240-3509159 Скоба Под заказ -
43
А29.01.106 Вкладыш шатуна Под заказ -
44
А29.01.152 Крышка шатуна Под заказ -
45
240-3509158 Хомут Под заказ -
46
ШП6 Шайба Под заказ -
47
М6 Гайка Под заказ -
48
207 Шарикоподшипник Под заказ -
49
М10 Гайка Под заказ -
50
ШП10 Шайба Под заказ -
51
М10хТо/6gх28 Шпилька Под заказ -
52
240-3509037-А Прокладка Под заказ -
53
А29.01.016 Сухарик Под заказ -
54
А29.01.251 Валик Под заказ -
55
020-025-30-2-1 Кольцо Под заказ -
56
А29.01.252 Рычаг Под заказ -
57
А29.01.005 Фиксатор Под заказ -
58
310 Прокладка Под заказ -
59
А29.01.017 Прокладка Под заказ -
60
А29.01.018 Пробка Под заказ -
61
М8х1 Гайка Под заказ -
62
ШЧ8 Шайба Под заказ -
63
М8х1,25То/1-6х95 Шпилька Под заказ -
64
А29.01.059 Штуцер Под заказ -
65
А29.01.055 Пружина клапана Под заказ -
66
А29.01.058 Корпус клапана Под заказ -
67
А29.01.153 Болт Под заказ -
68
М10х65 Болт Под заказ -
69
А29.01.154 Шайба стопорная Под заказ -
70
М8х1 Гайка Под заказ -
71
А29.01.103 Кольцо компрессионное Под заказ -
72
А29.01.104 Кольцо компрессионное Под заказ -
73
А29.01.105 Кольцо маслосъемное Под заказ -
74
А29.01.101 Поршень Под заказ -
75
А29.01.107 Палец Под заказ -
76
А29.01.102 Кольцо стопорное Под заказ -
77
А29.01.155 Втулка Под заказ -
78
А29.01.151 Шатун Под заказ -
79
А29.01.013-А Пружина Под заказ -
80
А29.01.014 Уплотнитель Под заказ -
81
А29.01.009 Прокладка Под заказ -
82
А29.01.019 Уплотнитель крышки Под заказ -
83
3,2х40 Шплинт Под заказ -
Содержащиеся в справочниках-каталогах запасные части и детали не предлагаются к продаже, а носят исключительно информационный характер


Наши преимущества