| № | Изображение | Артикул товара | Наименование | Наличие | Единица измерения | Количество | Цена | Корзина | |
|---|---|---|---|---|---|---|---|---|---|
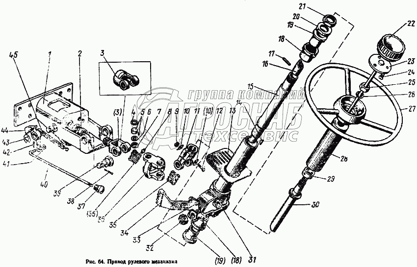
| 1 | 85-3401066-Б | Вилка (НД-80) | Под заказ | - | |||||
| 2 | 70-3401050-Б | Вал со штифтом и хвостовиком в сборе | Под заказ | - | |||||
| 3 | 85-3401080 | Труба с заклепкой и сектором в сборе | Под заказ | - | |||||
| 4 | 85-3401120-01 | Кронштейн | Под заказ | - | |||||
| 5 | 85-3401010-01 | Колонка рулевая для насоса-дозатора ОSРВ-100 и щитка приборов 80-3805010 в сборе | Под заказ | - | |||||
| 6 | 85-3401010-03 | Колонка рулевая для насоса-дозатора ОSРВ-100 и щитка приборов 80-3801010 в сборе | Под заказ | - | |||||
| 7 | 85-3401010 | Колонка рулевая для насоса-дозатора НД-80 и щитка приборов 80-3805010 в сборе | В наличии | шт | 8 266 ₽8 266 ₽ | ||||
| 8 | 85-3401170 | Колесо в сборе | Под заказ | - | |||||
| 9 | 85-3401150 | Кардан для ОSРВ-100 в сборе | В наличии | шт | 1 445 ₽1 445 ₽ | ||||
| 10 | 85-3401060 | Кардан для НД-80 в сборе | Под заказ | - | |||||
| 11 | 70-3401030 | Зажим в сборе | Под заказ | - | |||||
| 12 | 85-3401010-02 | Колонка рулевая для насоса-дозатора НД-80 и щитка приборов 80-3801010 в сборе | Под заказ | - | |||||
| 13 | 85-3401120 | Кронштейн | Под заказ | - | |||||
| 14 | 85-3401016 | Втулка | Под заказ | шт | 10 ₽10 ₽ | ||||
| 15 | 85-3401156-Б | Вилка (ОSРВ-100) | Под заказ | - | |||||
| 16 | Б19 | Кольцо | Под заказ | - | |||||
| 17 | 904700УС17 | Подшипник | Под заказ | - | |||||
| 18 | 50-3401064 | Сальник | Под заказ | - | |||||
| 19 | 50-3401063 | Обойма | Под заказ | - | |||||
| 20 | 1.1Ц6хр | Масленка | Под заказ | - | |||||
| 21 | М8 | Гайка | Под заказ | - | |||||
| 22 | 50-3401092 | Шайба | Под заказ | - | |||||
| 23 | 50-3401061-А-01 | Вилка | Под заказ | - | |||||
| 24 | М8х40 | Болт | Под заказ | - | |||||
| 25 | 70-3401094 | Пластина уплотнительная | Под заказ | - | |||||
| 26 | 5х10 | Шпонка сегментная | Под заказ | - | |||||
| 27 | 70-3401055 | Вал промежуточный | Под заказ | шт | 500 ₽500 ₽ | ||||
| 28 | 70-3401054-Б | Хвостовик вала | Под заказ | - | |||||
| 29 | 8Пр2,2ах38 | Штифт | Под заказ | - | |||||
| 30 | 70-3401077-Б | Амортизатор | Под заказ | - | |||||
| 31 | 70-3401076 | Втулка | Под заказ | шт | 27 ₽27 ₽ | ||||
| 32 | 70-3401078 | Гайка | Под заказ | - | |||||
| 33 | 70-3401079 | Контргайка | Под заказ | - | |||||
| 34 | 70-3401035 | Головка | Под заказ | - | |||||
| 35 | 70-3401140 | Пластина | Под заказ | - | |||||
| 36 | ТВ1М6х12 | Винт | Под заказ | - | |||||
| 37 | М16х1,5 | Гайка | Под заказ | шт | 14 ₽14 ₽ | ||||
| 38 | ШП16 | Шайба | Под заказ | - | |||||
| 39 | 66-3402015-02 | Колесо рулевое | Под заказ | - | |||||
| 40 | 85-3401171 | Чехол | Под заказ | - | |||||
| 41 | 70-1723032 | Втулка | Под заказ | - | |||||
| 42 | 85-3401175 | Вал | Под заказ | - | |||||
| 43 | 85-3401020 | Труба | Под заказ | - | |||||
| 44 | 70-3003032 | Гайка | Под заказ | шт | 93 ₽93 ₽ | ||||
| 44 | 70-3003032 | Гайка | Под заказ | шт | 14 ₽14 ₽ | ||||
| 45 | 8х28 | Заклепка | Под заказ | - | |||||
| 46 | 85-3401160 | Сектор | Под заказ | - | |||||
| 47 | 50-3401062 | Крестовина | Под заказ | шт | 0 ₽ | ||||
| 48 | 85-3401067 | Вилка | Под заказ | - | |||||
| 49 | 70-3709012 | Ручка переключателя | Под заказ | - | |||||
| 50 | 4х36 | Шплинт | Под заказ | - | |||||
| 51 | 85-3401011 | Винт | Под заказ | - | |||||
| 52 | 85-3401001 | Тяга | Под заказ | - | |||||
| 53 | ШЧ6 | Шайба | Под заказ | - | |||||
| 54 | 1,6х12 | Шплинт | Под заказ | - | |||||
| 55 | ШП15 | Шайба | Под заказ | - | |||||
| 56 | 85-3401014 | Фиксатор | Под заказ | - | |||||
| 57 | 50-1310158-Б | Пружина | Под заказ | - |