| № | Изображение | Артикул товара | Наименование | Наличие | Единица измерения | Количество | Цена | Корзина | |
|---|---|---|---|---|---|---|---|---|---|
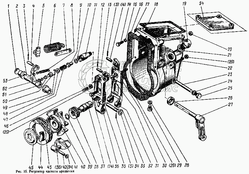
| 1 | УТН-5-1110160-Е | Груз со втулкой в сборе | Под заказ | - | |||||
| 2 | УТН-5-1110021-Б | Втулка | Под заказ | - | |||||
| 3 | УТН-5-1110240-И | Ступица в сборе | Под заказ | - | |||||
| 4 | УТН-5-1110200-В | Рычаг УТН-5-1110195-К со втулкой в сборе | Под заказ | - | |||||
| 5 | УТН-5-1110290-А | Рычаг УТН-5-1110274-А со втулкой в сборе | Под заказ | - | |||||
| 6 | УТН-5-1110274-А | Рычаг | Под заказ | - | |||||
| 7 | УТН-5А-1110010-В | Регулятор в сборе | Под заказ | - | |||||
| 8 | 4УТНМ-Т-1110010-01 | Регулятор в сборе | Под заказ | - | |||||
| 9 | УТН-5-1110144-Б | Муфта | Под заказ | - | |||||
| 10 | УТН-5-1110230-В3 | Корректор в сборе | Под заказ | - | |||||
| 11 | УТН-5-1110020-В1 | Корпус в сборе | Под заказ | - | |||||
| 12 | 4УТНМ-Т-1110020 | Корпус в сборе | Под заказ | - | |||||
| 13 | УТН-5-1110025-И | Корпус | Под заказ | - | |||||
| 14 | УТН-5-1110302-А | Прокладка | Под заказ | - | |||||
| 15 | 17-071 | Заглушка | Под заказ | - | |||||
| 16 | УТН-5-1110155-Г5 | Рычаг | Под заказ | - | |||||
| 17 | 2х10 | Шплинт | Под заказ | - | |||||
| 18 | ОНМ-087 | Палец | Под заказ | - | |||||
| 19 | УТН-5-1110171-Г | Серьга | Под заказ | - | |||||
| 20 | УТН-5-1110187-Д | Пружина | Под заказ | - | |||||
| 21 | УТН-5-1110304 | Тяга | Под заказ | - | |||||
| 22 | УТН-5-1110193 | Пружина | Под заказ | - | |||||
| 23 | УТН-5-1110233-Б2 | Шток | Под заказ | - | |||||
| 24 | УТН-5-1110232 | Прокладка | Под заказ | - | |||||
| 25 | УТН-5-1110231-Б | Корпус | Под заказ | - | |||||
| 26 | 2х16 | Шплинт | Под заказ | - | |||||
| 27 | УТН-5-1110403 | Палец | Под заказ | - | |||||
| 28 | М6х20 | Винт | Под заказ | - | |||||
| 29 | ШП6 | Шайба | Под заказ | - | |||||
| 30 | УТН-5-1110303 | Прокладка | Под заказ | - | |||||
| 31 | 4УТНМ-Т-1110025 | Корпус | Под заказ | - | |||||
| 32 | 4УТНМ-Т-1110302 | Прокладка | Под заказ | - | |||||
| 33 | УТН-5-1110411 | Пробка | Под заказ | - | |||||
| 34 | М6 | Гайка | Под заказ | - | |||||
| 35 | УТН-5-1110412 | Прокладка | Под заказ | - | |||||
| 36 | УТН-5-1110401-Б3 | Винт | Под заказ | - | |||||
| 37 | Д40-1110365-Б | Ось | Под заказ | - | |||||
| 38 | Д40-1110386-А | Прокладка | Под заказ | - | |||||
| 39 | УТН-5-1110409 | Заглушка | Под заказ | - | |||||
| 40 | 1.1-10х22-3 | Манжета | Под заказ | - | |||||
| 41 | УТН-5-1110308-Д | Рычаг управления | Под заказ | - | |||||
| 42 | ОНМ-086-1 | Прокладка | Под заказ | - | |||||
| 43 | ОНМ-019-2 | Болт | Под заказ | - | |||||
| 44 | 4УТНМ-Т-1110274-10 | Рычаг | Под заказ | - | |||||
| 45 | УТН-3-1110026 | Упор | Под заказ | - | |||||
| 46 | ОНМ-170 | Втулка | Под заказ | - | |||||
| 47 | УТН-5-1110191 | Ось ролика | Под заказ | - | |||||
| 48 | УТН-5-1110242-Б | Шайба | Под заказ | - | |||||
| 49 | УТН-5-1110195-К | Рычаг | Под заказ | - | |||||
| 50 | УТН-5-1110166 | Втулка | Под заказ | - | |||||
| 51 | 4УТНМ-Т-1110144-10 | Муфта | Под заказ | - | |||||
| 52 | 7204А | Подшипник | Под заказ | - | |||||
| 53 | УТН-3-1110311-Б | Кольцо | Под заказ | - | |||||
| 54 | УТН-5-1110240 | Ступица | Под заказ | - | |||||
| 55 | УТН-5-1110165-Е | Груз | Под заказ | - | |||||
| 56 | УТН-5-1110241 | Ось грузов | Под заказ | - | |||||
| 57 | 8110 | Шарикоподшипник ГОСТ 6874-75 | Под заказ | шт | 330 ₽330 ₽ | ||||
| 58 | 236-1110517-Б | Сухарь | Под заказ | - | |||||
| 59 | УТН-5-1110251-Г2 | Шайба | Под заказ | - | |||||
| 60 | УТН-5-1110196-А | Шпилька | Под заказ | - | |||||
| 61 | УТН-5-1110234-Д | Пружина | Под заказ | - | |||||
| 62 | УТН-5-1110238-А1 | Тарелка | Под заказ | - | |||||
| 63 | УТН-5-1110237 | Скоба | Под заказ | - | |||||
| 64 | УТН-5-1110235-Б2 | Винт | Под заказ | - | |||||
| 65 | М5х12 | Болт | Под заказ | - | |||||
| 66 | УТН-5-1110156 | Шайба | Под заказ | - | |||||
| 67 | 4УТНМ-1110021 | Втулка | Под заказ | - | |||||
| 68 | УТН-5-1110301-Д | Крышка | Под заказ | - |