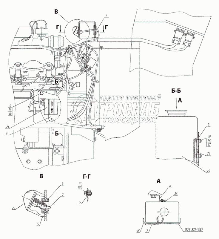
Каталог запасных частей к технике: МТЗ-1021.3. Стеклоомыватель

Стеклоомыватель

zoom-in zoom-out enlarge shrink circle-right circle-left file-text2 info cart
1
2
3
3
4
4
4
5
5
5
6
7
8
9
10
11
12
13
14
15
16
16
16
17
Изображение Артикул товара Наименование Наличие Единица измерения Количество Цена Корзина
1
920-5208010 Установка стеклоомывателя Под заказ -
2
70-3723042-01 Втулка Под заказ -
3
80-5208011-А Фланец Под заказ -
4
80-5208013-Б Кронштейн Под заказ -
5
923-5208002-02 Трубка Под заказ -
6
М8-6gx14.88.35.019 Болт Под заказ -
7
В.М4-6gx8.58.019 Винт Под заказ -
8
В.М6-6gx12.58.019 Винт Под заказ -
9
М4-6Н.6.019 Гайка Под заказ -
10
С 8.01.019 Шайба Под заказ -
11
920-3724224 Провод Под заказ -
12
4 Шайба ОСТ 37.001.115-75 Под заказ -
13
Шайба Под заказ -
14
Шайба Под заказ -
15
5208.10 Жиклер Под заказ -
16
122.5208 304 Кронштейн Под заказ -
17
122.5208 000 Омыватель электрический Под заказ -
Содержащиеся в справочниках-каталогах запасные части и детали не предлагаются к продаже, а носят исключительно информационный характер


Наши преимущества