| № | Изображение | Артикул товара | Наименование | Наличие | Единица измерения | Количество | Цена | Корзина | |
|---|---|---|---|---|---|---|---|---|---|
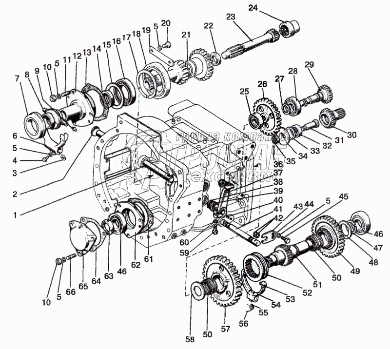
| 1 | 80-1601050-01 | Вал | Под заказ | - | |||||
| 2 | 80-1601070 | Шестерня с кольцом и подшипником в сборе | Под заказ | - | |||||
| 3 | 80-1601160 | Вал с подшипниками в сборе | Под заказ | - | |||||
| 4 | 80-1601040 | Стакан с гайкой в сборе | Под заказ | - | |||||
| 5 | 80-1601190 | Вилка со штифтом в сборе | Под заказ | - | |||||
| 6 | 80-1601030-01 | Кронштейн отводки | Под заказ | - | |||||
| 7 | 85-1601150 | Вал в сборе | Под заказ | - | |||||
| 8 | 85-1601215 | Вал | Под заказ | шт | 0 ₽ | ||||
| 9 | 50-1601022 | Заглушка | Под заказ | - | |||||
| 10 | 50-1601218 | Шпонка | Под заказ | - | |||||
| 11 | M10-6gx30.88.35.019 | Болт | Под заказ | - | |||||
| 12 | 10 ОТ | Шайба | Под заказ | - | |||||
| 13 | 85-1601203 | Вилка | Под заказ | шт | 0 ₽ | ||||
| 14 | 986714 КС17 | Подшипник упорный | Под заказ | - | |||||
| 15 | 50-1601180-А | Отводка с масленкой и подшипником упорным в сборе | В наличии | шт | 1 285 ₽1 285 ₽ | ||||
| 16 | 50-1601185-А | Отводка | В наличии | шт | 223 ₽223 ₽ | ||||
| 17 | 1.1 .Ц9.хр | Масленка | Под заказ | - | |||||
| 18 | М10-6Н.6.019 | Гайка | Под заказ | - | |||||
| 19 | М10 3р/6gx25.66.019 | Шпилька | Под заказ | - | |||||
| 20 | 85-1601172 | Кронштейн | Под заказ | - | |||||
| 21 | 80-1601173 | Прокладка | Под заказ | - | |||||
| 22 | 240-1002055 | Манжета 2.1-50х70-4 | Под заказ | - | |||||
| 23 | 80-1601319 | Шайба | Под заказ | - | |||||
| 24 | 115К5 | Подшипник | Под заказ | - | |||||
| 25 | С105 | Кольцо | В наличии | шт | 63 ₽63 ₽ | ||||
| 26 | 76-1000921 | Подшипник | Под заказ | - | |||||
| 27 | 80-1601318 | Планка | Под заказ | - | |||||
| 28 | М10-6gx25.88.35.019 | Болт | Под заказ | - | |||||
| 29 | 85-1601026 | Вал | Под заказ | шт | 9 976 ₽9 976 ₽ | ||||
| 30 | 2.2-38x58-1 | Манжета | Под заказ | - | |||||
| 31 | 80-1601113-01 | Вал | Под заказ | шт | 2 022 ₽2 022 ₽ | ||||
| 32 | 80С-1601061 | Втулка | Под заказ | шт | 5 124 ₽5 124 ₽ | ||||
| 33 | 305А | Подшипник | Под заказ | - | |||||
| 34 | 80-1601357-Б | Шестерня | Под заказ | шт | 10 000 ₽10 000 ₽ | ||||
| 35 | С35 | Кольцо | Под заказ | - | |||||
| 36 | 207 | Шарикоподшипник | Под заказ | - | |||||
| 37 | 80-1601071-Б | Шестерня | Под заказ | шт | 9 500 ₽9 500 ₽ | ||||
| 38 | 80-1601182 | Шестерня | Под заказ | шт | 3 900 ₽3 900 ₽ | ||||
| 39 | 80-1601180 | Шестерня 80-1601182 с осью, подшипником и кольцом в сборе | Под заказ | - | |||||
| 40 | 80-1601181 | Ось | Под заказ | - | |||||
| 41 | 204А | Подшипник | Под заказ | - | |||||
| 42 | С47 | Кольцо | Под заказ | шт | 0 ₽ | ||||
| 43 | 80-1601356 | Шайба упорная | Под заказ | - | |||||
| 44 | 70-3003032 | Гайка | Под заказ | шт | 93 ₽93 ₽ | ||||
| 44 | 70-3003032 | Гайка | Под заказ | шт | 14 ₽14 ₽ | ||||
| 45 | 3,2x25.019 | Шплинт | Под заказ | - | |||||
| 46 | 80-1601219-Б | Рычаг | В наличии | шт | 823 ₽823 ₽ | ||||
| 47 | 80-4608024 | Кольцо | Под заказ | - | |||||
| 48 | 36-1601016 | Корпус пылеотражателя | Под заказ | - | |||||
| 49 | СШ-611 | Шпонка | Под заказ | - | |||||
| 50 | 85-1601111 | Валик | Под заказ | - | |||||
| 51 | 020-025-30-1-4 | Кольцо | Под заказ | - | |||||
| 52 | 85-1601099 | Пластина | Под заказ | - |