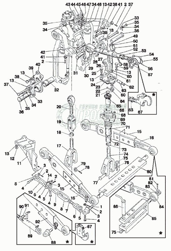
Каталог запасных частей к технике: МТЗ-1025.4. Механизм задней навески

Механизм задней навески

zoom-in zoom-out enlarge shrink circle-right circle-left file-text2 info cart
9
10
10
11
12
14
15
15
15
15
15
16
16
16
17
17
17
17
18
18
18
18
19
20
21
22
23
24
25
26
27
27
27
27
27
27
27
28
29
30
31
31
32
33
34
35
36
37
38
39
40
41
42
43
44
45
46
47
48
49
49
50
50
50
50
51
51
51
52
52
53
53
54
54
55
56
57
57
58
58
59
60
61
62
63
64
65
66
67
68
69
69
70
71
72
73
74
75
76
77
78
78
79
80
81
82
83
84
85
86
87
88
89
90
91
92
93
94
94
95
96
97
98
99
100
101
102
103
104
105
106
107
108
109
110
111
112
113
114
115
116
117
118
Изображение Артикул товара Наименование Наличие Единица измерения Количество Цена Корзина
1
822-4605010 Устройство навесное Под заказ -
2
А61.03.000 Тяга в сборе Под заказ шт 2 726 ₽2 726 ₽
2
А61.03.000 Тяга в сборе Под заказ шт 2 187 ₽2 187 ₽
3
А61.03.000-01 Тяга верхняя Под заказ -
4
80-4605690 Тяга верхняя Под заказ -
5
1220-4605150-Б-01 Раскос регулируемый Под заказ -
6
1220-4605610-01 Раскос регулируемый Под заказ -
7
1220-4605012-Б Раскос винтовой Под заказ -
8
1220-4605612-01 Раскос винтовой Под заказ -
9
1220-4605030-Б-02 Тяга L=38 мм Под заказ -
10
1220-4605030-Б-04 Тяга L=45 мм Под заказ -
11
1220-4605580 Стяжка Под заказ -
12
822-4605085 Поперечина Под заказ -
13
80-4605280 Стяжка телескопическая Под заказ -
14
1220-4605108-01 Проушина В наличии шт 1 406 ₽1 406 ₽
15
3,2x25.019 Шплинт Под заказ -
16
М12-6Н.04.019 Гайка Под заказ -
17
50-4605086 Болт серьги Под заказ шт 92 ₽92 ₽
18
А61.09.002 Серьга В наличии шт 190 ₽190 ₽
19
1220-4605058 Винт Под заказ -
20
М20-6Н.04.019 Гайка Под заказ -
21
А61.04.003-01 Стяжка Под заказ -
22
1220-4605058-01 Винт Под заказ -
23
40-4605098 Кольцо Под заказ -
24
80-4605091 Кронштейн левый Под заказ -
25
80-4605091-01 Кронштейн левый Под заказ -
26
М16x1,5-61-1.6.019 Гайка Под заказ -
27
16 ОТ Шайба Под заказ -
28
Н50-4605060 Цепочка с кольцом Под заказ -
29
1220-4605050-Б-01 Тяга Под заказ -
30
1220-4605040 Тяга Под заказ -
31
1220-4605040-02 Тяга Под заказ -
32
1220-4605200-Б Вилка Под заказ -
33
1220-4605620-Б Вилка Под заказ -
34
142-4605424 Контргайка Под заказ -
35
142-4605422 Стяжка Под заказ -
36
1220-4605075 Винт Под заказ -
37
142-4605403 Ограничитель Под заказ -
38
А61.01.005 Заклепка Под заказ -
39
142-4605421 Прокладка Под заказ -
40
142-4605418-Б Крышка Под заказ -
41
142-4605408 Болт Под заказ -
42
1220-4605668-Б Серьга Под заказ -
43
1220-4605501 Кронштейн правый Под заказ -
44
А61.02.100-03 Винт Под заказ -
45
А61.05.005 Чека Под заказ -
46
А61.05.004 Кольцо Под заказ -
47
А61.10.001-02 Палец Под заказ -
48
1220-4605502 Втулка Под заказ -
49
1220-4605504 Пластина Под заказ -
50
12 ОТ Шайба Под заказ -
51
M12-6gx25.88.35.019 Болт Под заказ -
52
1220-4605503 Палец Под заказ -
53
70-2800016-01 Болт Под заказ -
54
1220-4605506 Болт Под заказ -
55
1220-4605507 Штифт Под заказ -
56
1220-4605501-01 Кронштейн левый Под заказ -
57
М20х1,5-6Н.04.019 Гайка Под заказ -
58
142-4605076 Палец Под заказ -
59
1220-4605675 Кронштейн Под заказ -
60
50-4605069 Втулка Под заказ -
61
M12-6gx35.88.35.019 Болт Под заказ -
62
С 12.01.019 Шайба Под заказ -
63
А61.07.002 Пружина Под заказ -
64
М12-6Н.6.019 Гайка Под заказ -
65
А61.01.016 Ось Под заказ -
66
А.61.01.600 Вал Под заказ -
67
А61.01.400 Вилка Под заказ -
68
А61.03.100 Труба Под заказ -
69
А61.02.003 Контргайка Под заказ -
70
А61.03.001-02 Палец Под заказ -
71
А61.03.001-01 Палец диаметр 25 мм Под заказ -
72
А61.03.002 Кольцо Под заказ -
73
А61.02.100-04 Винт Под заказ -
74
А61.02.100-05 Винт диаметр 25 Под заказ -
75
А61.05.100 Чека 9 звеньев Под заказ -
76
А61.01.014 Рукоятка Под заказ -
77
M16-6gx40.88.35.019 Болт Под заказ -
78
А61.01.017 Втулка Под заказ -
79
016-021-30-2-4 Кольцо Под заказ -
80
142-4605431 Кольцо Под заказ -
81
142-4605404-Б Палец Под заказ -
82
142-4605413 Шестерня Под заказ -
83
142-4605425 Труба Под заказ -
84
8210 Подшипник Под заказ -
85
80-4605685 Захват Под заказ -
86
1.3.Ц9.хр Масленка Под заказ -
87
142-4605415 Корпус Под заказ -
88
142-4605402 Втулка Под заказ -
89
142-4605407 Труба Под заказ -
90
142-4605406 Колпак Под заказ -
91
142-4605401 Ограждение Под заказ -
92
1220-4605100-Б Вилка Под заказ -
93
1220-4605615 Вилка Под заказ -
94
А61.07.001 Шплинт Под заказ -
95
50-3503071 Шайба Под заказ -
96
1220-4605084 Палец Под заказ -
97
1220-4605084-01 Палец Под заказ -
98
5x36.019 Шплинт Под заказ -
99
70-4605316 Гайка упорная Под заказ -
100
1220-4605025 Поперечина В наличии шт 15 768 ₽15 768 ₽
101
5x45.019 Шплинт Под заказ -
102
А04.02.020 Гайка Под заказ -
103
80-4605068 Шайба Под заказ -
104
822-4605060 Наконечник Под заказ -
105
822-4605065 Поперечина Под заказ -
106
822-4605070 Шкворень Под заказ -
107
1220-4605630-04 Тяга правая без цепочки Под заказ -
108
1220-4605630-05 Тяга правая с цепочкой Под заказ -
109
1220-4605635-04 Тяга левая без цепочки Под заказ -
110
1220-4605635-05 Тяга левая с цепочкой Под заказ -
111
1220-4605108 Проушина В наличии шт 2 276 ₽2 276 ₽
112
80-4605285-Б Труба Под заказ -
113
80-4605284 Винт Под заказ -
114
80-4605292 Защелка Под заказ -
115
1220-4605530-04 Тяга без цепочки Под заказ -
116
1220-4605530-05 Тяга с цепочкой Под заказ -
117
1220-4605530-06 Тяга без цепочки Под заказ -
118
1220-4605530-07 Тяга с цепочкой Под заказ -
Содержащиеся в справочниках-каталогах запасные части и детали не предлагаются к продаже, а носят исключительно информационный характер


Наши преимущества