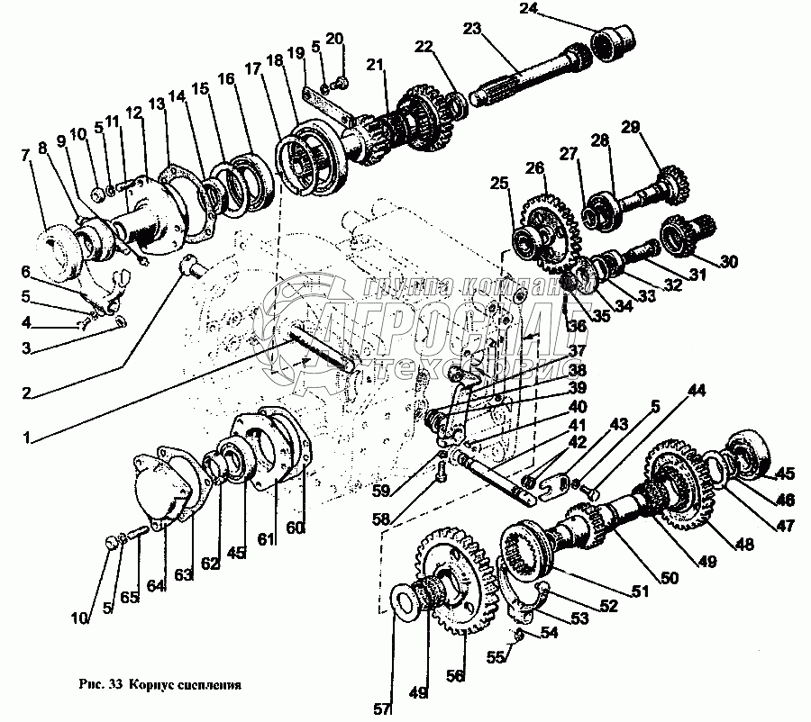
Каталог запасных частей к технике: МТЗ-1221. Корпус сцепления

Корпус сцепления

zoom-in zoom-out enlarge shrink circle-right circle-left file-text2 info cart
9
10
11
12
13
13
13
13
13
14
15
16
17
18
18
19
20
21
22
23
24
25
26
27
28
29
30
31
33
34
35
36
37
38
39
40
41
42
43
44
45
46
47
48
49
50
51
52
53
53
54
55
56
57
57
58
59
60
61
62
63
64
65
66
67
68
69
70
71
72
73
Изображение Артикул товара Наименование Наличие Единица измерения Количество Цена Корзина
1
80-1601160 Вал с подшипниками в сборе Под заказ -
2
80-1601050 Вал в сборе Под заказ -
3
80-1601180 Шестерня 80-1601182 с осью, подшипником и кольцом в сборе Под заказ -
4
80-1601070 Шестерня с кольцом и подшипником в сборе Под заказ -
5
80-1601040 Стакан с гайкой в сборе Под заказ -
6
85-1601030 Кронштейн с манжетой в сборе Под заказ -
7
50-1601180-А Отводка с масленкой и подшипником упорным в сборе В наличии шт 1 285 ₽1 285 ₽
8
80-1601190 Вилка со штифтом в сборе Под заказ -
9
85-1601215 Вал Под заказ шт 0 ₽
10
35-005 Заглушка Под заказ -
11
50-1601218 Шпонка Под заказ -
12
М10х30 Болт Под заказ -
13
SНР10 Шайба Под заказ -
14
85-1601203 Вилка Под заказ шт 0 ₽
15
986714КS17 Подшипник упорный Под заказ -
16
50-1601185-А Отводка В наличии шт 223 ₽223 ₽
17
1.1.С6.hr Масленка Под заказ -
18
М10 Гайка Под заказ -
19
М10х3Р/6х25 Шпилька Под заказ -
20
85-1601172 Кронштейн Под заказ -
21
80-1601173 Прокладка Под заказ -
22
240-1002055 Манжета 2.1-50х70-4 Под заказ -
23
80-1601319 Шайба Под заказ -
24
115К5 Подшипник Под заказ -
25
В105 Кольцо Под заказ -
26
5-1000921 Подшипник Под заказ -
27
80-1601318 Планка Под заказ -
28
М10х25 Болт Под заказ -
29
80-1601026 Вал Под заказ -
30
2.2-38х58-1 Манжета Под заказ -
31
85-1601113 Вал Под заказ -
32
80S-1601061 Втулка Под заказ -
33
305А Подшипник Под заказ -
34
80-1601357 Шестерня Под заказ -
35
2В35 Кольцо Под заказ -
36
207 Шарикоподшипник Под заказ -
37
80-1601071 Шестерня Под заказ -
38
80-1601182 Шестерня Под заказ шт 3 900 ₽3 900 ₽
39
80-1601181 Ось Под заказ -
40
204А Подшипник Под заказ -
41
В47 Кольцо Под заказ -
42
80-1601356 Шайба упорная Под заказ -
43
70-3003032 Гайка Под заказ шт 93 ₽93 ₽
43
70-3003032 Гайка Под заказ шт 14 ₽14 ₽
44
3,2х25-001 Шплинт Под заказ -
45
85-1601217 Рычаг Под заказ -
46
SР-38-25-8 Кольцо Под заказ -
47
36-1601016 Корпус пылеотражателя Под заказ -
48
6х11 Шпонка сегментная Под заказ -
49
85-1601111 Валик Под заказ -
50
020-025-30-1-6 Кольцо Под заказ -
51
85-1601099 Пластина Под заказ -
52
М10х20 Болт Под заказ -
53
209А Подшипник Под заказ -
54
2V50 Кольцо Под заказ -
55
80-1601083 Шайба Под заказ -
56
80-1601086 Шестерня Под заказ -
57
664910Е Подшипник Под заказ -
58
80-1601021 Вал Под заказ -
59
112-1701343 Муфта Под заказ шт 0 ₽
60
70-1601114 Штифт Под заказ -
61
80-1601191 Вилка Под заказ -
62
50-4604046 Болт вилки Под заказ -
63
1,0SН150 Проволока Под заказ -
64
80-1601088 Шестерня Под заказ -
65
80-1601082 Шайба Под заказ -
66
М12х35 Болт Под заказ -
67
SНР12 Шайба Под заказ -
68
80-1601091 Прикладка Под заказ -
69
80-1601041 Стакан Под заказ -
70
80-1701045 Гайка Под заказ -
71
80-1601092 Прокладка Под заказ -
72
80-1601089 Крышка Под заказ -
73
М10х3Р/6х35 Шпилька Под заказ -
Содержащиеся в справочниках-каталогах запасные части и детали не предлагаются к продаже, а носят исключительно информационный характер


Наши преимущества