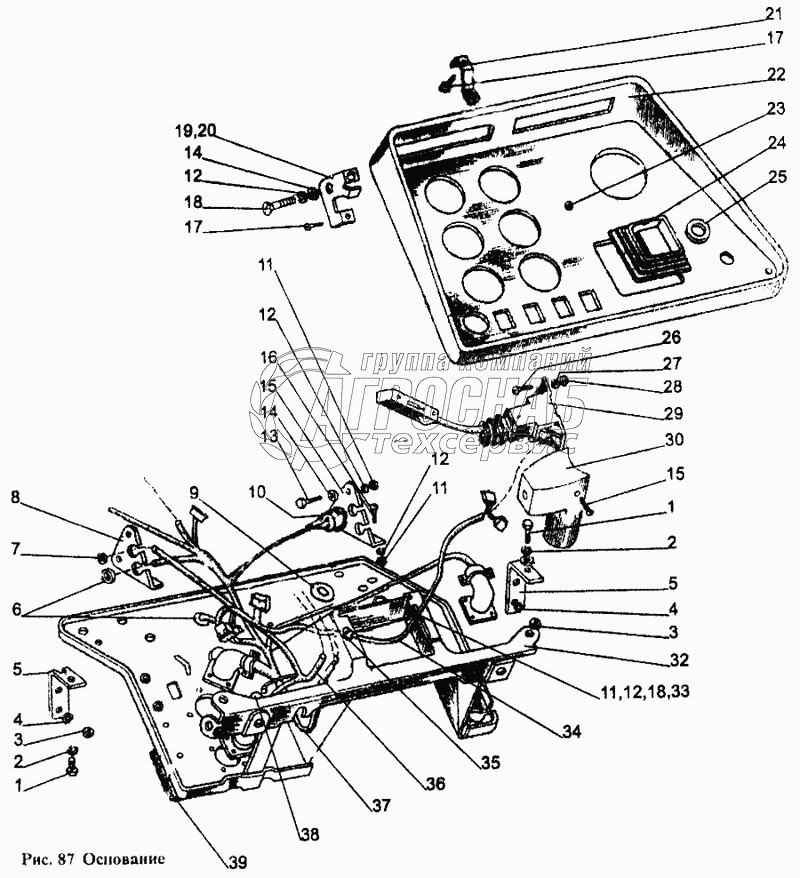
Каталог запасных частей к технике: МТЗ-1221. Основание

Основание

zoom-in zoom-out enlarge shrink circle-right circle-left file-text2 info cart
1
1
2
2
3
3
4
4
5
5
6
7
8
9
10
11
11
11
12
12
12
12
13
14
14
15
15
16
17
17
18
18
19
20
21
22
23
24
25
26
27
28
29
30
32
33
34
35
38
36
37
35
38
39
Изображение Артикул товара Наименование Наличие Единица измерения Количество Цена Корзина
1
М8х16 Болт Под заказ -
2
SНР8 Шайба Под заказ -
3
М10 Гайка Под заказ -
4
SНР10 Шайба Под заказ -
5
80-3805030 Кронштейн Под заказ -
6
70-3723042-02 Втулка Под заказ -
7
70-3723042-01 Втулка Под заказ -
8
80-3805043 Кронштейн Под заказ -
9
80-3723049 Втулка Под заказ -
10
RS492 Реле-прерыватель Под заказ -
11
М6 Гайка Под заказ -
12
SНР6 Шайба Под заказ -
13
М6х16 Винт Под заказ -
14
SНСН6 Шайба Под заказ -
15
80-3805040 Кронштейн Под заказ -
16
VМ6х12 Винт Под заказ -
17
VМ4х16 Винт Под заказ -
18
VМ6х18 Винт Под заказ -
19
80-3805035 Кронштейн правый Под заказ -
20
80-3805035-01 Кронштейн левый Под заказ -
21
80-3805015 Кронштейн Под заказ -
22
80-3805021 Щиток Под заказ -
23
80-3805064 Заглушка Под заказ -
24
80-38055012 Уплотнитель Под заказ -
25
80-3805016 Заглушка Под заказ -
26
VМ5х16 Винт Под заказ -
27
SНР5 Шайба Под заказ -
28
М5 Гайка Под заказ -
29
РКР-1 Переключатель указателей поворота, ближнего и дальнего света Под заказ -
30
80-3709023-V Кожух Под заказ -
31
SНСН8 Шайба Под заказ -
32
80-3805050 Основание Под заказ -
33
Р14.3723 Панель Под заказ -
34
80-3724250-В Жгут Под заказ -
35
50-4607064 Втулка Под заказ -
36
80-3724535В1 Жгут Под заказ -
37
80-3724390-V1 Жгут Под заказ -
38
50-4607064 Втулка Под заказ -
39
80-3805029 Уплотнитель Под заказ -
Содержащиеся в справочниках-каталогах запасные части и детали не предлагаются к продаже, а носят исключительно информационный характер


Наши преимущества