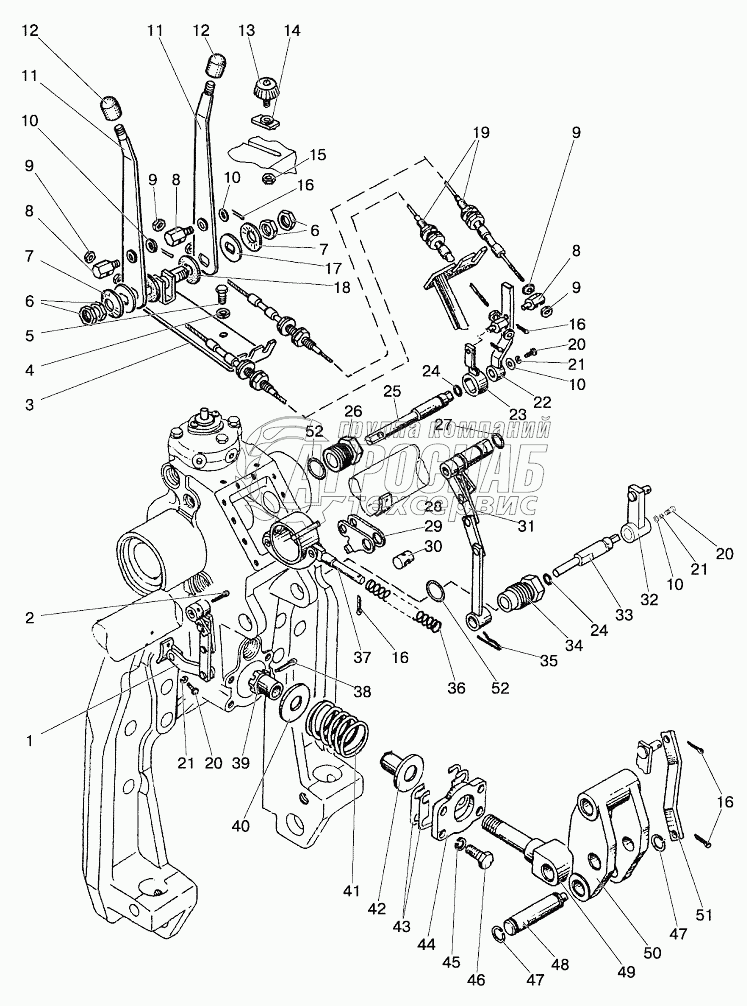
Каталог запасных частей к технике: МТЗ-1221 (2009). Гидроподъемник. Управление гидроподъемником

Гидроподъемник. Управление гидроподъемником

zoom-in zoom-out enlarge shrink circle-right circle-left file-text2 info cart
6
7
8
9
10
11
11
12
12
13
13
13
13
14
20
14
20
14
20
15
15
15
15
16
16
17
17
18
19
14
20
21
21
21
21
22
23
24
25
26
27
27
27
28
28
28
29
30
31
31
32
33
34
35
36
37
38
39
40
41
42
43
44
45
46
47
48
49
50
51
52
53
54
54
55
56
57
58
59
59
Изображение Артикул товара Наименование Наличие Единица измерения Количество Цена Корзина
1
1221-4635010 Гидроподъемник Под заказ -
2
820-4635005 Гидроподъемник Под заказ -
3
820-4635090-Б Кронштейн Под заказ -
4
820-4635020-A Датчик силовой Под заказ -
5
820-4635060 Звено суммирующее Под заказ -
6
820-4635025 Звено Под заказ -
7
3,2x25 Шплинт Под заказ -
8
820-4635095-Б Кронштейн Под заказ -
9
ШП8 Шайба Под заказ -
10
M8х20 Болт Под заказ -
11
M14x1,5 Гайка Под заказ -
12
80B-1108347 Пружина тарельчатая Под заказ -
13
80B-1108317 Бонка Под заказ -
14
M6 Гайка Под заказ -
15
ШЧ6 Шайба Под заказ -
16
820-4635100-Б Рычаг позиционный Под заказ -
17
A13.11.000 Рукоятка Под заказ -
18
80-4616070 Винт Под заказ -
19
820-4635082 Упор Под заказ -
20
M6 Гайка Под заказ -
21
3,2x18 Шплинт Под заказ -
22
80-1108028 Шайба Под заказ -
23
80-1108178 Шайба фрикционная Под заказ -
24
100.M4322.00900 Трос Под заказ -
25
23.588.1.1.2.00.01-01 Трос Под заказ -
26
772-L-TT-75-900 Трос Под заказ -
27
БолтM6x16 Болт Под заказ -
28
ШП6 Шайба Под заказ -
29
820-4635080 Рычаг Под заказ -
30
820-4635075 Рычаг Под заказ -
31
011-015-25-2-4 Кольцо Под заказ -
32
820-4635034 Валик Под заказ -
33
820-4635033-Б Втулка Под заказ -
34
019-023-25-2-4 Кольцо Под заказ -
35
820-4635046 Скоба Под заказ -
36
820-4635070 Рычаг Под заказ -
37
820-4635069 Фиксатор Под заказ -
38
820-4635030 Звено Под заказ -
39
820-4635015-Б Рычаг Под заказ -
40
820-4635016-B Валик Под заказ -
41
820-4635032-Б Втулка Под заказ -
42
820-4635049 Шплинт Под заказ -
43
820-4635063 Пружина Под заказ -
44
820-4635065 Кронштейн Под заказ -
45
4x22 Шплинт Под заказ -
46
820-4635024 Гайка Под заказ -
47
820-4635023 Шайба Под заказ -
48
820-4635022 Пружина Под заказ -
49
820-4635026-Б Втулка Под заказ -
50
820-4635044-Б Прокладка Под заказ -
51
820-4635043-Б Крышка Под заказ -
52
ШП12 Шайба Под заказ -
53
M12x30 Болт Под заказ -
54
B22 Кольцо Под заказ -
55
820-4635018 Палец Под заказ -
56
820-4635021 Шток Под заказ -
57
820-4635019 Серьга Под заказ -
58
820-4635048 Тяга Под заказ -
59
027-032-30-1-4 Кольцо Под заказ -
Содержащиеся в справочниках-каталогах запасные части и детали не предлагаются к продаже, а носят исключительно информационный характер


Наши преимущества