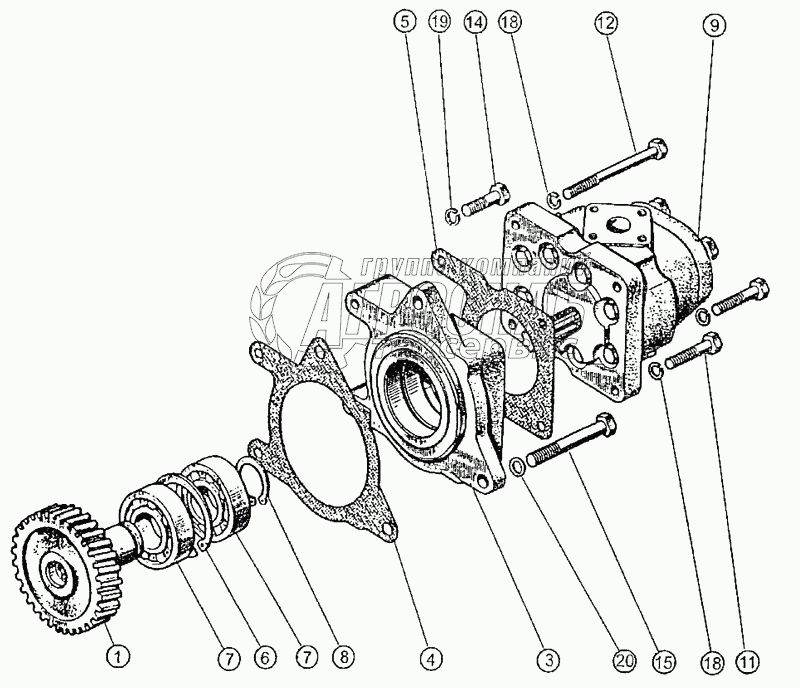
Каталог запасных частей к технике: МТЗ-1222/1523. Привод насоса шестеренного

Привод насоса шестеренного

zoom-in zoom-out enlarge shrink circle-right circle-left file-text2 info cart
1
2
3
4
5
6
6
7
8
9
10
11
12
13
14
14
15
16
Изображение Артикул товара Наименование Наличие Единица измерения Количество Цена Корзина
1
260-3407061 Шестерня привода Под заказ шт 3 120 ₽3 120 ₽
2
260-3407069 Корпус Под заказ -
3
260-3407075 Прокладка Под заказ -
4
240-1022062 Прокладка Под заказ -
5
240-1307064-01 Кольцо Под заказ -
6
205К Шарикоподшипник Под заказ -
7
В25 Кольцо Под заказ -
8
НШ14-3Л Насос шестеренчатый Под заказ -
9
НШ16-3Л Насос шестеренчатый Под заказ -
10
M8-6gx35.88.35.019 Болт Под заказ -
11
M8-6gx75.88.35.019 Болт Под заказ -
12
M10-6gx40.88.35.019 Болт Под заказ -
13
M10-6gx65.88.35.019 Болт Под заказ -
14
8.65Г.06 Шайба Под заказ -
15
10.6506 Шайба Под заказ -
16
10.01.08кп.019 Шайба Под заказ -
Содержащиеся в справочниках-каталогах запасные части и детали не предлагаются к продаже, а носят исключительно информационный характер


Наши преимущества