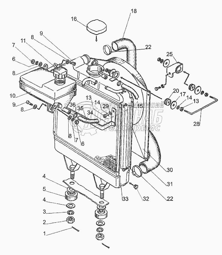
Каталог запасных частей к технике: МТЗ-310, 320, 321. Радиатор водяной

Радиатор водяной

zoom-in zoom-out enlarge shrink circle-right circle-left file-text2 info cart
1
2
3
4
4
5
6
6
7
7
8
8
8
8
9
9
10
11
12
12
13
13
14
15
16
17
18
19
19
20
21
22
23
24
25
26
27
28
Изображение Артикул товара Наименование Наличие Единица измерения Количество Цена Корзина
1
3,2х25.019 Шплинт Под заказ -
2
М12-6Н.6.019 Гайка Под заказ -
3
12.ОТ Шайба Под заказ -
4
С12.01.019 Шайба Под заказ -
5
80-1302018 Амортизатор Под заказ -
6
М6-6Н.6.019 Гайка Под заказ -
7
Шайба6Т Шайба Под заказ -
8
С6.01.019 Шайба Под заказ -
9
М6-6gx20.88.35.019 Болт Под заказ -
10
146.00.00/R Бачок расширительный Под заказ -
11
146.30.00 Пробка Под заказ -
12
М8-6Н.6.019 Гайка В наличии шт 1 ₽1 ₽
13
Шайба8Т Шайба 8Т Под заказ -
14
М8-6gx16.88.35.019 Болт Под заказ -
15
A21.01.270 Пробка Под заказ -
16
85-1302073 Шайба Под заказ -
17
320-1303001 Шланг Под заказ -
18
85-1302071 Амортизатор Под заказ -
19
НОРМАTORRO32-50/9-C6W Хомут НОРМА TORRO 32-50/9-C6W Под заказ -
20
320-1302012 Кронштейн Под заказ -
21
320-1302013 Тяга Под заказ -
22
320-1309171-A Кожух Под заказ -
23
320-1303002 Шланг Под заказ -
24
КГ%А12.019 Кран Под заказ -
25
320-1301010 Радиатор водяной Под заказ -
26
320-1311300 Кронштейн Под заказ -
27
320-1311012 Шланг Под заказ -
28
НОРМАTORRO12-20/9-C6W Хомут Под заказ -
Содержащиеся в справочниках-каталогах запасные части и детали не предлагаются к продаже, а носят исключительно информационный характер


Наши преимущества