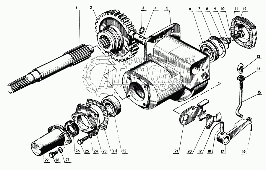
Каталог запасных частей к технике: МТЗ-80. Боковой вал отбора мощности

Боковой вал отбора мощности

zoom-in zoom-out enlarge shrink circle-right circle-left file-text2 info cart
3
4
5
6
7
8
9
10
11
12
13
13
14
15
16
17
18
19
20
21
22
23
24
25
26
27
28
29
30
31
Изображение Артикул товара Наименование Наличие Единица измерения Количество Цена Корзина
1
50-4204010-01 Вал отбора мощности боковой с 8-шлицевым хвостовиком в сборе Под заказ -
2
50-4204010 Вал отбора мощности боковой с 8-шлицевым хвостовиком в сборе Под заказ -
3
50-4204022 Вал с 8-шлицевым хвостовиком Под заказ -
4
Ф50-4204026 Шестерня Под заказ -
5
50-3406031-04 Кольцо Под заказ -
6
50-4204040 Валик Под заказ -
7
50-4204015-Б Корпус Под заказ -
8
Подшипник 208А ГОСТ 8338-75 Подшипник 208А ГОСТ 8338-75 Под заказ -
9
Кольцо КСП-72 ГОСТ 2893-73 Кольцо КСП-72 ГОСТ 2893-73 Под заказ -
10
50-1601038 Шайба нажимная Под заказ -
11
252137-П2 Шайба 12ОТ 65Г 06 ГОСТ 6402-70 Под заказ шт 21 ₽21 ₽
12
Болт М12-6gх35.88.35.019 ГОСТ 7796-70 Болт М12-6gх35.88.35.019 ГОСТ 7796-70 Под заказ -
13
50-1601091-01 Прокладка Под заказ -
14
50-1601089 Крышка подшипника Под заказ -
15
А13.28.000 Рукоятка Под заказ -
16
Гайка М6.6Н.6.019 ГОСТ 5915-70 Гайка М6.6Н.6.019 ГОСТ 5915-70 Под заказ -
17
50-4204042 Тяга Под заказ -
18
Шплинт 3,2х18-001 ГОСТ 397-66 Шплинт 3,2х18-001 ГОСТ 397-66 Под заказ -
19
50-4204034 Рычаг Под заказ -
20
Штифт 10х40-01 ГОСТ 14229-69 Штифт 10х40-01 ГОСТ 14229-69 Под заказ -
21
Проволока 1,6-0-с ГОСТ 3282-74 Проволока 1,6-0-с ГОСТ 3282-74 Под заказ -
22
50-4204036 Пластина Под заказ -
23
50-4204038 Пластина Под заказ -
24
Подшипник 50306 ГОСТ 2893-73 Подшипник 50306 ГОСТ 2893-73 Под заказ -
25
50-4204024 Крышка Под заказ -
26
Шайба 8Т 65Г 06 ОСТ 37.001.115-74 Шайба 8Т 65Г 06 ОСТ 37.001.115-74 Под заказ -
27
Болт М8-6gх25.88.35.019 ГОСТ 7796-70 Болт М8-6gх25.88.35.019 ГОСТ 7796-70 Под заказ -
28
Манжета 2-38х58-1 ГОСТ 8752-70 Манжета 2-38х58-1 ГОСТ 8752-70 Под заказ -
29
Шайба 8.01.019 ГОСТ 11371-78 Шайба 8.01.019 ГОСТ 11371-78 Под заказ -
30
Болт М8-6gх16.88.35.019 ГОСТ 7796-70 Болт М8-6gх16.88.35.019 ГОСТ 7796-70 Под заказ -
31
50-4202065-А Колпак Под заказ -
Содержащиеся в справочниках-каталогах запасные части и детали не предлагаются к продаже, а носят исключительно информационный характер


Наши преимущества