| № | Изображение | Артикул товара | Наименование | Наличие | Единица измерения | Количество | Цена | Корзина | |
|---|---|---|---|---|---|---|---|---|---|
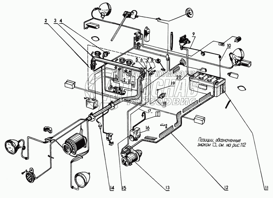
| 1 | 70Л-3724080 | Жгут | Под заказ | - | |||||
| 2 | 70Л-3801010-01 | Щиток приборов | Под заказ | - | |||||
| 3 | 70Л-3724093-Б | Жгут | Под заказ | - | |||||
| 4 | ВК317-05 | Выключатель | Под заказ | - | |||||
| 5 | Гайка М4.6Н.6.019 ГОСТ 5915-70 | Гайка М4.6Н.6.019 ГОСТ 5915-70 | Под заказ | - | |||||
| 6 | Шайба 4 65Г 06 ГОСТ 6402-70 | Шайба 4 65Г 06 ГОСТ 6402-70 | Под заказ | - | |||||
| 7 | Винт М4-6gх8.58.019 ГОСТ 17473-72 | Винт М4-6gх8.58.019 ГОСТ 17473-72 | Под заказ | - | |||||
| 8 | 70-3724027 | Провод | Под заказ | - | |||||
| 9 | 70-3724018-А | Провод | Под заказ | - | |||||
| 10 | 50-3724082 | Провод | Под заказ | - | |||||
| 11 | ССТ-50ЭМ | Аккумуляторная батарея | Под заказ | - | |||||
| 12 | 70Л-3724038 | Провод | Под заказ | - | |||||
| 13 | СТ-362 | Стартер | Под заказ | - | |||||
| 14 | М2.14.13.238 | Чехол | Под заказ | - | |||||
| 15 | 70Л-3724040 | Жгут | Под заказ | - | |||||
| 16 | М124Б1-3728000-А | Магнето М124-Б1 | Под заказ | - | |||||
| 17 | 70Л-3724034 | Провод | Под заказ | - | |||||
| 18 | 70Л-3724017 | Провод | Под заказ | - | |||||
| 19 | 50Л-3724085 | Провод | Под заказ | - | |||||
| 20 | 70Л-3724039 | Провод | Под заказ | - |