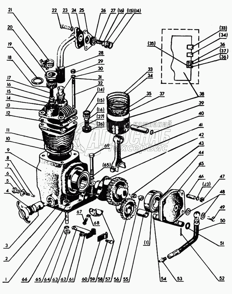
Каталог запасных частей к технике: МТЗ-80. Компрессор и установка компрессора

Компрессор и установка компрессора

zoom-in zoom-out enlarge shrink circle-right circle-left file-text2 info cart
7
7
8
9
10
11
12
13
14
15
16
17
18
2
19
20
20
20
21
21
21
22
22
22
23
24
25
26
27
28
29
29
30
31
32
32
33
33
34
35
36
37
38
39
39
40
40
41
41
42
42
43
43
44
45
46
47
48
49
50
51
52
53
54
55
56
57
58
59
60
61
62
63
64
65
66
67
68
69
70
71
71
72
73
74
75
Изображение Артикул товара Наименование Наличие Единица измерения Количество Цена Корзина
1
А29.01.000 Компрессор в сборе В наличии шт 9 348 ₽9 348 ₽
1
А29.01.000 Компрессор в сборе В наличии шт 9 335 ₽9 335 ₽
2
А29.01.050 Головка цилиндров в сборе Под заказ -
3
А29.01.200-А Шестерня со втулкой в сборе Под заказ -
4
А29.01.150 Шатун в сборе Под заказ -
5
А29.01.100 Поршень и шатун в сборе Под заказ -
6
А29.01.180 Поршневые кольца (комплект) Под заказ комп 115 ₽115 ₽
7
Подшипник 207 ГОСТ 8338-75 Подшипник 207 ГОСТ 8338-75 Под заказ -
8
240-3509037-А Прокладка Под заказ -
9
А29.01.250А Валик управления Под заказ -
10
Кольцо 020-025-30-2-1 ГОСТ 9833-73 Кольцо 020-025-30-2-1 ГОСТ 9833-73 Под заказ -
11
Болт М10-6gх20.66.019 ГОСТ 7796-70 Болт М10-6gх20.66.019 ГОСТ 7796-70 Под заказ -
12
А29.01.017 Прокладка Под заказ -
13
50-4604027-Б Пружина Под заказ -
14
А29.01.005 Фиксатор Под заказ -
15
А29.01.001 Картер Под заказ -
16
А29.01.006 Прокладка Под заказ -
17
А29.01.002 Цилиндр Под заказ -
18
А29.01.008 Прокладка Под заказ -
19
А29.01.050 Головка цилиндров в сборе Под заказ -
20
А29.01.063 Прокладка Под заказ -
21
А29.01.062 Седло клапана Под заказ -
22
А29.01.061 Клапан Под заказ -
23
А29.01.056 Пружина клапана Под заказ -
24
А29.01.052 Корпус клапана Под заказ -
25
А29.01.064-А Прокладка Под заказ -
26
А29.01.053 Пробка Под заказ -
27
ХС-26 Хомут Под заказ -
28
Болт М8-6gх25.88.35.019 ГОСТ 7796-70 Болт М8-6gх25.88.35.019 ГОСТ 7796-70 Под заказ -
29
Шайба 8 ГОСТ 6402-70 Шайба 8 ГОСТ 6402-70 Под заказ -
30
240-3509210 Труба Под заказ -
31
240-3509157 Прокладка Под заказ -
32
А29.01.058 Корпус клапана Под заказ -
33
А29.01.055 Пружина клапана Под заказ -
34
18-30-50-10(1) Рукав Под заказ -
35
Гайка М8-1.6Н.8.45.056 ГОСТ 15524-70 Гайка М8-1.6Н.8.45.056 ГОСТ 15524-70 Под заказ -
36
Шайба 8 ГОСТ 11371-78 Шайба 8 ГОСТ 11371-78 Под заказ -
37
А29.01.059 Штуцер Под заказ -
38
А29.01.023 Шпилька Под заказ -
39
А27.02.03.007 Кольцо компрессионное Под заказ -
40
А27.02.03.008 Кольцо компрессионное Под заказ -
41
А27.12.40.510 Расширитель Под заказ -
42
А27.12.40.509 Сегмент Под заказ -
43
А27.12.40.511 Расширитель Под заказ -
44
А29.05.101 Поршень Под заказ -
45
А29.05.103 Палец поршневой Под заказ -
46
А29.05.102 Кольцо стопорное Под заказ -
47
А29.05.171 Шатун Под заказ -
48
А29.01.004 Вал коленчатый Под заказ -
49
А29.01.013А Пружина Под заказ -
50
А29.01.009 Прокладка Под заказ -
51
А29.01.003 Крышка Под заказ -
52
Шпилька 2М8 3р/6gх 18.66.05 ГОСТ 22038-7 Шпилька 2М8 3р/6gх 18.66.05 ГОСТ 22038-76 Под заказ -
53
Гайка М8.6Н.8.056 ГОСТ 5915-70 Гайка М8.6Н.8.056 ГОСТ 5915-70 Под заказ -
54
36-1104788 Прокладка Под заказ -
55
36-1104787 Болт Под заказ -
56
240-3509150 Маслопровод Под заказ шт 161 ₽161 ₽
57
Кольцо 014-018-25-2-1 ГОСТ 9833-70 Кольцо 014-018-25-2-1 ГОСТ 9833-70 Под заказ -
58
Штифт 4h8х28 ГОСТ 3128-70 Штифт 4h8х28 ГОСТ 3128-70 Под заказ -
59
240-3509232 Штуцер Под заказ -
60
А29.01.301 Ось шестерни Под заказ -
61
А29.01.202А Втулка Под заказ -
62
А29.01.019 Уплотнитель крышки Под заказ -
63
А21.01.201А Шестерня Под заказ -
64
А29.05.172 Крышка шатуна Под заказ -
65
Болт М6-6gх16.88.39.019 ГОСТ 7798-70 Болт М6-6gх16.88.39.019 ГОСТ 7798-70 Под заказ -
66
240-3509159 Скоба Под заказ -
67
Шайба 6 ГОСТ 6402-70 Шайба 6 ГОСТ 6402-70 Под заказ -
68
Гайка М6 6.019 ГОСТ 5915-70 Гайка М6 6.019 ГОСТ 5915-70 Под заказ -
69
240-3506158 Хомут Под заказ -
70
Гайка М10 5Н.6Н.019 ГОСТ 5915-70 Гайка М10 5Н.6Н.019 ГОСТ 5915-70 Под заказ -
71
Шайба 10 65Г ГОСТ 6402-70 Шайба 10 65Г ГОСТ 6402-70 Под заказ -
72
Шпилька М10хТо/6gх28 ГОСТ 22038-76 Шпилька М10хТо/6gх28 ГОСТ 22038-76 Под заказ -
73
Болт М8-6gх35.109.40Х.05 ГОСТ 7811-70 Болт М8-6gх35.109.40Х.05 ГОСТ 7811-70 Под заказ -
74
А29.05.173 Шайба Под заказ -
75
Болт М10-6gх65.88.35.019 ГОСТ 7795-70 Болт М10-6gх65.88.35.019 ГОСТ 7795-70 Под заказ -
Содержащиеся в справочниках-каталогах запасные части и детали не предлагаются к продаже, а носят исключительно информационный характер


Наши преимущества