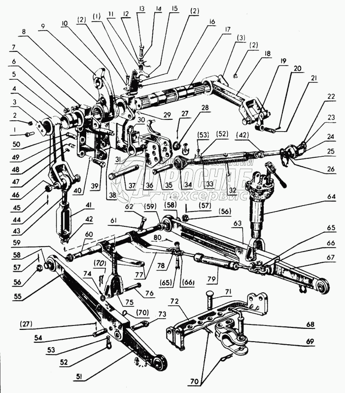
Каталог запасных частей к технике: МТЗ-80. Механизм задней навески

Механизм задней навески

zoom-in zoom-out enlarge shrink circle-right circle-left file-text2 info cart
12
13
13
14
14
14
14
15
15
16
17
18
19
20
21
22
23
24
25
26
27
28
29
30
31
32
33
34
35
34
35
36
37
38
38
39
40
41
42
43
44
45
46
47
48
49
50
51
52
53
53
54
55
56
57
58
59
60
61
62
63
63
64
64
65
66
67
67
68
68
69
69
70
70
71
72
73
74
75
76
76
77
77
78
79
80
81
81
81
82
83
84
85
86
87
88
89
90
91
Изображение Артикул товара Наименование Наличие Единица измерения Количество Цена Корзина
1
70-4605145 Кронштейн в сборе Под заказ -
2
А61.03.200 Винт в сборе В наличии шт 1 260 ₽1 260 ₽
3
50-4605105-А Шкворень прицепа со шплинтом в сборе Под заказ -
4
50-4605030-А3 Тяга правая в сборе Под заказ -
5
50-4605035-А3 Тяга левая в сборе Под заказ -
6
А61.03.000 Тяга в сборе Под заказ шт 2 726 ₽2 726 ₽
6
А61.03.000 Тяга в сборе Под заказ шт 2 187 ₽2 187 ₽
7
50-4605012 Раскос в сборе Под заказ шт 2 226 ₽2 226 ₽
8
70-4605340 Рычаг с пальцем в сборе Под заказ -
9
70-4605010 Механизм задней навески в сборе Под заказ -
10
80-4605025 Поперечина в сборе Под заказ -
11
50-46050У5-А Палец со шплинтом в сборе Под заказ -
12
Болт М12-6gх25.88.35.019 ГОСТ 7796-70 Болт М12-6gх25.88.35.019 ГОСТ 7796-70 Под заказ -
13
70-4605313 Палец Под заказ -
14
Шайба 12ОТ ОСТ 37.001.115-75 Шайба 12ОТ ОСТ 37.001.115-75 Под заказ -
15
40-4605023-А2 Шайба Под заказ -
16
40-4605021-А2 Рычаг В наличии шт 1 661 ₽1 661 ₽
17
70-4605032 Втулка В наличии шт 269 ₽269 ₽
18
70-4605308-Б Втулка Под заказ -
19
70-4605016-Б Кронштейн В наличии шт 7 425 ₽7 425 ₽
20
70-4605024-А Рычаг поворотный Под заказ -
21
50-4605069 Втулка Под заказ -
22
Кольцо 2Б65 ГОСТ 1394-68 Кольцо 2Б65 ГОСТ 1394-68 Под заказ -
23
50-4605077-Б Пружина Под заказ -
24
Болт М12-6gх35.88.35.019 ГОСТ 7796-70 Болт М12-6gх35.88.35.019 ГОСТ 7796-70 Под заказ -
25
Шайба 12.02.019 ГОСТ 11371-78 Шайба 12.02.019 ГОСТ 11371-78 Под заказ -
26
70-4605240-А Кронштейн Под заказ -
27
Гайка М12.6Н.6.019 ГОСТ 5915-70 Гайка М12.6Н.6.019 ГОСТ 5915-70 Под заказ -
28
70-4605023 Вал поворотный В наличии шт 1 200 ₽1 200 ₽
29
40-4605022-А Рычаг Под заказ шт 1 801 ₽1 801 ₽
30
70-4605168 Серьга Под заказ -
31
Штифт пружинный 8х45 ГОСТ 14229-69 Штифт пружинный 8х45 ГОСТ 14229-69 Под заказ -
32
А61.01.004 Палец Под заказ -
33
А61.03.002 Кольцо Под заказ -
34
А61.03.001-02 Палец Под заказ -
35
А61.03.001-02 Палец Под заказ -
36
А61.02.100-04 Винт Под заказ -
37
А61.05.002 Чека Под заказ -
38
Шплинт 5х36-001 ГОСТ 397-79 Шплинт 5х36-001 ГОСТ 397-79 Под заказ -
39
70-4605316 Гайка упорная Под заказ -
40
Масленка 1.3.Ц6.хр ГОСТ 19853-74 Масленка 1.3.Ц6.хр ГОСТ 19853-74 Под заказ -
41
70-4605304-Б Шайба Под заказ -
42
70-4605302-Б Пружина Под заказ -
43
А61.03.102 Рукоятка Под заказ -
44
А61.03.101 Труба В наличии шт 720 ₽720 ₽
45
А61.02.100-03 Винт Под заказ -
46
70-4605312 Палец Под заказ -
47
70-4605330-Б Серьга Под заказ -
48
70-4605071-01 Палец Под заказ -
49
70-4605320 Болт Под заказ -
50
70-4605036 Болт Под заказ -
51
Шайба 20ОТ 65Г 06 ГОСТ 6402-70 Шайба 20ОТ 65Г 06 ГОСТ 6402-70 Под заказ -
52
А61.02.001 Стяжка раскоса В наличии шт 375 ₽375 ₽
53
А61.02.003 Контргайка Под заказ -
54
А61.02.100 Винт Под заказ шт 0 ₽
55
Шплинт 4х36-001 ГОСТ 397-79 Шплинт 4х36-001 ГОСТ 397-79 Под заказ -
56
70-3003032 Гайка Под заказ шт 93 ₽93 ₽
56
70-3003032 Гайка Под заказ шт 14 ₽14 ₽
57
F50-4605084 Палец Под заказ -
58
70-4605317 Ограничитель Под заказ -
59
21А-1601150 Пружина Под заказ -
60
50-4605027 Штифт Под заказ -
61
54.38.619 Кольцо Под заказ -
62
80-4605045-01 Тяга левая Под заказ шт 2 141 ₽2 141 ₽
63
А61.05.004 Кольцо Под заказ -
64
А61.05.005 Чека Под заказ -
65
50-4605049-Б Палец В наличии шт 55 ₽55 ₽
66
70-4605055 Тяга В наличии шт 4 874 ₽4 874 ₽
66
70-4605055 Тяга В наличии шт 3 512 ₽3 512 ₽
67
А04.02.020-01 Гайка Под заказ -
68
Шплинт 5х45-019 ГОСТ 397-79 Шплинт 5х45-019 ГОСТ 397-79 Под заказ -
69
70-4605047 Втулка Под заказ -
70
50-4605068-Б1 Втулка В наличии шт 82 ₽82 ₽
71
70-4605026 Ось Под заказ шт 593 ₽593 ₽
71
70-4605026 Ось В наличии шт 1 134 ₽1 134 ₽
72
Гайка М16.6Н.6.019 ГОСТ 5916-70 Гайка М16.6Н.6.019 ГОСТ 5916-70 Под заказ -
73
50-4605019 Болт Под заказ -
74
70-4605050 Тяга В наличии шт 3 512 ₽3 512 ₽
74
70-4605050 Тяга В наличии шт 4 874 ₽4 874 ₽
75
80-4605150 Раскос Под заказ -
76
50-4605086 Болт серьги Под заказ шт 92 ₽92 ₽
77
Гайка М12.6Н.6.019 ГОСТ 5919-73 Гайка М12.6Н.6.019 ГОСТ 5919-73 Под заказ -
78
80-4605040-01 Тяга В наличии шт 2 095 ₽2 095 ₽
79
50-4605079-Б Шкворень В наличии шт 682 ₽682 ₽
79
50-4605079-Б Шкворень В наличии шт 711 ₽711 ₽
80
36-2701036-А3 Вилка Под заказ -
81
А61.07.001 Шплинт Под заказ -
82
А61.10.002 Палец Под заказ -
83
80-4605046 Поперечина В наличии шт 5 262 ₽5 262 ₽
84
70-4605048-А Проушина Под заказ шт 149 ₽149 ₽
84
70-4605048-А Проушина В наличии шт 178 ₽178 ₽
85
Шайба 18 01 019 ГОСТ 11371-78 Шайба 18 01 019 ГОСТ 11371-78 Под заказ -
86
50-4605100-Б Вилка раскоса Под заказ шт 0 ₽
86
50-4605100-Б Вилка раскоса В наличии шт 894 ₽894 ₽
87
Ф50-4605084 Палец Под заказ -
88
50-4605033-Б1 Кронштейн Под заказ -
89
А61.09.002 Серьга В наличии шт 190 ₽190 ₽
90
80-4605080 Растяжка Под заказ шт 0 ₽
91
Шплинт 3,2х18-019 ГОСТ 397-79 Шплинт 3,2х18-019 ГОСТ 397-79 Под заказ -
Содержащиеся в справочниках-каталогах запасные части и детали не предлагаются к продаже, а носят исключительно информационный характер


Наши преимущества