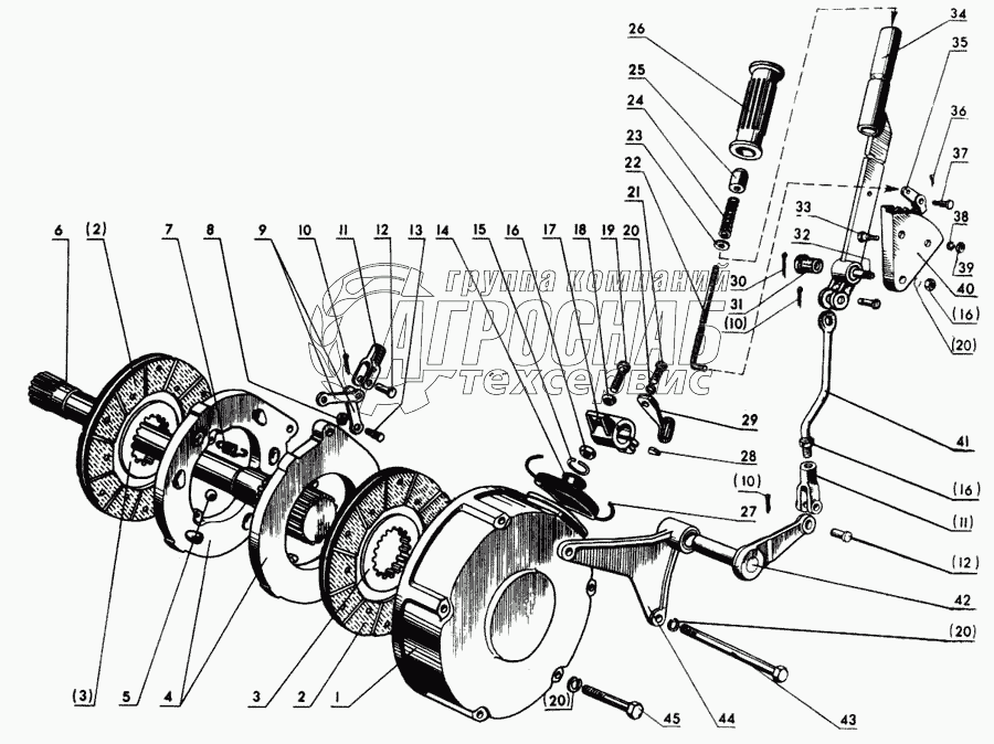
Каталог запасных частей к технике: МТЗ-80. Стояночно-запасной тормоз

Стояночно-запасной тормоз

zoom-in zoom-out enlarge shrink circle-right circle-left file-text2 info cart
4
5
5
6
6
7
8
9
10
11
12
13
13
13
14
14
15
15
16
17
18
19
19
19
20
21
22
23
23
23
23
24
25
26
27
28
29
30
31
32
33
34
35
36
37
38
39
40
41
42
43
44
45
46
47
48
Изображение Артикул товара Наименование Наличие Единица измерения Количество Цена Корзина
1
50-3502030-А Диски нажимные в сборе В наличии шт 2 257 ₽2 257 ₽
2
50-3502040-А Диск Под заказ -
3
50-3502010 Тормоз в сборе Под заказ шт 3 242 ₽3 242 ₽
4
50-3502035 Кожух Под заказ -
5
А59.01.201 Накладка Под заказ шт 164 ₽164 ₽
6
50-3502050 Диск Под заказ -
7
50-3502036-Б Диск нажимной В наличии шт 504 ₽504 ₽
8
Шарик 22,225-100 Шарик 22,225-100 Под заказ -
9
70-3504055 Вал В наличии шт 1 631 ₽1 631 ₽
10
77.38.163 Пружина Под заказ -
11
Гайка М8.6Н.6.019 ГОСТ 5915-70 Гайка М8.6Н.6.019 ГОСТ 5915-70 Под заказ -
12
50-3502196 Тяга Под заказ -
13
Шплинт 3,2х18-001 ГОСТ 397-66 Шплинт 3,2х18-001 ГОСТ 397-66 Под заказ -
14
50-3502203 Вилка Под заказ шт 0 ₽
15
Палец 12х32 ОСТ 37.001.163-75 Палец 12х32 ОСТ 37.001.163-75 Под заказ -
16
50-3502198 Палец Под заказ -
17
50-3502202 Чехол В наличии шт 19 ₽19 ₽
18
36-1702358 Кольцо пружинное Под заказ -
19
Гайка М12х1,25.6Н.6.019 ГОСТ 5916-70 Гайка М12х1,25.6Н.6.019 ГОСТ 5916-70 Под заказ -
20
50-3503017 Рычаг Под заказ -
21
70-3503018 Шайба Под заказ -
22
70-3503019 Болт Под заказ -
23
Шайба 12ОТ 65Г 06 ГОСТ 6402-70 Шайба 12ОТ 65Г 06 ГОСТ 6402-70 Под заказ -
24
Болт М12-6gх40.88.35.019 7796-70 Болт М12-6gх40.88.35.019 7796-70 Под заказ -
25
70-3507022 Тяга Под заказ -
26
Шайба 5.01.019 ГОСТ 6958-68 Шайба 5.01.019 ГОСТ 6958-68 Под заказ -
27
55-17-27 Пружина Под заказ -
28
А13.19.002 Кнопка Под заказ -
29
70-3507035 Рукоятка Под заказ -
30
Проволока 1,6х300 ГОСТ 3482-74 Проволока 1,6х300 ГОСТ 3482-74 Под заказ -
31
Шпонка 6х11 ГОСТ 8785-68 Шпонка 6х11 ГОСТ 8785-68 Под заказ -
32
70-3514107 Рычаг Под заказ -
33
70-4605308-Б Втулка Под заказ -
34
Шплинт 4,0х22-001 ГОСТ 397-66 Шплинт 4,0х22-001 ГОСТ 397-66 Под заказ -
35
70-3507132-Б Ось Под заказ -
36
Болт М10-6gх30.88.35.019 ГОСТ 7796-70 Болт М10-6gх30.88.35.019 ГОСТ 7796-70 Под заказ -
37
70-3507030 Рычаг Под заказ -
38
50-1606026 Защелка Под заказ -
39
Шплинт 2х12-001 ГОСТ 397-68 Шплинт 2х12-001 ГОСТ 397-68 Под заказ -
40
70-3507024 Ось Под заказ -
41
Шайба 10ОТ 65Г 06 ГОСТ 6402-70 Шайба 10ОТ 65Г 06 ГОСТ 6402-70 Под заказ -
42
Гайка М10.6Н.6.019 ГОСТ 5915-70 Гайка М10.6Н.6.019 ГОСТ 5915-70 Под заказ -
43
70-3507021-Б Сектор Под заказ -
44
70-3507041 Тяга Под заказ -
45
70-3507060 Валик Под заказ -
46
Болт М12-6gх200.88.35.019 ГОСТ 7796-70 Болт М12-6gх200.88.35.019 ГОСТ 7796-70 Под заказ -
47
70-3507070 Кронштейн Под заказ -
48
Болт М2-6gх180.35.019 ГОСТ 7796-70 Болт М2-6gх180.35.019 ГОСТ 7796-70 Под заказ -
Содержащиеся в справочниках-каталогах запасные части и детали не предлагаются к продаже, а носят исключительно информационный характер


Наши преимущества