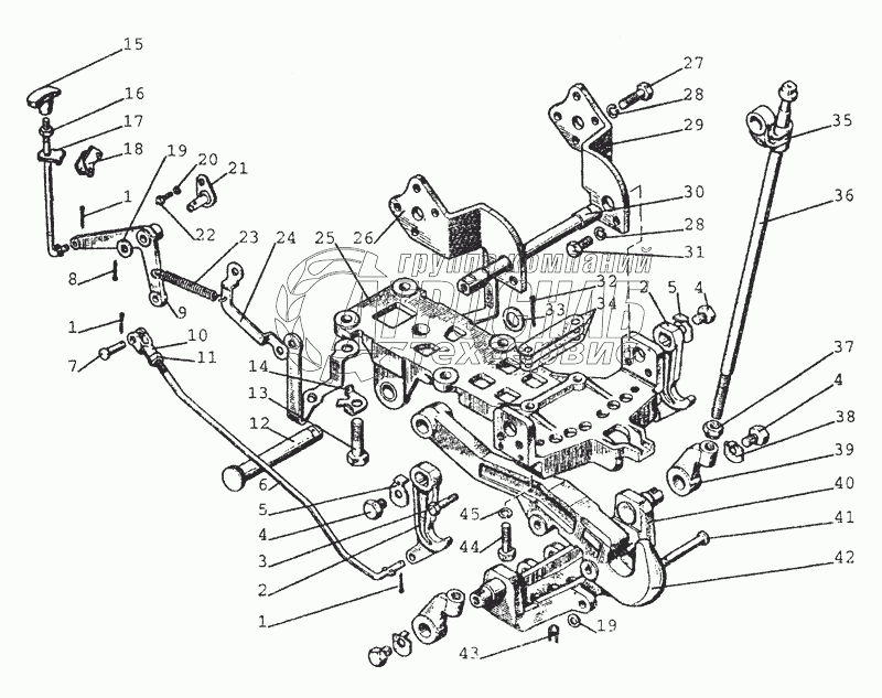
Каталог запасных частей к технике: МТЗ-80 (2002). 2707 Устройство прицепное. Вариант крюк

2707 Устройство прицепное. Вариант крюк

zoom-in zoom-out enlarge shrink circle-right circle-left file-text2 info cart
4
11
35
4
11
35
4
11
35
5
5
6
7
7
7
8
8
9
10
4
11
35
12
13
14
19
15
16
17
18
14
19
20
21
22
22
23
31
48
24
25
30
34
26
27
28
29
25
30
34
23
31
48
23
31
48
32
33
25
30
34
4
11
35
36
37
38
39
40
41
42
43
44
45
46
47
23
31
48
Изображение Артикул товара Наименование Наличие Единица измерения Количество Цена Корзина
1
70-2807039-01 Пластина 0,5 мм Под заказ -
2
70-2807039-02 Пластина 0,2 мм Под заказ -
3
80-2707110А-03 Устройство прицепное. Вариант крюк Под заказ -
4
ГОСТ397-79 Шплинт 3.2x18.019 Под заказ -
5
80-2807077 Захват Под заказ -
6
80-2707118 Болт Под заказ -
7
80-2707137 Болт Под заказ -
8
80-2707153 Шайба Под заказ -
9
80-2707133-Б Тяга Под заказ -
10
ОСТ37.001.163-75 Палец 8x65 Под заказ -
11
ГОСТ397-79 Шплинт 3.2x18.019 Под заказ -
12
70-2807079 Рычаг Под заказ -
13
50-3502203 Вилка Под заказ шт 0 ₽
14
ГОСТ5915-70 Гайка М6-6Н.6.019 Под заказ -
15
80-4619019 Палец Под заказ -
16
40-3104021 Болт Под заказ шт 95 ₽95 ₽
16
40-3104021 Болт В наличии шт 200 ₽200 ₽
17
70-2807044 Шайба Под заказ -
18
50-1310136-А Рукоятка Под заказ -
19
ГОСТ5915-70 Гайка М6-6Н.6.019 Под заказ -
20
80-2807180-Б Рукоятка Под заказ -
21
85-2807092 Кронштейн Под заказ -
22
ГОСТ11371-78 Шайба С6.01.08кп.019 Под заказ -
23
ОСТ37.001.115-75 Шайба 8Т Под заказ -
24
70-1602120-Б Фланец оси Под заказ -
25
ГОСТ7796-70 Болт М8-6gх20.88.35.019 Под заказ -
26
50-1605152 Пружина Под заказ -
27
70-2807081 Кронштейн Под заказ -
28
80-2707120-Б Кронштейн Под заказ -
29
80-2707116 Боковина Под заказ -
30
ГОСТ7796-70 Болт М8-6gх20.88.35.019 Под заказ -
31
ОСТ37.001.115-75 Шайба 8Т Под заказ -
32
80-2707116-01 Боковина Под заказ -
33
80-2707141 Ось Под заказ -
34
ГОСТ7796-70 Болт М8-6gх20.88.35.019 Под заказ -
35
ГОСТ397-79 Шплинт 3.2x18.019 Под заказ -
36
70-4619042 Шайба Под заказ -
37
70-2807039 Пластина 1,0 мм Под заказ -
38
70-2807051 Серьга Под заказ -
39
70-2807052-Б Винт тяги Под заказ -
40
40-3405062 Гайка Под заказ -
41
80-2707138 Шайба Под заказ -
42
70-2807053-Б Гайка тяги Под заказ -
43
80-2707130-Б Поперечина Под заказ -
44
80-2707123 Ось Под заказ -
45
80-2707111 Крюк Под заказ -
46
А61.05.004 Кольцо Под заказ -
47
80-2807026-01 Болт Под заказ -
48
ОСТ37.001.115-75 Шайба 8Т Под заказ -
Содержащиеся в справочниках-каталогах запасные части и детали не предлагаются к продаже, а носят исключительно информационный характер


Наши преимущества