Каталог запасных частей к технике: МТЗ-80 (2009). Корпус сцепления (отводка)

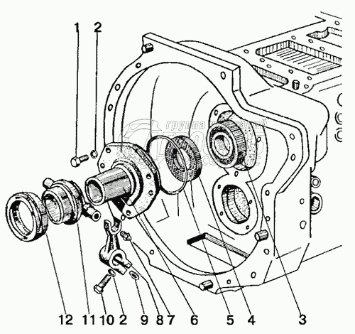
Корпус сцепления (отводка)

zoom-in zoom-out enlarge shrink circle-right circle-left file-text2 info cart
1
2
2
3
4
5
6
7
8
9
10
11
12
Изображение Артикул товара Наименование Наличие Единица измерения Количество Цена Корзина
1
М10x25 Болт Под заказ -
2
ШП10 Шайба Под заказ -
3
60210АУШ1 Подшипник Под заказ -
4
240-1002055 Манжета 2.1-50х70-4 Под заказ -
5
110-115-30-1-4 Кольцо ГОСТ 9833-73 Под заказ шт 87 ₽87 ₽
6
50-1601172-А Кронштейн отводки Под заказ -
7
1.1Цбхр Масленка Под заказ -
8
50-1601203 Вилка Под заказ шт 120 ₽120 ₽
9
50-1601218 Шпонка Под заказ -
10
М10x30 Болт Под заказ -
11
50-1601185-А Отводка В наличии шт 223 ₽223 ₽
12
986714К1С23 Подшипник отводки Под заказ -
Содержащиеся в справочниках-каталогах запасные части и детали не предлагаются к продаже, а носят исключительно информационный характер


Наши преимущества