Каталог запасных частей к технике: МТЗ-822. Электрооборудование по дизелю

Электрооборудование по дизелю

zoom-in zoom-out enlarge shrink circle-right circle-left file-text2 info cart
1
1
2
2
2
3
3
4
4
5
6
7
7
8
8
9
10
11
12
13
13
14
14
15
15
16
16
17
17
17
18
19
20
21
22
23
23
24
24
24
24
24
24
25
25
25
25
25
25
26
27
27
27
28
29
30
31
32
33
34
35
36
36
37
38
39
39
40
41
42
43
44
45
46
47
47
47
48
49
50
51
51
51
52
53
54
55
56
57
58
59
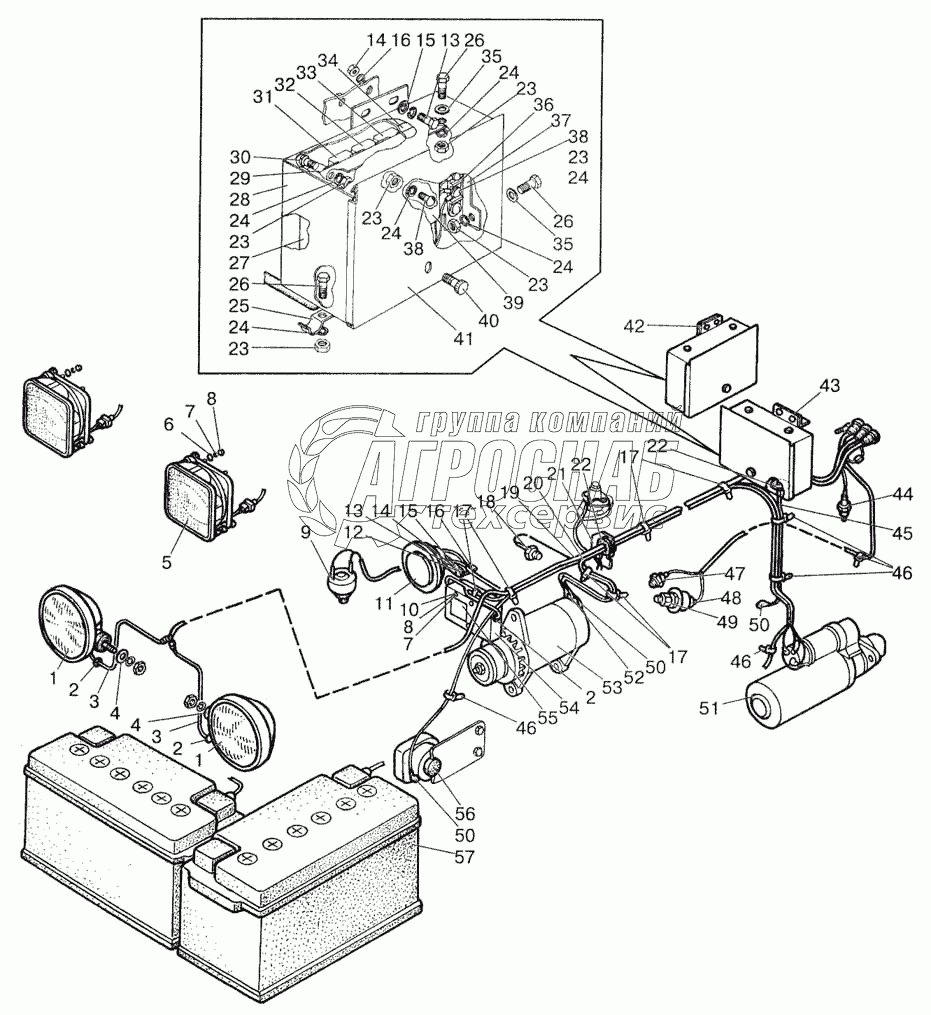
Изображение Артикул товара Наименование Наличие Единица измерения Количество Цена Корзина
1
312.3711 Фара Под заказ -
2
70-3723042-01 Втулка Под заказ -
3
1522-3724025 Жгут Под заказ -
4
ШЧ12 Шайба Под заказ -
5
8706.26-05 Фара Под заказ -
6
ШЧ5 Шайба Под заказ -
7
ШП5 Шайба Под заказ -
8
М5 Гайка Под заказ -
9
ДСФ-65 Датчик засоренности воздуха В наличии шт 251 ₽251 ₽
10
ВМ5х10 Винт Под заказ -
11
20.3721-01 Прибор звуковой сигнализации Под заказ -
12
М8х20 Болт Под заказ -
13
М8 Гайка Под заказ -
14
ШЧ8 Шайба Под заказ -
15
ШП8 Шайба Под заказ -
16
70-6702111 Угольник Под заказ -
17
80-3723045-01 Манжета Под заказ -
18
ДУТЖ-02 Датчик указателя температуры Под заказ -
19
923-3724040 Провод Под заказ -
20
822-3724867 Провод Под заказ -
21
80-3724345 Жгут Под заказ -
22
70-3723041 Кронштейн Под заказ -
23
70-3723042-02 Втулка Под заказ -
24
М6 Гайка Под заказ -
25
ШП6 Шайба Под заказ -
26
80-3723038 Скоба Под заказ -
27
М6х14 Болт Под заказ -
28
СДФ-2 Сопротивление добавочное Под заказ -
29
1522-3747010 Коробка Под заказ -
30
90.3747 Реле Под заказ -
31
ВМ6х10 Винт Под заказ -
32
БКП-1 Блок предохранителей Под заказ -
33
БУС-1 Блок предохранителей Под заказ -
34
732.3747 Реле стартера Под заказ -
35
711.3747 Реле Под заказ -
36
ШЧ6 Шайба Под заказ -
37
П14.3723 Панель Под заказ -
38
1522-3747011 Панель Под заказ -
39
ВМ6х20 Винт Под заказ -
40
11.3722 Блок предохранителей Под заказ -
41
80-3805065 Винт Под заказ -
42
1522-3747013 Крышка Под заказ -
43
923-3723015 Кронштейн Под заказ -
44
922М-3723011 Кронштейн Под заказ -
45
ДАТЖ Датчик аварийной температуры Под заказ -
46
922М-3724360 Жгут Под заказ -
47
80-3723045 Манжета Под заказ -
48
ДАДМ-03 Датчик Под заказ -
49
ДД-6Е Датчик Под заказ шт 2 190 ₽2 190 ₽
50
80-3829002 Штуцер Под заказ -
51
М2-14.13.238 Чехол Под заказ -
52
А20.3223 Стартер Под заказ -
53
54.24.445-Б Наконечник Под заказ -
54
96.3701-2 Генератор Под заказ -
55
80-3701012 Кронштейн Под заказ -
56
УВР-2-10 Устройство выпрямительно-регулирующее Под заказ -
57
1212.3737-05 Выключатель Под заказ шт 5 595 ₽5 595 ₽
58
АКБ 12В 28 А/Ч Батарея аккумуляторная Под заказ -
59
АКБ 12В 160 А/Ч Батарея аккумуляторная Под заказ -
Содержащиеся в справочниках-каталогах запасные части и детали не предлагаются к продаже, а носят исключительно информационный характер


Наши преимущества