Каталог запасных частей к технике: МТЗ-822. Термостат системы охлаждения

Термостат системы охлаждения

zoom-in zoom-out enlarge shrink circle-right circle-left file-text2 info cart
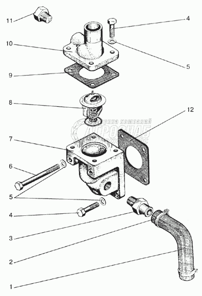
1
2
3
4
4
5
5
6
7
8
9
10
11
12
13
Изображение Артикул товара Наименование Наличие Единица измерения Количество Цена Корзина
1
50-1306028-Б3 Шланг Под заказ -
2
20-32 Хомут Норма Под заказ -
3
245-1306027 Штуцер Под заказ -
4
М8х25 Болт Под заказ -
5
50-1401067 Шайба Под заказ -
6
М8х95 Болт Под заказ -
7
245-1306030 Корпус термостата Под заказ -
8
245-1306021 Корпус Под заказ -
9
ТС-107-1306100-04 Термостат Под заказ -
10
245-1306023 Прокладка Под заказ -
11
245-1306025 Крышка Под заказ -
12
КГ3/8''(А12.016) Пробка Под заказ -
13
50-1306026 Прокладка Под заказ -
Содержащиеся в справочниках-каталогах запасные части и детали не предлагаются к продаже, а носят исключительно информационный характер


Наши преимущества