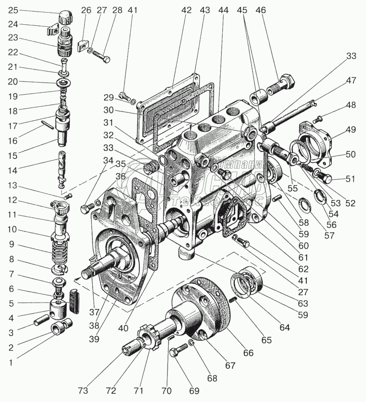
Каталог запасных частей к технике: МТЗ-922. Насос топливный высокого давления

Насос топливный высокого давления

zoom-in zoom-out enlarge shrink circle-right circle-left file-text2 info cart
1
2
6
7
8
9
10
11
12
13
14
15
16
17
18
19
20
21
22
23
24
25
26
27
28
29
30
31
32
33
34
34
35
36
37
38
39
40
40
41
42
43
44
45
46
47
48
48
49
50
51
52
53
54
55
56
57
58
59
60
61
62
63
64
65
66
66
67
68
69
70
71
72
73
74
75
76
77
78
79
80
Изображение Артикул товара Наименование Наличие Единица измерения Количество Цена Корзина
1
4УТНИ-Т-1111005-20 Насос топливный с регулятором Под заказ -
2
4УТНИ-1111005-20 Насос топливный Под заказ шт 76 703 ₽76 703 ₽
2
4УТНИ-1111005-20 Насос топливный Под заказ шт 10 656 ₽10 656 ₽
3
16-С13-1Б Клапан перепускной в сборе Под заказ -
4
4УТНМ-1111410-01 Плунжерная пара в сборе Под заказ шт 489 ₽489 ₽
5
4УТНМ-1111090-01 Толкатель в сборе Под заказ -
6
4УТНИ-Т-1111010 Насос топливный (1-73) Под заказ -
7
УТН-5-1111264 Втулка Под заказ -
8
УТН-5-1111263 Ролик Под заказ -
9
4УТНМ-1111266 Ось Под заказ -
10
4УТНМ-1111262-01 Корпус толкателя Под заказ -
11
4УТНМ-1111426 Фиксатор Под заказ -
12
УТН-5-1111267 Контргайка Под заказ -
13
4УТНМ-1111265 Болт Под заказ -
14
4УТНМ-1111472 Тарелка Под заказ -
15
УТН-5-1111138 Пружина Под заказ -
16
УТН-5-1111473-А Тарелка Под заказ -
17
УТН-5-1111431-01 Втулка Под заказ -
18
4УТНМ-1111432-01 Венец Под заказ -
19
УТН-5-1111433-А Винт Под заказ -
20
4УТНМ-1111422 Плунжер Под заказ -
21
4УТНМ-1111425-01 Втулка Под заказ -
22
УТН-3-1111489 Штифт Под заказ -
23
УТНИ-1111226 Седло Под заказ -
24
4УТНИ-1111220 Клапан Под заказ -
25
УТНИ-1111224 Клапан Под заказ -
26
4УТНИ-1111225 Пружина Под заказ -
27
16-212-В1 Прокладка Под заказ -
28
4УТНИ-1111487-01 Прокладка Под заказ -
29
4УТНИ-1111486 Вытеснитель Под заказ -
30
УТНИ-1111485 Штуцер Под заказ -
31
УТН-3-1111478-А2 Зажим Под заказ -
32
119-73-В Колпачок (деталь технологическая) Под заказ -
33
УТН-3-1111477-А2 Зажим Под заказ -
34
ШП6 Шайба Под заказ -
35
М6х30 Болт Под заказ -
36
УТН-3-1111488-01 Шайба Под заказ -
37
УТН-3-1111028-Г Футорка Под заказ -
38
УТН-5-1111519 Кольцо Под заказ -
39
УТН-5-1111023-А Пробка Под заказ -
40
4УТНМ-1111029 Втулка Под заказ -
41
М8х16 Болт Под заказ -
42
УТН-3-1111022-Б Футорка Под заказ -
43
УТН-5-1110242-В Шайба Под заказ -
44
УТН-5-1111155 Шпонка Под заказ -
45
УТНИ-1111152 Вал кулачковый Под заказ -
46
4УТНМ-1111082-11 Плита Под заказ -
47
4УТНМ-1111483-01 Прокладка Под заказ -
48
М6х20 Винт Под заказ -
49
УТН-5-1111475-А6 Крышка Под заказ -
50
УТН-5-1111476-А5 Прокладка Под заказ -
51
4УТНМ-1111025-30 Корпус насоса Под заказ -
52
119-85-1 Втулка (деталь технологическая) Под заказ -
53
А12.01.013-02 Болт Под заказ -
54
4УТНМ-1111350 Рейка Под заказ -
55
ВМ6х12 Винт Под заказ -
56
УТН-5-1111451-И Стакан Под заказ -
57
4УТНМ-1111213 Прокладка регулировочная Под заказ -
58
16-218 Пробка Под заказ -
59
16-219 Прокладка Под заказ -
60
16-057 Пружина Под заказ -
61
16-262 Шарик Под заказ -
62
16-216-1 Корпус Под заказ -
63
УТН-5-1111153 Шайба Под заказ -
64
УТН-5-1111154 Шайба Под заказ -
65
7204-К1 Подшипник Под заказ -
66
Д40-1110026 Штифт Под заказ -
67
ОНМ-019-2 Болт Под заказ -
68
ОНМ-086-1 Прокладка Под заказ -
69
16-148-Б Прокладка Под заказ -
70
УТН-3-1111026-А2 Пробка Под заказ -
71
4УТНМ-1111244 Пластина опорная Под заказ -
72
4УТНМ-1111243-10 Пружина Под заказ -
73
4УТНМ-1111493-01 Прокладка Под заказ -
74
4УТНМ-1111162-10 Фланец Под заказ -
75
ШП8 Шайба Под заказ -
76
М8х30 Болт Под заказ -
77
УТН-5-1111163 Заглушка Под заказ -
78
4УТНМ-1111165 Втулка Под заказ -
79
ШП14 Шайба Под заказ -
80
4УТНМ-1111144 Гайка Под заказ -
Содержащиеся в справочниках-каталогах запасные части и детали не предлагаются к продаже, а носят исключительно информационный характер


Наши преимущества