Каталог запасных частей к технике: ПТЗ К-700. Двигатель и установка

Двигатель и установка

zoom-in zoom-out enlarge shrink circle-right circle-left file-text2 info cart
5
6
7
8
9
10
11
11
11
12
12
13
14
15
15
15
15
16
16
16
17
18
19
61
20
21
22
22
23
23
23
24
25
26
26
27
27
28
29
30
31
31
32
32
33
33
34
35
36
37
37
37
38
38
38
39
39
39
40
41
42
43
44
45
46
46
46
47
47
47
48
49
50
51
52
53
54
55
56
57
57
58
58
59
60
19
61
62
63
64
64
65
65
65
65
66
66
66
67
67
68
69
70
71
72
73
74
Изображение Артикул товара Наименование Наличие Единица измерения Количество Цена Корзина
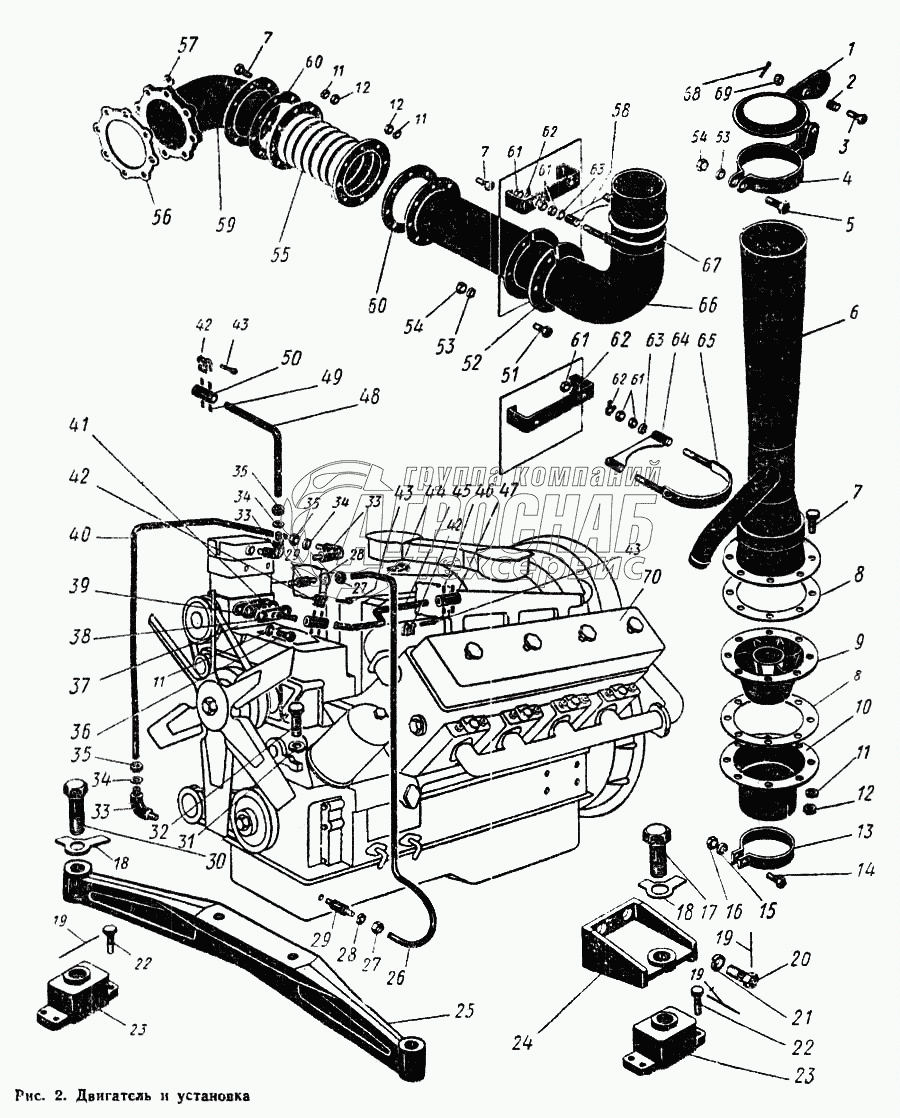
1
700.00.10.220 Крышка с хомутиком в сборе Под заказ -
2
700.10.00.000-1 Двигатель в сборе Под заказ -
3
700.00.10.080-3 Эжектор с искрогасителем в сборе Под заказ -
4
700.00.10.000-1 Установка двигателя Под заказ -
5
700.00.10.230 Планка (в сборе с дет. 700.00.10.063-1) Под заказ -
6
700.00.10.076 Втулка Под заказ -
7
Болт М10Х45-021 ГОСТ 7811-62 Болт М10Х45-021 ГОСТ 7811-62 Под заказ -
8
700.00.10.150-1 Хомут в сборе Под заказ -
9
Болт М6Х30-021 ГОСТ 7811-62 Болт М6Х30-021 ГОСТ 7811-62 Под заказ -
10
700.00.10.190-1 Эжектор в сборе Под заказ -
11
Болт М8Х25-021 ГОСТ 7805-62 и ГОСТ 7808- Болт М8Х25-021 ГОСТ 7805-62 и ГОСТ 7808-62 Под заказ -
12
700.00.10.071 Прокладка Под заказ -
13
700.00.10.100-1 Крыльчатка Под заказ -
14
700.00.10.180 Основание искрогасителя в сборе Под заказ -
15
Шайба пружинная 8Н ГОСТ 6402-61 Шайба пружинная 8Н ГОСТ 6402-61 Под заказ -
16
Гайка М8-011 ГОСТ 5927-62 Гайка М8-011 ГОСТ 5927-62 Под заказ -
17
700.00.10.048 Хомут Под заказ -
18
Болт М10Х45 ГОСТ 7811-62 Болт М10Х45 ГОСТ 7811-62 Под заказ -
19
Шайба пружинная 10Н ГОСТ 6402-61 Шайба пружинная 10Н ГОСТ 6402-61 Под заказ -
20
Гайка М10-011 ГОСТ 5927-62 Гайка М10-011 ГОСТ 5927-62 Под заказ -
21
700.00.10.012 Болт Под заказ -
22
Шайба стопорная 28-2 ГОСТ 3693-52 Шайба стопорная 28-2 ГОСТ 3693-52 Под заказ -
23
Проволока КО 1,6Х230 мм ГОСТ 792-67 Проволока КО 1,6Х230 мм ГОСТ 792-67 Под заказ -
24
700.10.00.013 Болт Под заказ -
25
Шайба пружинная 14Н ГОСТ 6402-61 Шайба пружинная 14Н ГОСТ 6402-61 Под заказ -
26
Болт III М16Х40-101 ГОСТ 7805-62 Болт III М16Х40-101 ГОСТ 7805-62 Под заказ -
27
700.00.10.020 Амортизатор в сборе АКСС-400м Под заказ -
28
700.10.00.011 Кронштейн Под заказ -
29
700.10.00.038 Траверса Под заказ -
30
700.10.00.029-3 Труба Под заказ -
31
Гайка накидная 6 ГОСТ 9122-67 Гайка накидная 6 ГОСТ 9122-67 Под заказ -
32
Муфта конусная 6 ГОСТ 9121-67 Муфта конусная 6 ГОСТ 9121-67 Под заказ -
33
Штуцер ввертной 6 ГОСТ 9113-67 Штуцер ввертной 6 ГОСТ 9113- 67 Под заказ -
34
700.00.10.041 Болт Под заказ -
35
Шайба пружинная 16Н ГОСТ 1 6402-61 Шайба пружинная 16Н ГОСТ 1 6402-61 Под заказ -
36
700.10.00.043 Болт Под заказ -
37
Угольник ввертный 12 ГОСТ 9115-67 Угольник ввертный 12 ГОСТ 9115-67 Под заказ -
38
Муфта конусная 12 ГОСТ 9121-67 Муфта конусная 12 ГОСТ 9121-67 Под заказ -
39
Гайка накидная 12 ГОСТ 9122-67 Гайка накидная 12 ГОСТ 9122-67 Под заказ -
40
Болт М8Х20-021 ГОСТ 7808-62 Болт М8Х20-021 ГОСТ 7808-62 Под заказ -
41
700.10.00.020 Компрессор пневматического тормоза Под заказ -
42
700.10.00.037-2 Патрубок Под заказ -
43
700.10.00.026 Прокладка Под заказ -
44
700.10.00.046 Труба Под заказ -
45
700.10.00.028 Прокладка Под заказ -
46
Рамка ХР Рамка ХР Под заказ -
47
Шплинт ХШ Шплинт ХШ Под заказ -
48
700.10.00.047 Хомут Под заказ -
49
700.10.00.045-1 Труба Под заказ -
50
Лента ХЛ-300 Лента ХЛ-300 Под заказ -
51
Рукав 1У22-15Х60 Рукав 1У22-15Х60 Под заказ -
52
700.10.00.016-1 Труба Под заказ -
53
Лента ХЛ-225 Лента ХЛ-225 Под заказ -
54
Рукав 1У12-15Х100 Рукав 1У12-15Х100 Под заказ -
55
Болт М6Х20-021 ГОСТ 7805-62 Болт М6Х20-021 ГОСТ 7805-62 Под заказ -
56
700.00.10.037 Полукольцо Под заказ -
57
Шайба пружинная 6Н ГОСТ 6402-61 Шайба пружинная 6Н ГОСТ 6402-61 Под заказ -
58
Гайка М61011 ГОСТ 6927-62 Гайка М61011 ГОСТ 6927-62 Под заказ -
59
700.00.10.070-1 Сильфом в сборе Под заказ -
60
700.10.00.018-2 Прокладка Под заказ -
61
Шайба пружинная 10Н ГОСТ 6402-61 Шайба пружинная 10Н ГОСТ 6402-61 Под заказ -
62
700.00.10.075-02 Хомут Под заказ -
63
700.10.00.030-1 Труба в сборе Под заказ -
64
700.00.10.022 Прокладка Под заказ -
65
Гайка М12-011 ГОСТ 5927-62 Гайка М12-011 ГОСТ 5927-62 Под заказ -
66
Шайба стопорная 13-2 ГОСТ 3693-52 Шайба стопорная 13-2 ГОСТ 3693- 52 Под заказ -
67
Шайба пружинная 12Н ГОСТ 6402-61 Шайба пружинная 12Н ГОСТ 6402-61 Под заказ -
68
700.00.10.075-01 Хомут Под заказ -
69
700.00.10.200 Хомут Под заказ -
70
700.00.10.090 Труба в сборе Под заказ -
71
700.00.10.210 Хомут Под заказ -
72
Шплинт 2,5Х25-001 ГОСТ 397-66 Шплинт 2,5Х25-001 ГОСТ 397-66 Под заказ -
73
Гайка М10-011 ГОСТ 5932-62 Гайка М10-011 ГОСТ 5932-62 Под заказ -
74
700.10.00.090-1 Двигатель ЯМЗ-238НБ Под заказ -
Содержащиеся в справочниках-каталогах запасные части и детали не предлагаются к продаже, а носят исключительно информационный характер


Наши преимущества