Каталог запасных частей к технике: ПТЗ К-700. Топливный насос высокого давления

Топливный насос высокого давления

zoom-in zoom-out enlarge shrink circle-right circle-left file-text2 info cart
27
28
28
29
30
31
32
32
33
34
35
36
37
38
39
40
41
42
43
3
44
45
46
47
48
49
50
51
52
53
54
55
56
57
58
59
60
61
62
63
64
65
66
67
68
69
70
71
72
73
74
75
76
77
78
79
80
81
82
83
84
85
86
87
88
89
90
91
92
93
94
95
96
Изображение Артикул товара Наименование Наличие Единица измерения Количество Цена Корзина
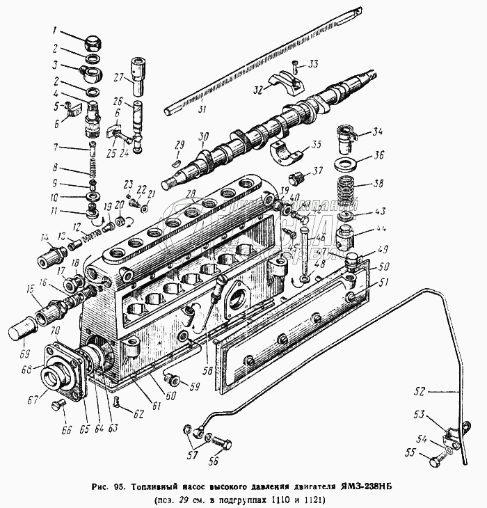
1
236-1111138 Толкатель плунжера Под заказ -
2
310121-П Болт регулировочный толкателя Под заказ -
3
312448-П Шайба Под заказ -
4
236-1111140 Ролик толкателя Под заказ -
5
236-1111147 Пружина толкателя топливного касоса, верхняя и нижняя тарелки толкателя Под заказ -
6
236-1111074-А Пара плунжерная топливного насоса в сборе Под заказ -
7
236-1111142 Ось ролика толкателя Под заказ -
8
236-1111177 Опора кулачкового вала в сборе Под заказ -
9
236-1111236-А Ограничитель мощности в сборе Под заказ -
10
238НБ-1111007-Б Насос топливный высокого давления с регулятором числа оборотов в сборе Под заказ -
11
236-1111180-Б Крышка подшипника в сборе Под заказ -
12
238-1111220-А4 Крышка насоса высокого давления в сборе Под заказ -
13
238-1111022-Б2 Корпус топливного насоса высокого давления Под заказ -
14
236-1111196 Кольцо уплотнительное Под заказ -
15
238-1111170-Б Вал кулачковый топливного насоса в сборе Под заказ -
16
236-1111062 Венец зубчатый Под заказ -
17
310607-П15 Винт стяжной зубчатого венца Под заказ -
18
236-1111064 Втулка зубчатого венца Под заказ -
19
236-1110209-Б Втулка Под заказ -
20
236-1111042-А Втулка рейки насоса высокого давления Под заказ -
21
311809-П15 Гайка кольцевая Под заказ -
22
311415-П Контргайка болта Под заказ -
23
236-1111228 Кольцо стопорное пружинное Под заказ -
24
236-1111144 Втулка ролика толкателя Под заказ -
25
236-1111282-А2 Клапан в сборе Под заказ -
26
236-1111102 Клапан нагнетательный в сборе Под заказ -
27
312107-П15 Гайка колпачковая Под заказ -
28
312450-П Шайба Под заказ -
29
236-1111116 Ниппель соединительный Под заказ -
30
236-1111118-Б Штуцер топливного насоса Под заказ -
31
250508-П29 Гайка Под заказ -
32
236-1111120 Сухарь штуцера Под заказ -
33
236-1111113 Упор клапана Под заказ -
34
236-1111108 Пружина нагнетательного клапана Под заказ -
35
236-1111106 Клапан нагнетательный Под заказ -
36
236-1111086 Прокладка нагнетательного клапана Под заказ -
37
236-1111104 Седло нагнетательного клапана Под заказ -
38
236-1111289-В Пружина клапана Под заказ -
39
236-1111290 Направляющая клапана Под заказ -
40
236-1111285-Б Корпус клапана Под заказ -
41
236-1111238-В Втулка ограничителя мощности Под заказ -
42
236-1111249-А Винт ограничения мощности Под заказ -
43
236-1111032 Ввертыш корпуса Под заказ -
44
312448-П Шайба Под заказ -
45
236-1111283 Клапан Под заказ -
46
236-1111287 Седло клапана Под заказ -
47
312442-П Шайба Под заказ -
48
310952-П15 Винт стопорный Под заказ -
49
236-1111154-А Стопор винта Под заказ -
50
201426-П29 Болт стяжной сухаря Под заказ -
51
252134-П29 Шайба пружинная Под заказ -
52
236-1111076-А Плунжер Под заказ -
53
236-1111078 Втулка плунжера Под заказ -
54
238-1111020-Б Корпус топливного насоса высокого давления в сборе Под заказ -
55
314019-П Шпонка сегментная Под заказ -
56
238-111172-Б Вал кулачковый Под заказ -
57
238-1111040 Рейка топливного насоса высокого давления Под заказ -
58
236-1111178 Половина опоры верхняя Под заказ -
59
220057-П15 Винт опоры стяжной Под заказ -
60
236-1111060 Венец зубчатый с втулкой в сборе Под заказ -
61
236-1111179 Половина опоры нижняя Под заказ -
62
236-1111150-Б Тарелка пружины толкателя верхняя Под заказ -
63
236-1111050 Пробка корпуса Под заказ -
64
236-1111148-Б Пружина толкателя топливного насоса Под заказ -
65
312449-П Шайба Под заказ -
66
236-1111030 Ввертыш корпуса Под заказ -
67
312353-П Шайба уплотнительная Под заказ -
68
316116-П15 Пробка спуска воздуха Под заказ -
69
236-1111151-Б Тарелка пружины толкателя нижняя Под заказ -
70
236-1111136 Толкатель плунжера в сборе Под заказ -
71
236-П11122 Винт втулки плунжера установочный Под заказ -
72
200276-П29 Болт масляного насоса стяжной Под заказ -
73
236-1111260 Сапун в сборе Под заказ -
74
312356-П29 Шайба Под заказ -
75
238-1111226 Прокладка крышки Под заказ -
76
238-1111222-Б2 Крышка насоса высокого давления Под заказ -
77
236-1111229 Болт крепления крышки Под заказ -
78
238-1111294 Трубка дренажная в сборе Под заказ -
79
315455-П29С Кляммер крепления трубки Под заказ -
80
252135-П2 Шайба пружинная В наличии шт 6 ₽6 ₽
81
201452-П29 Болт крепления кляммера Под заказ -
82
310122-П2 Болт Под заказ -
83
312482-П Шайба Под заказ -
84
236-1111271 Указатель уровня масла в сборе Под заказ -
85
236-1111036 Ввертыш Под заказ -
86
238-1111210 Крышка насоса высокого давления нижняя Под заказ -
87
238-1111214 Прокладка крышки Под заказ -
88
221578-П29 Винт крепления крышки Под заказ -
89
312439-П15 Шайба Под заказ -
90
7204 Роликовый конический подшипник Под заказ -
91
236-1111193 Прокладка крышки Под заказ -
92
311200-П29 Винт крепления корпуса регулятора Под заказ -
93
236-1111186-А Сальник корпуса регулятора с пружиной в сборе Под заказ -
94
236-1111182 Крышка подшипника Под заказ -
95
236-1111247 Колпачок Под заказ -
96
236-1111194 Прокладка крышки Под заказ -
Содержащиеся в справочниках-каталогах запасные части и детали не предлагаются к продаже, а носят исключительно информационный характер


Наши преимущества