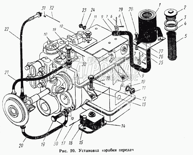
Каталог запасных частей к технике: ПТЗ К-700. Установка коробки передач

Установка коробки передач

zoom-in zoom-out enlarge shrink circle-right circle-left file-text2 info cart
3
4
5
6
7
8
8
9
9
10
10
11
11
12
12
12
12
13
13
14
15
16
17
18
19
20
21
21
22
23
24
25
26
27
28
29
30
31
32
32
33
34
Изображение Артикул товара Наименование Наличие Единица измерения Количество Цена Корзина
1
700.00.17.000-5 Установка коробки -передач Под заказ -
2
700.00.17.010 Бачок заливной Под заказ -
3
700.00.17.020 Корпус в сборе Под заказ -
4
700.00.17.024-2 Пробка Под заказ шт 0 ₽
5
700.00.17.011 Кольцо Под заказ -
6
700.00.17.012 Прокладка Под заказ -
7
700.00.17.030 Фильтр в сборе Под заказ -
8
Лента ХЛ-375 Лента ХЛ-375 Под заказ -
9
Рамка ХР Рамка ХР Под заказ -
10
Шплинт ХШ Шплинт ХШ Под заказ -
11
Рукав 1У32-15Х90 Рукав 1У32-15Х90 Под заказ -
12
700.17.01.413 Прокладка В наличии шт 118 ₽118 ₽
13
Пробка с буртиком М22Х1,5 Пробка с буртиком М22Х1,5 Под заказ -
14
Болт М22Х65-101 ГОСТ 7808-62 Болт М22Х65-101 ГОСТ 7808-62 Под заказ -
15
Шайба пружинная 22Н ГОСТ 6402-61 Шайба пружинная 22Н ГОСТ 6402-61 Под заказ -
16
700.00.17.170 Амортизатор типа АКСС-220м В наличии шт 1 110 ₽1 110 ₽
17
Шайба пружинная 14Н ГОСТ 6402-61 Шайба пружинная 14Н ГОСТ 6402-61 Под заказ -
18
Болт III М14Х35 ГОСТ 7808-62 Болт III М14Х35 ГОСТ 7808-62 Под заказ -
19
Проволока КО 1,6Х700 мм ГОСТ 792-67 Проволока КО 1,6Х700 мм ГОСТ 792-67 Под заказ -
20
Проволока КО 1,6Х200 мм ГОСТ 792-67 Проволока КО 1,6Х200 мм ГОСТ 792-67 Под заказ -
21
700.17.24.023-2 Болт зажимной В наличии шт 862 ₽862 ₽
21
700.17.24.023-2 Болт зажимной Под заказ шт 836 ₽836 ₽
22
700.17.24.240-02 Рукав в сборе Под заказ -
23
700.17.24.270 Рукав в сборе Под заказ -
24
700.00.17.210 Вал гибкий в сборе ГВ44-АН Под заказ -
25
Пробка с буртиком М12Х1,25 Пробка с буртиком М12Х1,25 Под заказ -
26
Прокладка 12Х18 Прокладка 12Х18 Под заказ -
27
Гайка М8-011 ГОСТ 5927-62 Гайка М8-011 ГОСТ 5927-62 Под заказ -
28
Шайба пружинная 8Н ГОСТ 6402-61 Шайба пружинная 8Н ГОСТ 6402-61 Под заказ -
29
Шайба 8-001 ГОСТ 11371-68 Шайба 8-001 ГОСТ 11371-68 Под заказ -
30
Болт М8Х20-021 ГОСТ 7808-32 Болт М8Х20-021 ГОСТ 7808-32 Под заказ -
31
700.00.17.065 Труба Под заказ -
32
Проволока КО 1,6Х150 мм ГОСТ 792-67 Проволока КО 1,6Х150 мм ГОСТ 792-67 Под заказ -
33
Пломба 10 Пломба 10 Под заказ -
34
Проволока КО 1Х150 мм ГОСТ 792-67 Проволока КО 1Х150 мм ГОСТ 792-67 Под заказ -
Содержащиеся в справочниках-каталогах запасные части и детали не предлагаются к продаже, а носят исключительно информационный характер


Наши преимущества