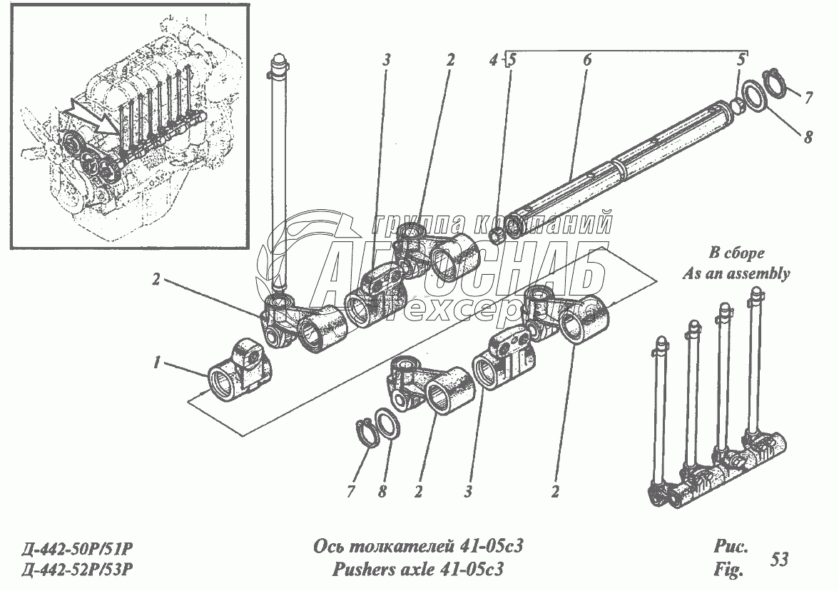
Каталог запасных частей к технике: РСМ CK-5М-1 «Нива». Ось толкателей 41-05с3

Ось толкателей 41-05с3

zoom-in zoom-out enlarge shrink circle-right circle-left file-text2 info cart
1
2
2
2
2
3
3
4
5
5
6
7
7
8
8
Изображение Артикул товара Наименование Наличие Единица измерения Количество Цена Корзина
1
01-0510А Опора оси толкателей маслоподводящая Под заказ -
2
01-05с10 Толкатель Под заказ -
3
01-0512А Опора оси толкателей Под заказ -
4
41-05с14 Ось толкателей Под заказ -
5
01-0542 Заглушка Под заказ -
6
41-0506-1 Ось толкателей Под заказ -
7
01-0541 Кольцо стопорное Под заказ -
8
448-0505 Шайба Под заказ -
Содержащиеся в справочниках-каталогах запасные части и детали не предлагаются к продаже, а носят исключительно информационный характер


Наши преимущества