| № | Изображение | Артикул товара | Наименование | Наличие | Единица измерения | Количество | Цена | Корзина | |
|---|---|---|---|---|---|---|---|---|---|
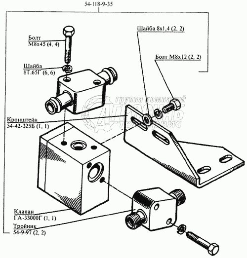
| 1 | Болт М8х12 | Болт М8х12 | Под заказ | - | |||||
| 2 | Болт М8х45 | Болт М8х45 | Под заказ | - | |||||
| 3 | 54-118-9-35 | Клапан предохранительный | Под заказ | - | |||||
| 4 | ГА-33000Г | Клапан предохранительный | Под заказ | - | |||||
| 5 | 54-42-325Б | Кронштейн | Под заказ | - | |||||
| 6 | 54-9-97 | Тройник | Под заказ | - | |||||
| 7 | 8Т.65Г | Шайба | Под заказ | - |