| № | Изображение | Артикул товара | Наименование | Наличие | Единица измерения | Количество | Цена | Корзина | |
|---|---|---|---|---|---|---|---|---|---|
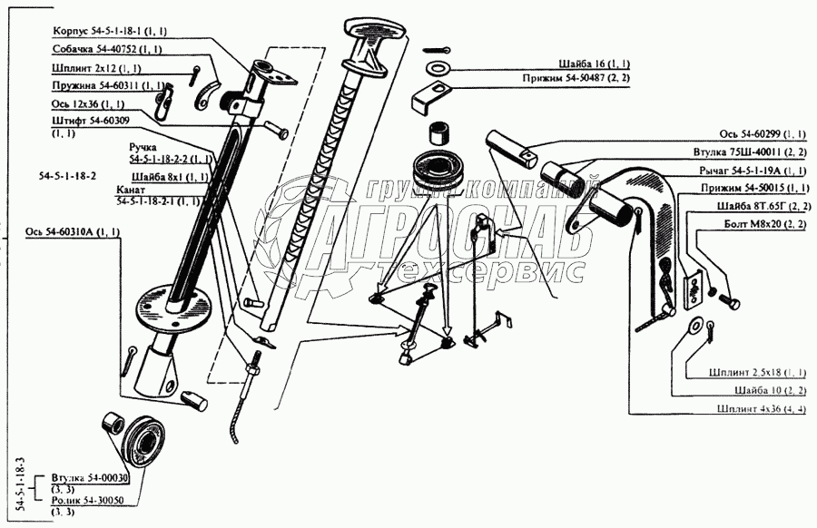
| 1 | 54-60311 | Пружина | Под заказ | - | |||||
| 2 | 54-60309 | Штифт | Под заказ | - | |||||
| 3 | Шплинт 4х36 | Шплинт 4х36 | Под заказ | - | |||||
| 4 | Шплинт 2,5х18 | Шплинт 2,5х18 | Под заказ | - | |||||
| 5 | Шайба 8х1 | Шайба 8х1 | Под заказ | - | |||||
| 6 | 8Т.65Г | Шайба | Под заказ | - | |||||
| 7 | 54-40752 | Собачка | Под заказ | - | |||||
| 8 | 54-5-1-19А | Рычаг | Под заказ | - | |||||
| 9 | 54-5-1-18-2-2 | Ручка | Под заказ | - | |||||
| 10 | 54-30050 | Ролик | Под заказ | - | |||||
| 11 | 54-5-1-18-2 | Щиток | Под заказ | - | |||||
| 12 | 54-50487 | Прижим | Под заказ | - | |||||
| 13 | 54-50015 | Прижим | Под заказ | - | |||||
| 14 | Ось 12х36 | Ось 12х36 | Под заказ | - | |||||
| 15 | 54-60310А | Ось | Под заказ | - | |||||
| 16 | 54-60299 | Ось | Под заказ | - | |||||
| 17 | 54-5-1-18-1 | Корпус | Под заказ | - | |||||
| 18 | 54-5-1-18-2-1 | Канат | Под заказ | - | |||||
| 19 | 75Ш-40011 | Втулка | Под заказ | - | |||||
| 20 | 54-00030 | Втулка | Под заказ | - | |||||
| 21 | 54-5-1-18-3 | Ролик | Под заказ | - |