| № | Изображение | Артикул товара | Наименование | Наличие | Единица измерения | Количество | Цена | Корзина | |
|---|---|---|---|---|---|---|---|---|---|
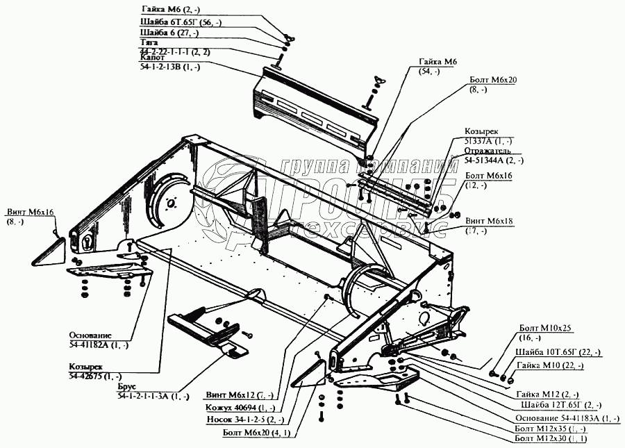
| 1 | 54-1-2-13В | Капот | Под заказ | - | |||||
| 2 | 44-2-22-1-1-1 | Тяга | Под заказ | - | |||||
| 3 | 54-51344А | Отражатель | Под заказ | - | |||||
| 4 | 54-41183А | Основание | Под заказ | - | |||||
| 5 | 54-41182А | Основание | Под заказ | - | |||||
| 6 | 34-1-2-5 | Носок | Под заказ | - | |||||
| 7 | 54-1-2-1А | Корпус жатки | Под заказ | - | |||||
| 8 | 54-42675 | Козырек | Под заказ | - | |||||
| 9 | 51337А | Козырек | Под заказ | - | |||||
| 10 | 40694 | Кожух | Под заказ | - | |||||
| 11 | Гайка М6 | Гайка М6 | Под заказ | - | |||||
| 12 | Гайка М6 | Гайка М6 | Под заказ | - | |||||
| 13 | Винт М6х18 | Винт М6х18 | Под заказ | - | |||||
| 14 | Винт М6х12 | Винт М6х12 | Под заказ | - | |||||
| 15 | 54-1-2-1-1-3А | Брус | Под заказ | - | |||||
| 16 | Болт М6х20 | Болт М6х20 | Под заказ | - | |||||
| 17 | Болт М6х20 | Болт М6х20 | Под заказ | - | |||||
| 18 | Болт М6х16 | Болт М6х16 | Под заказ | - | |||||
| 19 | Болт М12х35 | Болт М12х35 | Под заказ | - |