Каталог запасных частей к технике: РСМ CK-5М-1 «Нива». Механизм регулировки мотовила

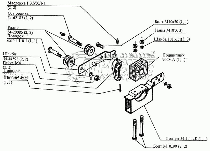
Механизм регулировки мотовила

zoom-in zoom-out enlarge shrink circle-right circle-left file-text2 info cart
1
2
3
5
6
4
7
8
9
10
11
12
Изображение Артикул товара Наименование Наличие Единица измерения Количество Цена Корзина
1
Болт М10х90 Болт М10х90 Под заказ -
2
Гайка М4 Гайка М4 Под заказ -
3
1.3.УХЛ-1 Масленка Под заказ -
4
65Г-1-1-6-1 Механизм регулировки мотовила Под заказ -
5
54-62183 Ось ролика Под заказ -
6
20033 Поводок Под заказ -
7
65Г-1-1-6-1 Механизм регулировки мотовила Под заказ -
8
90080А Подшипник Под заказ -
9
54-1-1-4Б Ползун Под заказ -
10
54-20085 Ролик Под заказ -
11
54-44593 Шайба Под заказ -
12
Шплинт 4х25 Шплинт 4х25 Под заказ -
Содержащиеся в справочниках-каталогах запасные части и детали не предлагаются к продаже, а носят исключительно информационный характер


Наши преимущества