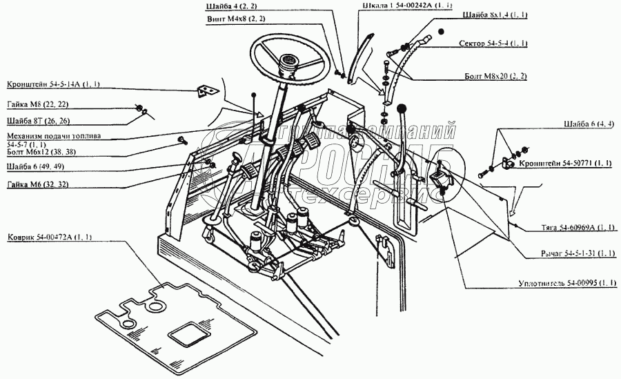
Каталог запасных частей к технике: РСМ CK-5М-1 «Нива». Площадка управления

Площадка управления

zoom-in zoom-out enlarge shrink circle-right circle-left file-text2 info cart
1
Изображение Артикул товара Наименование Наличие Единица измерения Количество Цена Корзина
1
Гайка М6 Гайка М6 Под заказ -
Содержащиеся в справочниках-каталогах запасные части и детали не предлагаются к продаже, а носят исключительно информационный характер


Наши преимущества