| № | Изображение | Артикул товара | Наименование | Наличие | Единица измерения | Количество | Цена | Корзина | |
|---|---|---|---|---|---|---|---|---|---|
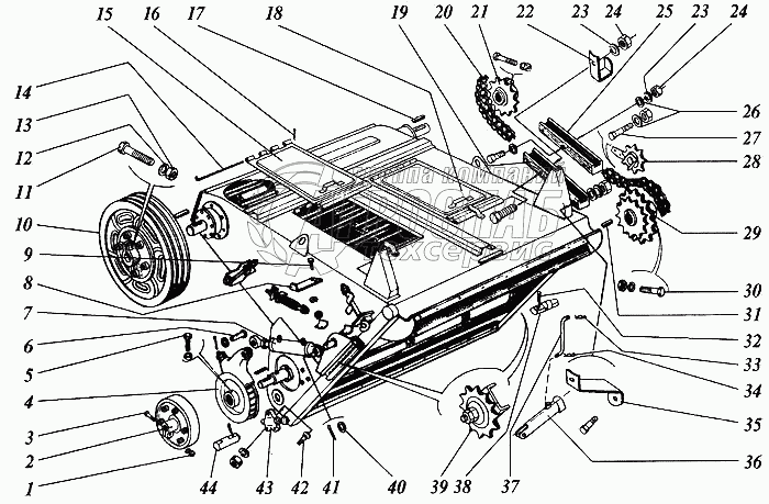
| 1 | 3518060-18490А | Крышка правая | Под заказ | - | |||||
| 2 | М12х1,25.6Н.6.019 | Гайка | Под заказ | - | |||||
| 3 | 3518060-18600В | Устройство предохранительное | Под заказ | - | |||||
| 4 | М12-1,25х6gх65.88.35.019 | Болт | Под заказ | - | |||||
| 5 | 3518060-18560Б | Механизм реверса | Под заказ | - | |||||
| 6 | ВМ10-6gх25.22Н.019 | Винт | Под заказ | - | |||||
| 7 | 6-20В12х50.35.Ц9Хр | Ось | Под заказ | - | |||||
| 8 | ГА-93000-02 | Гидроцилиндр | Под заказ | шт | 2 686 ₽2 686 ₽ | ||||
| 9 | 3518060-14019 | Кронштейн | Под заказ | - | |||||
| 10 | М10-6gх25.88.35.019 | Болт | Под заказ | - | |||||
| 11 | 3518060-18130А | Шкив | Под заказ | - | |||||
| 12 | М12-6gх75.88.35.019 | Болт | Под заказ | - | |||||
| 13 | 12Т.65Г.019 | Шайба | Под заказ | - | |||||
| 14 | М12-6Н.6.019 | Гайка | Под заказ | - | |||||
| 15 | 3518050-16322 | Шомпол | Под заказ | - | |||||
| 16 | 3518060-16322 | Шомпол | Под заказ | - | |||||
| 17 | 3518050-18480А | Крышка | Под заказ | - | |||||
| 18 | 2,5х25.019 | Шплинт | Под заказ | - | |||||
| 19 | 2-14х9х70 | Шпонка | Под заказ | - | |||||
| 20 | 3518060-18480А | Крышка левая | Под заказ | - | |||||
| 21 | 3518060-19011А | Успокоитель | Под заказ | - | |||||
| 22 | ПР-24,4-6000А | Цепь L=2717,8 n-107зв. | Под заказ | - | |||||
| 23 | 3518060-18440А | Звездочка z=20 t-25,4 | Под заказ | - | |||||
| 24 | 3518060-15173А | Скоба | Под заказ | - | |||||
| 25 | 10Т.65Г.019 | Шайба | Под заказ | - | |||||
| 26 | М10-6Н.6.019 | Гайка | Под заказ | - | |||||
| 27 | 3518060-19009А | Успокоитель | Под заказ | - | |||||
| 28 | С10х3.01.019 | Шайба | Под заказ | - | |||||
| 29 | М10-6gх90.88.35.019 | Болт | Под заказ | - | |||||
| 30 | 3518060-18380Б | Звездочка натяжная | Под заказ | - | |||||
| 31 | 3518060-18390Б | Блок звездочек z=28 z=25 t=25,4 | Под заказ | - | |||||
| 32 | М12-6gх65.88.35.019 | Болт | Под заказ | - | |||||
| 33 | 2-12х8х50 | Шпонка | Под заказ | - | |||||
| 34 | 6,3х45.019 | Шплинт | Под заказ | - | |||||
| 35 | 3,2х20.019 | Шплинт | Под заказ | - | |||||
| 36 | 2.2,8х40.019 | Шплинт пружинный ОСТ 2322-79 | Под заказ | - | |||||
| 37 | 3518060-15161 | Лапка | Под заказ | - | |||||
| 38 | 3518060-18450А | Упор гидроцилиндра | Под заказ | - | |||||
| 39 | 3518060-16428 | Крюк | Под заказ | - | |||||
| 40 | 3518060-16427А-01 | Палец | Под заказ | - | |||||
| 41 | 3518060-18630Б | Звездочка натяжная | В наличии | шт | 972 ₽972 ₽ | ||||
| 42 | С20х3,9.01.019 | Шайба | Под заказ | - | |||||
| 43 | 4х32.019 | Шплинт | Под заказ | - | |||||
| 44 | М12х65 | Болт | Под заказ | - | |||||
| 45 | 3518060-18580Б | Фиксатор реверса | Под заказ | - | |||||
| 46 | 3518060-16427А | Палец | Под заказ | - |