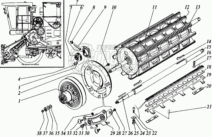
Каталог запасных частей к технике: РСМ Дон 1200Б. Барабан молотильный

Барабан молотильный

zoom-in zoom-out enlarge shrink circle-right circle-left file-text2 info cart
1
2
3
4
5
6
7
8
9
10
11
12
13
14
15
16
17
18
19
20
21
22
23
24
25
26
27
28
29
30
31
32
33
34
35
36
37
38
39
40
41
42
43
44
45
Изображение Артикул товара Наименование Наличие Единица измерения Количество Цена Корзина
1
РСМ-10.01.18.060Б Вариатор барабана Под заказ -
2
РСМ-10.01.18.130 Фланец Под заказ -
3
16Т.65Г.019 Шайба Под заказ -
4
М16-6Н.6.019 Гайка Под заказ -
5
680314НК7С17 Подшипник или 680314НК7С27 Под заказ шт 6 353 ₽6 353 ₽
6
Н.027.116 Корпус подшипника В наличии шт 2 520 ₽2 520 ₽
7
Н.027.01.160 Подшипник в сборе или опора или РСМ-10.01.15.330 В наличии шт 6 514 ₽6 514 ₽
8
2.2.45.Ц6хр Масленка Под заказ -
9
44Б-80243 Трубка Под заказ шт 830 ₽830 ₽
10
М16х50 Болт Под заказ -
11
РСМ-8.01.18.410 Остов барабана Под заказ -
12
РСМ-10.01.18.410 Остов барабана Под заказ -
13
РСМ-8.01.18.707 Бич правый Под заказ -
14
РСМ-10.01.18.707 Бич правый Под заказ -
15
РСМ-8.01.18.708 Бич левый Под заказ -
16
РСМ-10.01.18.708 Бич левый Под заказ -
17
РСМ-10.01.18.604 Шпонка специальная или РСМ-10.01.18.301 Под заказ -
18
РСМ-10.01.18.301 Шпонка специальная или РСМ-10.01.18.604 Под заказ -
19
РСМ-8.01.18.260 Вал барабана Под заказ -
20
РСМ-10.01.18.260 Вал барабана Под заказ -
21
54-62388-01 Болт Под заказ -
22
С12х2,0.01.019 Шайба Под заказ -
23
РСМ-8.01.18.413 Прокладка (по потребности) Под заказ -
24
РСМ-10.01.18.413 Прокладка (по потребности) Под заказ -
25
РСМ-8.01.18.425 Подбичник Под заказ -
26
РСМ-10.01.18.425 Подбичник Под заказ -
27
РСМ-10.01.18.414 Пластина балансировочная (по потребности) Под заказ -
28
РСМ-10.01.18.619 Заклепка Под заказ -
29
54-62388 Болт специальный Под заказ -
30
РСМ-10.01.18.501 Шайба Под заказ -
31
12Т.65Г.019 Шайба Под заказ -
32
М12х1,25-6Н.6.019 Гайка Под заказ -
33
18х11х200 Шпонка Под заказ -
34
М8х20 Болт Под заказ -
35
РСМ-10.01.18.409 Накладка Под заказ -
36
РСМ-10.01.18.150 Крышка Под заказ -
37
С8х1,4.01.019 Шайба Под заказ -
38
8Т.65Г.019 Шайба Под заказ -
39
М8-6Н.6.019 Гайка В наличии шт 1 ₽1 ₽
40
44-1-2-16-2 Винт Под заказ -
41
44-00241 Втулка Под заказ -
42
С42х4,0.01.019 Шайба Под заказ -
43
Н42х1,4.01.019 Шайба Под заказ -
44
ВМ42х1,5-6Н.05.019 Гайка Под заказ -
45
1.2.Ц6хр Масленка Под заказ -
Содержащиеся в справочниках-каталогах запасные части и детали не предлагаются к продаже, а носят исключительно информационный характер


Наши преимущества