Каталог запасных частей к технике: РСМ Дон 1200Б. Домолачивающее устройство

Домолачивающее устройство

zoom-in zoom-out enlarge shrink circle-right circle-left file-text2 info cart
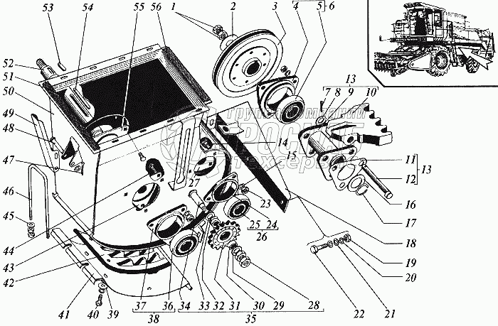
1
2
3
4
5
6
7
8
9
10
11
12
13
14
15
15
16
17
18
19
20
21
22
23
24
25
26
27
28
29
30
31
32
33
34
35
36
37
38
39
40
41
42
43
44
45
46
47
48
49
50
51
52
53
54
55
56
57
58
59
60
61
Изображение Артикул товара Наименование Наличие Единица измерения Количество Цена Корзина
1
М16-6Н.6.019 Гайка Под заказ -
2
С16х3,9.01.019 Шайба Под заказ -
3
РСМ-10.01.39.111 Шкив Под заказ -
4
Н.027.105 Корпус подшипника Под заказ -
5
1680207К7С17 Подшипник Под заказ -
6
1680207К10С27 Подшипник Под заказ -
7
Н027.01.050 Опора Под заказ -
8
4х28.019 Шплинт Под заказ -
9
С16х01.019 Шайба Под заказ -
10
РСМ-10.01.39.090 Крестовина Под заказ -
11
РСМ-10.01.39.203Г Лопасть или РСМ-10.01.39.101 В наличии шт 819 ₽819 ₽
12
РСМ-10.01.39.101 Лопасть или РСМ-10.01.39.203Г Под заказ -
13
РСМ-10.01.39.403 Шайба стопорная Под заказ -
14
РСМ-10.01.39.602 Ось Под заказ -
15
РСМ-10.01.39.020А Ротор домолачивающего устройства Под заказ -
16
М8х30 Болт Под заказ -
17
8Т.65Г.019 Шайба Под заказ -
18
С30х2,0.01.019 Шайба Под заказ -
19
С30 Кольцо ГОСТ 13942-86 Под заказ -
20
РСМ-10.01.39.150А Кронштейн Под заказ -
21
М10-6Н.6.019 Гайка Под заказ -
22
10Т.65Г.019 Шайба Под заказ -
23
С10х2,0.01.019 Шайба Под заказ -
24
М10-8gх25.88.35.019 Болт Под заказ -
25
М8-6Н.6.019 Гайка В наличии шт 1 ₽1 ₽
26
Н.027.103 Корпус подшипника или РСМ-10.27.01.101 Под заказ -
27
1680205К7С17 Подшипник Под заказ -
28
1680205К10С27 Подшипник Под заказ -
29
Н027.01.030 Опора подшипника Под заказ -
30
Н.166.203 Крышка подшипника Под заказ -
31
М14-6Н.6.019 Гайка Под заказ -
32
С14х3.01.019 Шайба Под заказ -
33
80440 Втулка или 54-00781 Под заказ -
34
54-00781 Втулка или 80440 Под заказ -
35
54-2-48-1 Звездочка z=17 t=19,05 Под заказ -
36
20х1.01.019 Шайба Под заказ -
37
20х2.01.019 Шайба Под заказ -
38
44-60219А Ось Под заказ -
39
54-0-52 Звездочка натяжная Под заказ -
40
1680206К7С17 Подшипник или 1680206К10С27 Под заказ -
41
1680206К10С27 Подшипник или 1680206К7С17 Под заказ -
42
Н.027.104 Корпус подшипника В наличии шт 611 ₽611 ₽
42
Н.027.104 Корпус подшипника Под заказ шт 481 ₽481 ₽
43
Н.027.01.040 Опора (для комбайнов с копнителем) Под заказ -
44
С10х3,0.01.019 Шайба Под заказ -
45
М10-8gх20.88.35.019 Болт Под заказ -
46
РСМ-10.01.39.120 Обечайка Под заказ -
47
РСМ-10.01.39.202 Дека Под заказ -
48
РСМ-10.01.39.406 Крышка подшипника Под заказ -
49
М10х35 Болт Под заказ -
50
С8х1,4.01.019 Шайба Под заказ -
51
РСМ-10.01.50.606А Вилка Под заказ -
52
2х16.019 Шплинт Под заказ -
53
6-8в12х50.35.Ц9хр Ось Под заказ -
54
РСМ-10.01.50.442А Рукоятка Под заказ -
55
РСМ-10.01.39.010А Корпус Под заказ -
56
РСМ-10.01.08.007А-01 Прокладка Под заказ -
57
РСМ-10.01.39.601В Вал Под заказ -
58
8х7х36 Шпонка Под заказ -
59
8х7х100 Шпонка Под заказ -
60
Н.166.205 Крышка подшипника Под заказ -
61
РСМ-10.01.08.007А-02 Прокладка Под заказ -
Содержащиеся в справочниках-каталогах запасные части и детали не предлагаются к продаже, а носят исключительно информационный характер


Наши преимущества