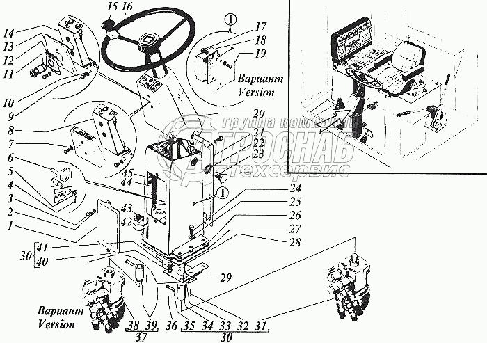
Каталог запасных частей к технике: РСМ Дон 1200Б. Рулевая колонка

Рулевая колонка

zoom-in zoom-out enlarge shrink circle-right circle-left file-text2 info cart
1
2
3
4
5
6
7
8
9
10
11
12
13
14
17
18
19
20
21
22
23
24
25
26
27
28
29
30
30
31
32
33
34
35
36
37
38
39
40
41
42
43
44
45
46
47
Изображение Артикул товара Наименование Наличие Единица измерения Количество Цена Корзина
1
РСМ-10.04.13.401А Крышка Под заказ -
2
4Т.65Г.019 Шайба Под заказ -
3
ВМ4-6gх14.48.036 Винт Под заказ -
4
2.2,8х40.019 Шплинт пружинный ОСТ 2322-79 Под заказ -
5
С10.01.019 Шайба Под заказ -
6
6-10в.12х30.35.Ц9хр Ось Под заказ -
7
С4х0,8.01.019 Шайба Под заказ -
8
РСМ-10.04.13.290В Кронштейн Под заказ -
9
ВМ6-6gх12.48.036 Винт Под заказ -
10
6Т.65Г.019 Шайба Под заказ -
11
32.3710 Выключатель аварийной сигнализации (для экспорта) Под заказ -
12
РСМ-10.04.13.037 Кронштейн (для экспорта) Под заказ -
13
РСМ-10.04.13.280-01 Оболочка (для экспорта) Под заказ -
14
РСМ-10.04.13.290В-01 Кронштейн (для экспорта) Под заказ -
15
РСМ-10.04.13.540 Рукоятка рулевого колеса Под заказ -
16
РСМ-10.04.13.010А Колонка рулевая Под заказ -
17
М6-6Н.6.019 Гайка Под заказ -
18
РС-951А Прерыватель указателя поворота (для экспорта) Под заказ -
19
РСМ-10.04.13.030Б-01 Кожух (для экспорта) Под заказ -
20
РСМ-10.04.13.280 Оболочка Под заказ -
21
РСМ-10.04.13.050А Панель Под заказ -
22
24.65Г.019 Шайба Под заказ -
23
РСМ-10.04.13.601А Болт Под заказ -
24
М8-6gх25.88.35.019 Болт Под заказ -
25
С8х1,4.01.019 Шайба Под заказ -
26
РСМ-10.04.13.025А Прокладка Под заказ -
27
РСМ-10.04.13.432Б Пластина Под заказ -
28
РСМ-10.04.13.626А Вал Под заказ -
29
6-8в12х35.35.Ц9хр Ось Под заказ -
30
РСМ-10.09.12.080 Насос-дозатор Под заказ -
31
НДМ-125-16-У Насос-дозатор Под заказ -
32
2.2х28.019 Шплинт пружинный ОСТ23.22-79 Под заказ -
33
РСМ-10.09.12.050 Кронштейн Под заказ -
34
РСМ-10.09.12.801 Муфта Под заказ -
35
6-8в12х40.35Ц9хр Ось Под заказ -
36
2х18.019 Шплинт Под заказ -
37
РСМ-10.09.12.090 Насос-дозатор Под заказ -
38
"Dаnfоss" Насос-дозатор (для экспорта) "Dаnfоss" Под заказ -
39
"Lisаm" Насос-дозатор (для экспорта) "Lisаm " Под заказ -
40
"Оrstа" Насос-дозатор (для экспорта) "Оrstа" Под заказ -
41
РСМ-10.04.13.580 Втулка переходная (для экспорта) Под заказ -
42
10Т.65Г.019 Шайба Под заказ -
43
М10-6gх16.88.35.019 Болт Под заказ -
44
РСМ-10.04.13.040А Педаль Под заказ -
45
А13.38.002 Чехол Под заказ -
46
РСМ-10.04.13.606А Пружина Под заказ -
47
РСМ-10.04.13.030Б Кожух Под заказ -
Содержащиеся в справочниках-каталогах запасные части и детали не предлагаются к продаже, а носят исключительно информационный характер


Наши преимущества