| № | Изображение | Артикул товара | Наименование | Наличие | Единица измерения | Количество | Цена | Корзина | |
|---|---|---|---|---|---|---|---|---|---|
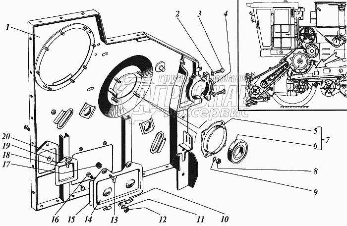
| 1 | РСМ-10.01.17.010А | Панель правая | Под заказ | - | |||||
| 2 | 20Т.65Г.019 | Шайба | Под заказ | - | |||||
| 3 | М20-6gх60.10.9.40Х.019 | Болт | Под заказ | - | |||||
| 4 | РСМ-10.01.15.202 | Обойма | Под заказ | - | |||||
| 5 | Н.027.116 | Корпус подшипника | В наличии | шт | 2 520 ₽2 520 ₽ | ||||
| 6 | 680314НК7С27 | Подшипник или 680314НК7С17 | Под заказ | - | |||||
| 7 | 680314НК7С17 | Подшипник или 680314НК7С27 | Под заказ | шт | 6 353 ₽6 353 ₽ | ||||
| 8 | Н.027.01.160 | Подшипник в сборе или опора или РСМ-10.01.15.330 | В наличии | шт | 6 514 ₽6 514 ₽ | ||||
| 9 | М16-6Н.6.019 | Гайка | Под заказ | - | |||||
| 10 | 16Т.65Г.019 | Шайба | Под заказ | - | |||||
| 11 | С8х1,4.01.019 | Шайба | Под заказ | - | |||||
| 12 | 8Т.65Г.019 | Шайба | Под заказ | - | |||||
| 13 | М8-6Н.6.019 | Гайка | В наличии | шт | 1 ₽1 ₽ | ||||
| 14 | 44-1-2-16-2 | Винт | Под заказ | - | |||||
| 15 | РСМ-10.01.15.260 | Крышка | Под заказ | - | |||||
| 16 | РСМ-10.01.15.439А | Накладка | Под заказ | - | |||||
| 17 | М8х20 | Болт | Под заказ | - | |||||
| 18 | 44-00241 | Втулка | Под заказ | - | |||||
| 19 | РСМ-10.01.15.120 | Крышка | Под заказ | - | |||||
| 20 | РСМ-10.01.15.436 | Шайба эксцентрическая | Под заказ | - | |||||
| 21 | 54-2-157-01 | Гайка | Под заказ | - |