| № | Изображение | Артикул товара | Наименование | Наличие | Единица измерения | Количество | Цена | Корзина | |
|---|---|---|---|---|---|---|---|---|---|
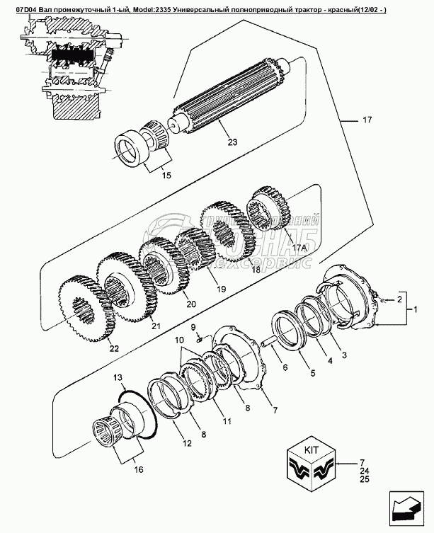
| 1 | 86011719 | Корпус муфты | Под заказ | - | |||||
| 2 | 86025268 | Крышка | Под заказ | - | |||||
| 3 | 86001347 | Дроссель M8х1.25 - 8 диам.1.8 | Под заказ | - | |||||
| 4 | 86001297 | Стопор внеш. 1-го промежуточного вала | Под заказ | шт | 9 279 ₽9 279 ₽ | ||||
| 5 | 86001296 | Стопор внут. 1-го промежуточного вала | Под заказ | шт | 4 756 ₽4 756 ₽ | ||||
| 6 | 86001352 | Поршень тормоза сцепления | Под заказ | - | |||||
| 7 | 86025269 | Поршень | Под заказ | - | |||||
| 8 | 86001348 | Стержень | Под заказ | - | |||||
| 9 | 86001298 | Набор прокладок для трансмиссии | В наличии | шт | 10 946 ₽10 946 ₽ | ||||
| 10 | 86001351 | Пластина стальная dmВdm фрикционная пластина | В наличии | шт | 18 061 ₽18 061 ₽ | ||||
| 11 | 86001295 | Возвратная пружина тормозной муфты, 15мм | Под заказ | - | |||||
| 12 | 86025270 | Возвратная пружина 2мм | Под заказ | - | |||||
| 13 | 86001349 | Диск фрикционный | Под заказ | - | |||||
| 14 | 86001350 | Пластина стальная dmАdm тормоза сцепления | Под заказ | - | |||||
| 15 | 86001057 | Стопорное кольцо | Под заказ | - | |||||
| 16 | 86001299 | Кольцо уплотнительное вн. O 151.99xтолщина 3.53 | Под заказ | шт | 1 446 ₽1 446 ₽ | ||||
| 17 | 86509784 | Подшипник 55.0IDX120.0ODX31.50 | Под заказ | - | |||||
| 18 | 86500890 | Подшипник 55.00IDX100ODX35.0 | Под заказ | - | |||||
| 19 | 86020166 | Вал промежуточный 1-ый | Под заказ | - | |||||
| 20 | 86025265 | Контрпривод (первый) и зубчатые колеса в сборе | Под заказ | - | |||||
| 21 | 86001345 | Ступица тормоза сцепления | В наличии | шт | 17 382 ₽17 382 ₽ | ||||
| 22 | 86025266 | Ступица тормоза сцепления для 86032767 | Под заказ | - | |||||
| 23 | 86001342 | Шестерня 1-го промежуточного вала, 42 зуба | Под заказ | - | |||||
| 24 | 86032766 | Колесо зубчатое z=42 | В наличии | шт | 20 274 ₽20 274 ₽ | ||||
| 25 | 86020167 | Колесо зубчатое с антикор. покрытием z=25 | В наличии | шт | 30 898 ₽30 898 ₽ | ||||
| 26 | 86001343 | Шестерня 1-го промежуточного вала, 39 зубьев | Под заказ | - | |||||
| 27 | 86032765 | Колесо зубчатое z=39 | В наличии | шт | 21 059 ₽21 059 ₽ | ||||
| 28 | 86001340 | Колесо зубчатое z=48 | В наличии | шт | 21 921 ₽21 921 ₽ | ||||
| 29 | 86011718 | Колесо зубчатое z=45 | Под заказ | - | |||||
| 30 | 86011717 | Вал трансмиссии первичный | Под заказ | - | |||||
| 31 | 86032767 | Вал трансмиссии первичный | Под заказ | - | |||||
| 32 | 86001269 | Набор уплотнений тормоза сцепления | Под заказ | - | |||||
| 33 | 86020168 | Набор уплотнений и прокладок | Под заказ | - |