| № | Изображение | Артикул товара | Наименование | Наличие | Единица измерения | Количество | Цена | Корзина | |
|---|---|---|---|---|---|---|---|---|---|
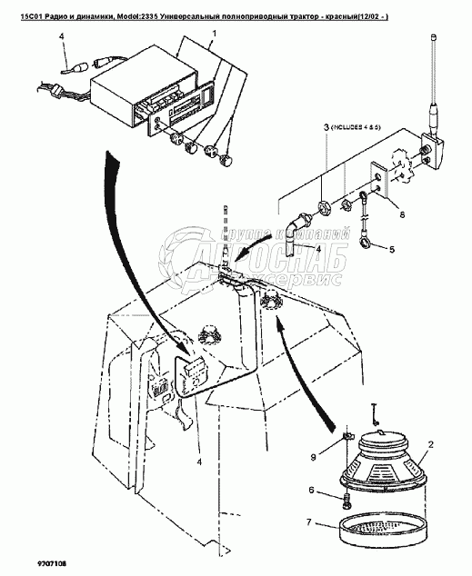
| 1 | 86023028 | Жгут магнитолы, L4WD & Genesis | Под заказ | - | |||||
| 2 | 9846290DS | Комплект деталей радио | Под заказ | - | |||||
| 3 | 86023024 | Магнитола кассетная, AM/FM L4WD + Genesis | Под заказ | - | |||||
| 4 | 86023025 | Магнитола DELUXE кассетная, AM/FM L4WD + Genesis | Под заказ | - | |||||
| 5 | 86023026 | Магнитола DELUXE CD, AM/FM L4WD + Genesis | Под заказ | - | |||||
| 6 | 86505909 | Динамик 6dm круглый | Под заказ | - | |||||
| 7 | 86015802 | Набор проводов антенны и креплений | Под заказ | - | |||||
| 8 | 86015977 | Антенна радио Lth-128.7in x 90deg | Под заказ | - | |||||
| 9 | 86015978 | Массовый провод | Под заказ | - | |||||
| 10 | 86511331 | Самонарезающий винт #8 18X3/4 с плоскоконической | Под заказ | - | |||||
| 11 | 86000998 | Решетка динамика | Под заказ | - | |||||
| 12 | 86015979 | Опорная плита антенны | Под заказ | - | |||||
| 13 | V62473 | Гайка специальная | Под заказ | - |