Каталог запасных частей к технике: Versatile серии GENESIS. 04B01 Дифференциал оси задний

04B01 Дифференциал оси задний

zoom-in zoom-out enlarge shrink circle-right circle-left file-text2 info cart
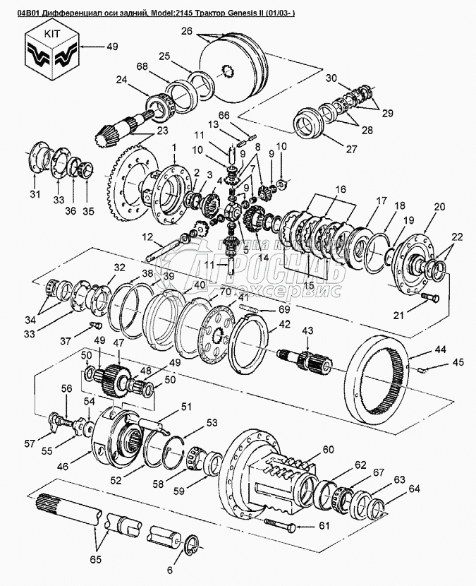
1
2
3
4
5
6
7
7
8
9
10
10
10
11
11
12
12
13
14
15
16
17
18
19
20
21
22
23
24
25
26
27
28
29
30
30
30
30
30
31
32
33
34
35
36
37
38
39
40
41
41
41
41
41
42
43
44
45
46
47
48
49
50
51
52
53
54
55
56
57
58
58
58
58
59
59
60
61
62
63
63
63
63
63
64
65
66
67
68
69
70
71
72
73
74
74
75
76
77
78
79
80
80
81
82
83
83
84
Изображение Артикул товара Наименование Наличие Единица измерения Количество Цена Корзина
1
86509164 Корпус дифференциала Под заказ -
2
9823333 Шайба диам.внутр.75.06 наруж.99.388 толщина 0.76мм Hdn, сталь Под заказ -
3
9823332 Подшипник игольчатый диам.внутр.2.96dm наруж.3.93 толщина 0.1575 Под заказ -
4
9821226 Шестерня полуоси Под заказ -
5
9823515 Направляющая оси Под заказ -
6
388510S2 Стопорное кольцо диам.3.63 Под заказ -
7
9628019 Стопорное кольцо диам.3.63 Под заказ -
8
9845301 Игла подшипника 0.1560DIAX1.41LG Под заказ -
9
9823518 Сателлит Под заказ -
10
9845300 Кольцо диам.внутр.32.64мм толщина 3.04мм Под заказ -
11
9823514 Кольцо упорное дифференциала Под заказ -
12
9823516 Ось Под заказ -
13
9823517 Ось Под заказ -
14
412202 Штифт диам.8мм длина 65мм Под заказ -
15
9821227 Шестерня полуоси Под заказ -
16
9821251 Диск блокиратора дифференциала Под заказ -
17
9823345 Диск дифференциала, GENESIS Под заказ -
18
9823347 Поршень Под заказ -
19
9823349 Уплотнительное кольцо, внут.диам.9.484dm толщина 0.139dm Под заказ -
20
9823348 Кольцо уплотнительное вн. O 3.859 X толщина 0.139 Под заказ -
21
9821228 Крышка дифференциала Под заказ -
22
9823354 Болт 0.62х1.88 Под заказ -
23
9823357 Уплотнительное кольцо, диам.4.875dm толщина0.093dm Под заказ -
24
9849178 Коническая зубчатая передача Под заказ -
25
9823318 Обойма внутренняя конического подшипника, диам.внут.76.20 толщина 55.10мм Под заказ -
26
9823322 Кольцо диам.наруж. 6.31 внутр.5.50 толщина 0.95 Под заказ -
27
9823323 Шайба Под заказ -
28
9823324 Шайба Под заказ -
29
9823325 Шайба Под заказ -
30
9823326 Шайба Под заказ -
31
86505509 Диск стояночного тормоза, диам.наруж.262.0 мм толщина 6.0мм Под заказ -
32
9823547 Стакан Под заказ -
33
9840427 Подшипник диам.внутр.2.62dm наруж.4.81 толщина 1.50dm Под заказ -
34
689164 Контргайка специальная Под заказ -
35
689163 Шайба Под заказ -
36
9821903 Упор левый полуоси заднего дифференциала Под заказ -
37
9821904 Упор правый полуоси заднего дифференциала Под заказ -
38
9823365 Шайба дифференциала заднего моста 0.10 Под заказ -
39
9823366 Шайба дифференциала заднего моста 0.20 Под заказ -
40
9823367 Шайба дифференциала заднего моста 0.30 Под заказ -
41
9823368 Шайба дифференциала заднего моста 0.50 Под заказ -
42
9825186 Подшипник диам.внутр.74.98 наруж.119.98 толщина 31мм Под заказ -
43
274841 Обойма внутренняя роликового подшипника, диам.внутр.2.95 толщина 0.98dm Под заказ -
44
274840 Обойма подшипника наружная диам.наруж.4.52 толщина 0.75dm Под заказ -
45
46101S2 Болт 1/2dmх1-1/4dm Под заказ -
46
9823416 Уплотнение поршня подвижного тормоза Под заказ -
47
9823415 Уплотнение внут. O13,41 х внеш. O14,27 х 3,30W Под заказ -
48
9823417 Поршень тормозной задний Под заказ -
49
86014787 Диск тормоза фрикционный Под заказ -
50
86014438 Диск заднего тормоза в сборе Под заказ -
51
9849183 Вал Под заказ -
52
9823423 Шестерня эпициклическая Под заказ -
53
382082S Штифт 5/8dm x 1-1/4dm Под заказ -
54
9825980 Водило Под заказ -
55
9823430 Сателлит Под заказ -
56
9823432 Кольцо диам.наруж. 75.95 внутр.60.55 толщина 1.07 Под заказ -
57
81825642 Игольчатый подшипник Под заказ -
58
9823431 Игла подшипника 0.3125DIAX1.00LG Под заказ -
59
9823433 Шайба диам.внут.60.579, наруж.88.9, толщина 0.762 Под заказ -
60
9849288 Ось планетарной шестерни дифференциала Под заказ -
61
86017458 Стопорное кольцо диам.146.86 Под заказ -
62
9823436 Стопорная проволока диам.2.95мм длина 585мм Под заказ -
63
9842041 Прокладка внеш. O 2.90 X внутр. O 1.01 X 10.02LG Под заказ -
64
9823438 Кольцо диам.наруж.2.90 внутр.1.03 толщина 0.01 Под заказ -
65
9842040 Прокладка внеш. O 2.90 X внутр. O 1.01 X 0.04LG Под заказ -
66
9823437 Кольцо диам.наруж. 2.90dm внутр.1.03dm толщина 0.006dm Под заказ -
67
9842039 Прокладка внеш. O 2.90 X внутр. O 1.01 X 0.01LG Под заказ -
68
9849236 Шайба контровочная диам.наруж.104.65мм, сталь Под заказ -
69
9823443 Болт 1.00dmx2.00GR5 PL Под заказ -
70
9849184 Стопорный винт Genesis Под заказ -
71
9823420 Подшипник конический 85.00IDX29.00THK Под заказ -
72
9823418 Кольцо подшипника наружное 130.00ODX24.00THK Под заказ -
73
82990703 Корпус полуоси Под заказ -
74
9825978 Корпус полуоси Genesis Под заказ -
75
120093 Болт M16х80 8.8pl Под заказ -
76
572265 Кольцо подшипника наружное 5.91ODX1.06THK Под заказ -
77
9636082 Уплотнение масляное внут. O4,75 х внеш. O6,01 х 0, Под заказ -
78
9849289 Кольцо масляного уплотнения Под заказ -
79
9849185 Полуось 112dm, Genesis Под заказ -
80
9849194 Полуось 96dm Под заказ -
81
9823343 Палец диам.5.00, длина 65.00 Под заказ -
82
572266 Подшипник конический 3.74IDX1.34THK Под заказ -
83
9823317 Обойма подшипника наружная, диам.наруж.161.95 толщина 42.86мм Под заказ -
84
86014796 Диск тормозной задний Od-388.67mm Под заказ -
Содержащиеся в справочниках-каталогах запасные части и детали не предлагаются к продаже, а носят исключительно информационный характер


Наши преимущества