| № | Изображение | Артикул товара | Наименование | Наличие | Единица измерения | Количество | Цена | Корзина | |
|---|---|---|---|---|---|---|---|---|---|
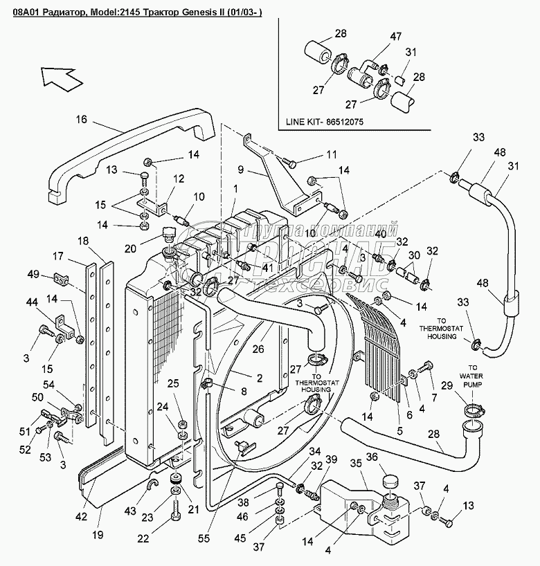
| 1 | 86013980 | Радиатор прямоугольный 180 + 210 PTO | Под заказ | - | |||||
| 2 | 86013263 | Радиатор прямоугольный 160 PTO | Под заказ | - | |||||
| 3 | 86013907 | Кожух вентилятора 27dm | Под заказ | - | |||||
| 4 | 86013831 | Кожух вентилятора 28 INCH | Под заказ | - | |||||
| 5 | 86500969 | Болт M8x20 | Под заказ | - | |||||
| 6 | 9846522 | Шайба диам.внутр.0.343 наруж.1.155 толщина 0.12dm Pl, сталь | Под заказ | - | |||||
| 7 | 86013974 | Кожух вентилятора | Под заказ | - | |||||
| 8 | 86014108 | Кожух вентилятора | Под заказ | - | |||||
| 9 | 86501619 | Крепление защитного экрана двигателя вентилятора | Под заказ | - | |||||
| 10 | 9804258 | Болт M8x20 Cl-8.8 | Под заказ | - | |||||
| 11 | 86010402 | Хомут 0.50 | Под заказ | - | |||||
| 12 | 86016746 | Крепление | Под заказ | - | |||||
| 13 | 86501565 | Изолятор M8х1.25 | Под заказ | - | |||||
| 14 | 16043224 | Болт CL 8.8, M8 x 1.25 x 16 | Под заказ | - | |||||
| 15 | 86504715 | Кронштейн радиатора | Под заказ | - | |||||
| 16 | 43128 | Болт M8x1.25x30 CL8.8 | Под заказ | - | |||||
| 17 | 9706690 | Гайка M8x1.25 | Под заказ | - | |||||
| 18 | 378243 | Шайба M8 Pl, 8.40x21.00х1.60, сталь | Под заказ | - | |||||
| 19 | 86509372 | Верхнее уплотнение радиатора | Под заказ | - | |||||
| 20 | 86501654 | Плоское уплотнение радиатора | Под заказ | - | |||||
| 21 | 9845746 | Боковое уплотнение радиатора | Под заказ | - | |||||
| 22 | 86503015 | Защитный экран | Под заказ | - | |||||
| 23 | 3957211 | Крышка Genesis | Под заказ | - | |||||
| 24 | 9828819 | Изолятор | Под заказ | - | |||||
| 25 | 86507067 | Болт M12х110 8.8pl | Под заказ | - | |||||
| 26 | 165016 | Шайба 0.531x2.250x0.188 Pl | Под заказ | - | |||||
| 27 | 81541 | Шайба 0.500x1.250x0.083 Pl | Под заказ | - | |||||
| 28 | 337475 | Гайка M12х1.75 | Под заказ | шт | 48 ₽48 ₽ | ||||
| 29 | 86013975 | Рукав на впускном патрубке радиатора 50,8 | Под заказ | - | |||||
| 30 | 86050202 | Зажим 2.5 | Под заказ | - | |||||
| 31 | 9821599 | Патрубок радиатора 54.00 | Под заказ | - | |||||
| 32 | 82012728 | Хомут | Под заказ | - | |||||
| 33 | 9846974 | Рукав 6.35x660.4 30R7 | Под заказ | - | |||||
| 34 | 86512069 | Патрубок | Под заказ | - | |||||
| 35 | 86512070 | Подогреватель Genesis | Под заказ | - | |||||
| 36 | 82012717 | Хомут | Под заказ | - | |||||
| 37 | 9706921 | Хомут 1/2dm-1.375dm | Под заказ | - | |||||
| 38 | 9821604 | Рукав 7.94х1219мм 30R2 | Под заказ | - | |||||
| 39 | 9821602 | Баллон | Под заказ | - | |||||
| 40 | 86507190 | Крышка | Под заказ | - | |||||
| 41 | 86504799 | Втулка диам.наруж. 19.00 внутр.13.33 длина 18.70 | Под заказ | - | |||||
| 42 | 120068 | Винт с гексагональной головкой M10x40 Cl-8.8 Pl | Под заказ | - | |||||
| 43 | 100725 | Втулка | Под заказ | - | |||||
| 44 | 80792420 | Фитинг | Под заказ | - | |||||
| 45 | 86017596 | Датчик уровня хладагента | Под заказ | - | |||||
| 46 | 291628 | Уплотнительный щит | Под заказ | - | |||||
| 47 | 766877 | Уплотнительный щит | Под заказ | - | |||||
| 48 | 86010612 | Эмблема | Под заказ | - | |||||
| 49 | 86504660 | Кронштейн | Под заказ | - | |||||
| 50 | 86505938 | Шайба 0.406X1.375X0.083 PL | Под заказ | - | |||||
| 51 | 140045 | Шайба стопорная BV M10 PL | В наличии | шт | 46 ₽46 ₽ | ||||
| 52 | 86512071 | Тройник | Под заказ | - | |||||
| 53 | 794839 | Защитный рукав, длина 82dm | Под заказ | - | |||||
| 54 | 86501596 | Уголок | Под заказ | - | |||||
| 55 | 86501597 | Уголок | Под заказ | - | |||||
| 56 | 86000448 | Заглушка | Под заказ | - | |||||
| 57 | 120100 | Болт M30x1.0x20 Cl-8.8 | Под заказ | - | |||||
| 58 | 9820463 | Шайба | Под заказ | - | |||||
| 59 | 353308 | Контргайка M6 | Под заказ | - | |||||
| 60 | 86031894 | Вентиль дренажный 1/4dm-18 NPTF | Под заказ | - |