Каталог запасных частей к технике: Versatile серии GENESIS. 09A01 Топливный бак

09A01 Топливный бак

zoom-in zoom-out enlarge shrink circle-right circle-left file-text2 info cart
1
58
2
3
4
4
5
5
6
6
7
8
9
10
10
11
12
13
14
15
16
43
16
43
16
43
16
43
17
18
19
20
21
22
23
24
25
26
27
28
29
29
30
30
31
31
32
32
33
34
35
36
37
37
38
39
40
41
41
42
16
43
44
44
45
46
47
48
49
50
51
52
53
54
55
56
57
1
58
Изображение Артикул товара Наименование Наличие Единица измерения Количество Цена Корзина
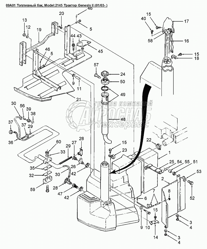
1
9706755 Гайка M6х1.0 Cl-8 Под заказ -
2
86504570 Бак топливный полиэтиленовый, Genesis Под заказ -
3
86506056 Упор боковой Под заказ -
4
140045 Шайба стопорная BV M10 PL В наличии шт 46 ₽46 ₽
5
43138 Болт M10x1.5x20 Cl 8.8 Под заказ -
6
271670 Палец 15.9x90.4мм Под заказ -
7
87395 Скрепка 0.120х1.25 Под заказ -
8
9844998 Тяга Под заказ -
9
88871 Контргайка 1/2dm-13 Под заказ -
10
29684 Шайба плоская диам.внут.17/32dm, наруж.2.00dm, толщина 3/16dm сталь Под заказ -
11
309308 Болт M12x120 8.8PL Под заказ -
12
86501243 Штифт Под заказ -
13
140046 Шайба стопорная M12 PL Под заказ -
14
337475 Гайка M12х1.75 Под заказ шт 48 ₽48 ₽
15
9844178 Фиксатор Под заказ -
16
86500925 Болт M6x12 Cl-8.8 Под заказ -
17
9821561 Датчик топливный 110 галлонов Под заказ -
18
9841672 Крышка Под заказ -
19
86501172 Хомут Под заказ -
20
9844991 Крепление Под заказ -
21
300388 Болт M12x1.75x25 8.8 Pl Под заказ -
22
86501126 Опора Под заказ -
23
82012731 Хомут Под заказ -
24
237980 Хомут 0.44 Под заказ -
25
9823040 Крышка Под заказ -
26
86506059 Задняя соединительная рейка Под заказ -
27
9860226 Тройник 1/4MNPTx1/4FNPT Под заказ -
28
81465471 Вентиль дренажный Под заказ -
29
86025173 Клапан рукава Под заказ -
30
86034039 Стяжная гайка 3/8dm Под заказ -
31
9823041 Трубопровод топливный дренажный Под заказ -
32
86012171 Трубка, от бака до фильтра Под заказ -
33
613122 Фиксирующая пластина Под заказ -
34
9820463 Шайба Под заказ -
35
604896 Фиксатор Под заказ -
36
86000437 Трубопровод диам.3/8dm Под заказ -
37
82012717 Хомут Под заказ -
38
129270 Кольцо уплотнительное 0.414 IDX0.072 THK BUNA Под заказ -
39
9845219 Фитинг 1/2-20UNF / 5/8-24UNEF Под заказ -
40
87826 БолтМ10х1 Под заказ -
41
9706921 Хомут 1/2dm-1.375dm Под заказ -
42
86501513 Пластина Под заказ -
43
86500925 Болт M6x12 Cl-8.8 Под заказ -
44
216698 Штифт 0.125 X 1.75 Под заказ -
45
86504557 Фильтр топливного бака Под заказ -
46
86011899 Трубка топливного бака Под заказ -
47
86504798 Уплотнение внут. O64,3 х внеш. O81,8 х 3,0W В наличии шт 51 ₽51 ₽
48
86517773 Переходник заправки бака топливом Под заказ -
49
9706690 Гайка M8x1.25 Под заказ -
50
120106 Болт M8x40 8.8 PL Под заказ -
51
378243 Шайба M8 Pl, 8.40x21.00х1.60, сталь Под заказ -
52
86506058 Палец Под заказ -
53
86503086 Втулка диам.13.7мм толщина 7.51мм Под заказ -
54
9846567 Втулка Под заказ -
55
86012711 Болт 8 x 75mm Под заказ -
56
86518439 Уплотнение Под заказ -
57
86643219 Хомут Под заказ -
58
9706755 Гайка M6х1.0 Cl-8 Под заказ -
Содержащиеся в справочниках-каталогах запасные части и детали не предлагаются к продаже, а носят исключительно информационный характер


Наши преимущества